1.稳压二极管
正向导通电压跟普通二级管一样约为0.7v,反向状态下在临界电压之前截止,在达到临界电压的条件下会处于导通的状态,电压也不再升高,所以用在重要元器件上,起到稳压作用。
稳压二极管主要利用其反向击穿时U-I曲线很陡峭这个特性,所以它工作在反偏状态。
稳压二极管,英文名称Zener diode,又叫齐纳二极管。
稳压二极管原理:
稳压二极管的伏安特性曲线的正向特性和普通二极管差不多,反向特性是在反向电压低于反向击穿电压时,反向电阻很大,反向漏电流极小。但是,当反向电压临近反向电压的临界值时,反向电流骤然增大,称为击穿,在这一临界击穿点上,反向电阻骤然降至很小值。尽管电流在很大的范围内变化,而二极管两端的电压却基本上稳定在击穿电压附近,从而实现了二极管的稳压功能。
2.肖特基二极管正向导通电压很低,只有0.4v,反向在击穿电压之前不会导通,起到快速反应开关的作用。
肖特基二极管正向导通时压降比较小。
肖特基二极管用于整流,正向接入电路,有电流值很大的型号
稳压二极管多是雪崩型,用于稳压,反向接入电路,一般工作电流较小,适用于对稳压精度不是很高工作电流不是很大的场合。
肖特基二极管是以其发明人肖特基博士(Schottky)命名的,SBD是肖特基势垒二极管(SchottkyBarrierDiode,缩写成SBD)的简称。SBD不是利用P型半导体与N型半导体接触形成PN结原理制作的,而是利用金属与半导体接触形成的金属-半导体结原理制作的。因此,SBD也称为金属-半导体(接触)二极管或表面势垒二极管,它是一种热载流子二极管。
3.TVS管
TVS(TRANSIENT VOLTAGE SUPPRESSOR)或称瞬变电压抑制二极管
当TVS管两端经受瞬间的高能量冲击时,它能以极高的速度(最高达1*10^-12秒)使其阻抗骤然降低,同时吸收一个大电流,将其两端间的电压箝位在一个预定的数值上,从而确保后面的电路元件免受瞬态高能量的冲击而损坏。 TVS的反应速度比RC回路快10E-12s,可不用考虑TVS的击穿电压VBR,反向临界电压VWM,最大峰值脉冲电流IPP和最大箝位电压VC及峰值脉冲功率PP. 选择VWM等于或大于电路工作电压,VC为小于保护器件的耐压值,能测量最好(IPP),或估计出脉冲的功率,选功率较大的TVS。
如果是使用的话,TVS有二极管类,和压敏电阻类。我个人认为压敏电阻类更有优势,目前广泛用于手机,LCD模组,及一些比较精密的手持设备。特别是出口欧洲的产品一般都要加,来作为静电防护的主要手段之一。
TVS管的四大应用:
1、TVS管在TN电源系统的应用
雷电过电压波、负载开关等人为操作错误引起的过电压容易通过供电线路侵入电气电子设备内部,造 成电气电子设备失效、误动作,甚至造成设备的永久性损坏,造成严重经济损失。通过在电源线路上安装浪涌吸收装置MOV和TVS,实施两级保护,并对L、N 线进行共模、差模保护。具体做法是在线路的前端安装MOV作为第一级SPD保护,泄放大部分雷电流,在线路的末端(设备前端)安装大功率TVS管作为第二 级SPD保护,进一步削弱过电压波幅值,将电网电压降至E/I安全耐压范围之内。要注意的是,MOV与TVS应达到电压和能量的协调与配合,AB之间的线 路长度不应小于5 m,否则应增加线路长度或安装退耦器件。
2、TVS管在网络信号线路的应用
TVS管不仅可以用于电源系统的浪涌防护,还可以用于信号线路的浪涌保护,采用气体放电管GDT与TVS管组合成信号浪涌保护器,其特点是反应快,漏流小,几乎对信号无损耗,可以对高速网络线路提供安全、可靠的保护。
3、TVS管在直流电源系统的应用
一台普通PC电脑的供电电源电路,市电AC 220 V经过变压器降压至AC 20 V,再经调制整流电路,输出DC 10 V 直流电源,接入负载。通过在变压器输出端安装双向瞬态电压抑制器TVS1,吸收L 及N 线的瞬时冲击脉冲电流,将电路电压箝制在安全电压水平,TVS1可以保护变压器后端整流器及其他电路元器件。在整流器后的直流电源输出端安装单向瞬态电压 抑制器TVS2,用于保护直流负载免受过电压电电流冲击。
4、TVS管在晶体管电路的应用
晶体三极管作为电流控制型器 件,是电子集成电路中的重要组成部分,可分为NPN 管和PNP 管两类,应用于开关电路、放大电路和稳压电路。为了使晶体管电路免受ESD/EFT(静电放电/电快速瞬变脉冲群)等浪涌电压的干扰,在电路的输入 端和输出端分别加入TVS1、TVS2进行保护。

名词解释:
1、最小击穿电压VBR: VBR是TVS最小的击穿电压,在25℃时,低于这个电压TVS是不会发生雪崩的。当TVS流过规定的1mA电流(IR)时,加于TVS两极的电压为其最小击穿电压VBR。按TVS的VBR与标准值的离散程度,可把VBR分为5%和10%两种。
2、额定反向关断电压VWM: VWM这是二极管在正常状态时可承受的电压,此电压应大于或等于被保护电路的正常工作电压,否则二极管会不断截止回路电压;但它又需要尽量与被保护回路的正常工作电压接近,这样才不会在TVS工作以前使整个回路面对过压威胁。
3、最大箝位电压VC: 当持续时间为20mS的脉冲峰值电流IPP流过TVS时,在其两端出现的最大峰值电压为VC。
4、电容量: 电容量是由TVS雪崩结截面决定的,是在特定的1MHz频率下测得的。大小与TVS的电流承受能力成正比,太大将使信号衰减。因此,结电容是数据接口电路选用TVS的重要参数。
注:TVS二极管的选型 最大箝位电压VC要小于电路允许的最大安全电压。 截止电压VRWM大于电路的最大工作电压,一般可以选择VRWM等于或者略大于电路的最大工作电压。 额定的最大脉冲功率(TVS参数中给出) PM要大于最大瞬态浪涌功率。
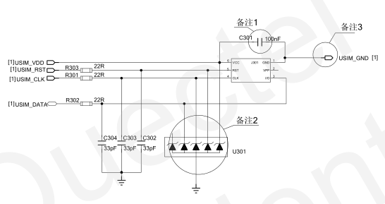
如:sim卡座端的静电保护

为了提供良好的 ESD 保护,建议添加 TVS 二极管阵列。最重要的规则是将 ESD 保护装置放置
在靠近 SIM 卡连接器处,并确保被保护的 SIM 卡接口信号线首先通过 ESD 保护装置,然后通
向模块。22Ω 电阻应在模块和 SIM 卡之间串联连接,抑制 EMI 杂散传输,增强 ESD 保护。SIM
卡外围电路应该靠近 SIM 卡连接器,将所有信号线上的旁路电容放置在 SIM 卡附近,以改善
EMI 抑制效果。
4.静电保护二极管
在电路正常工作时,ESD保护管属于高阻状态,不会影响线路正常运行;当电路中出现异常过压并达到击穿电压时,ESD保护器件由高阻态变为低阻态,给瞬态电流提供低阻抗导通路径,把异常高压箝制在一个安全范围内,进而达到保护被保护IC或线路;同时当异常过压消失,ESD恢复至高阻态,电路正常运行。
如:

5.TVS与ESD使用方法异同点
TVS管保护是靠击穿,击穿后相当于短路,一般承受电流能力大;ESD是电容放电加钳位,过电流能力不强。
TVS的开启电压较高,动作时间也太慢,无法单独满足ESD保护的需要。
ESD主要用于板级保护,TVS一般用于初级和次级保护。
问:哪些接口需要做防雷接口?-----一般有通信的接口,网络接口,CAN总线接口,视频接口等等。
答:受雷击的一般是建筑物,室外设备是首先遭受,然后就是计算机网络系统,容易受损坏的是调制解调设备,路由器,交换机,集线器,网卡,UPS等,包括监控设备,移动通信的基站,天线等设备,考虑自己的通讯接口是否是这些类型等等。
防静电,防浪涌是两个方向 ,前者电流小,电压高,后者电流大电压小,工作原理也有区别。
来源:oschina
链接:https://my.oschina.net/u/4264559/blog/3618450