软件版本:VIVADO2017.4
操作系统:WIN10 64bit
硬件平台:适用米联客 ZYNQ系列开发板
米联客(MSXBO)论坛:www.osrc.cn答疑解惑专栏开通,欢迎大家给我提问!!
6.1概述
有了前面一节课自定义AXI4-SLAVE IP的前奏,这节课我们实现利用PCIE对DAQ7606数据采集卡的ADC数据进行采集并且通过QWT控件显示其中1路采集的波形。
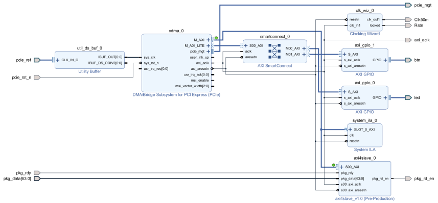
6.2 修改自定义IP
修改自定义IP axi4salve,增加必要的用户自定义信号。

FPGA DB 设计

另外需要在顶层文件添加DAQ7606的采集程序

以上设计中,关键是利用FIFO 半满的标准作为pkg_rdy信号。
6.3 QT程序设计
QT程序主要用到了QWT进行波形显示,以下链接为QWT的编译和安装。
http://www.osrc.cn/forum.php?mod=viewthread&tid=1873&extra=page%3D1

6.4 测试结果
QT显示采集的波形和采集的电压值,电压的数值只显示的第一次采集的数值。

FPGA采集到的波形
