1.SG3525简介:
美国硅通用(Silicon General)半导体公司推出的SG3525,用于驱动N沟道功率MOSFET,是一种性能优良、功能齐全、通用性强的单片集成PWM控制芯片,输出驱动为推拉输出形式,增加了驱动能力;内部含有欠压锁定电路、软启动控制电路、PWM锁存器,有过流保护功能,频率可调,能限制最大占空比。
G3525是电流控制型PWM控制器,所谓电流控制型脉宽调制器是按照接反馈电流来调节脉宽的。在脉宽比较器的输入端直接用流过输出电感线圈的信号与误差放大器输出信号进行比较,从而调节占空比使输出的电感峰值电流跟随误差电压变化而变化。由于结构上有电压环和电流环双环系统,因此,无论开关电源的电压调整率、负载调整率和瞬态响应特性都有提高,是目前比较理想的新型控制器。
2.SG3525性能特点:
1)工作电压范围宽:8~35V; 2)内置5.1V±1.0%的基准电压源;
3)振荡器工作频率宽:100Hz~400 kHz; 4)具有振荡器外部同步功能;
5)死区时间可调; 6)具有输入欠压锁定功能;
7)内置软启动电路; 8)具有PWM所存功能,禁止多脉冲;9)逐个脉冲关断; 10)双源/灌电流输出:±400mA(峰值)
3.SG3525引脚排列图及功能:
图1 SG3525引脚排列图
3.SG3525个引脚功能:
引脚1(Inv.input)误差放大器反向输入端。在闭环系统中,接反馈信号,在开环系统中,该端与补偿信号输入端(引脚9)相连,可构成跟随器。
引脚2(Noninv.input)误差放大器同向输入端。
引脚3(Sync)外同步端,接外部同步脉冲信号可实现与外电路同步。当外部输入脉冲频率高于芯片振荡频率时,芯片将跟随同步脉冲二分频输出驱动脉冲,否则驱动脉冲将保持原本振荡状态
引脚4(OSC.Output)振荡器频率输出端,可作为其他控制芯片的同步信号,其频率为驱动脉冲频率的二倍,正脉冲宽度恒定,为设置的死区时间宽度。
如果没有其他芯片连同工作,可以将引脚3,4进行悬空或者接地处理,此时芯片的工作频率为芯片振荡器最大频率
引脚5(CT)振荡器定时电容接入端,两端是一个在0.6V-3.5V变化的锯齿波。
引脚6(RT)振荡器定时电阻接入端,RT的大小决定CT的充电速度,二者共同配合决定电源芯片振荡频率。
引脚7(Discharge)振荡器放电端。该端与引脚5之间外接一只放电电阻RD,构成放电回路,放电时间为死区时间
引脚8(Soft-Start)软启动电容接入端。外接软启动电容,芯片内部50μA恒流源对其充电,使驱动脉冲宽度由小逐渐变大,直到正常输出
引脚9(ompensation)误差放大器输出端,与引脚1间接电阻电容构成PI调节器,补偿系统幅频响应特性,补偿端电压范围1.5-5.2V。
引脚10(Shutdown)外部关断信号输入端。该端接高电平时控制器输出被禁止,可与保护电路相连,以实现故障保护,不用时不能悬空,因为从该脚耦合进来的噪音信号将影响电路正常工作
引脚11/14(utput A/B)输出端A/B:采用推挽输出电路,二者相位相差180°,拉电流和灌电流峰值可达400mA,两路驱动脉冲间存在一定死区时间,防止由于开关关的开关延迟造成直通,损坏器件
引脚12(round)信号地。
引脚13(Vc)输出级偏置电压接入端,提高输出级输出功率,通常可与引脚15共用一个电源
引脚15(Vcc)电源输入端,直流电源端分为两路,一路作为内部逻辑和模拟电路的工作电压,另一路送到基准电压稳压器进行稳压,电源电压低于8V时停止工作
引脚16(Vref)基准电源输出端
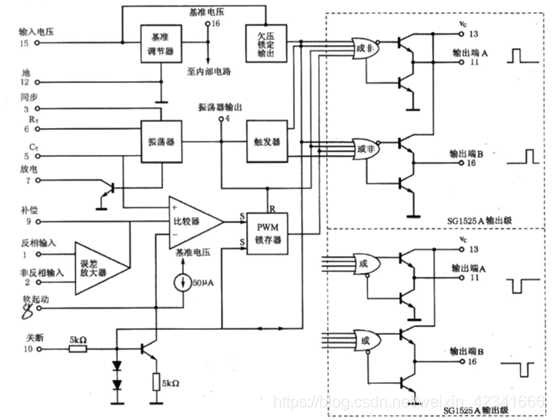
4.SG3525电路框图及各部分作用
图2 SG3525原理图
a 基准电压源:基准电压源是一个三端稳压电路,输入电压VCC可在8~35V内变化,通常采用+15V,其输出电压Vref=5.1V,精度±1%,采用温度补偿,作为芯片内部电路的电源,也可为芯片外围电路提供标准电源,向外输出电流可达400mA,设有过流保护电路。
b 振荡与PWM信号产生电路:振荡器所输出的时钟脉冲信号,作为PWM锁存器的触发信号,形成PWM信号的上升沿触发开关器件,使主电路导通。不管是误差放大器的输出信号,还是振荡器输出的三角波信号,它们都处于动态变化中,触发PWM锁存器形成的PWM信号取决于它们之间的比较。当三角波的瞬时值高于误差放大器的输出的时候,PWM比较器翻转,触发PWM锁存器,形成PWM信号的下降沿,开关管关断。当三角波的瞬时值小于误差放大器的输出的时候,形成PWM信号的上升沿,开关管继续导通。6.SG3525注意事项
SG3525的振荡频率,也就是工作频率通常由以下公式计算而来:
其中,CT范围为0.001-0.1μF,RT的范围为2-150kΩ,RD的范围为0-500Ω
两路驱动脉冲间死区时间为:
c 误差放大器:由两级差分放大器构成,其直流开环放大倍数为80dB 左右,电压反馈信号Uf从端子1接至放大器反相输入端,放大器同相输入端接基准电压。
d 脉冲输出级电路:输出末级采用推挽输出电路,驱动场效应功率管时关断速度更快。由于存在开闭滞后,使输出和吸收间出现重迭导通,在重迭处有一个电流尖脉冲,起持续时间约为100ns。可以在13脚处接一个约0.1uf的电容滤去电压尖峰。
e 软启动功能:软启动端通常接一个5μF的软启动电容。上电过程中,由于电容两端的电压不能突变,因此与软启动电容接入端相连的PWM比较器反向输入端处于低电平,PWM比较器输出高电平。此时,PWM锁存器的输出也为高电平,该高电平通过两个或非门加到输出晶体管上,使之无法导通。只有软启动电容充电至其上的电压使引脚8处于高电平时,SG3525才开始工作。由于实际中,基准电压通常是接在误差放大器的同相输入端上,而输出电压的采样电压则加在误差放大器的反相输入端上。当输出电压因输入电压的升高或负载的变化而升高时,误差放大器的输出将减小,这将导致PWM比较器输出为正的时间变长,PWM锁存器输出高电平的时间也变长,因此输出晶体管的导通时间将最终变短,从而使输出电压回落到额定值,实现了稳态。反之亦然
f 关断操作:外接关断信号对输出级和软启动电路都起作用。当Shutdown(引脚10)上的信号为高电平时,PWM锁存器将立即动作,禁止SG3525的输出,同时,软启动电容将开始放电。如果该高电平持续,软启动电容将充分放电,直到关断信号结束,才重新进入软启动过程。注意,Shutdown引脚不能悬空,应通过接地电阻可靠接地,以防止外部干扰信号耦合而影响SG3525的正常工作。
g 欠电压锁定功能同样作用于输出级和软启动电路。如果输入电压过低,在SG3525的输出被关断同时,软启动电容将开始放电
5.SG3525的应用电路
如图3所示,SG3525的输出级采用图腾柱式结构,其灌电流/拉电流能力超过200mA,在单端变换器应用中,SG3525的两个输出端应接地。当输出晶体管开通时,R1上会有电流流过,R1上的压降将使VT1导通。因此VT1是在SG3525内部的输出晶体管导通时间内导通的,因此其开关频率等于SG3525内部振荡器的频率。
图3 单端变换器输出结构示意图
如图4所示,当采用推挽式输出时,VT1和VT2分别由SG3525的输出端A和输出端B输出的正向驱动电流驱动。电阻R2和R3是限流电阻,是为了防止注入VT1和VT2的正向基极电流超出控制器所允许的输出电流。C1和C2是加速电容,起到加速VT1和VT2导通的作用。
图4 推挽输出结构示意图
如图5所示,由于SG3525的输出驱动电路是低阻抗的,而功率MOSFET的输入阻抗很高,因此输出端A和输出端B与VT1和VT2栅极之间无须串接限流电阻和加速电容,就可以直接推动功率MOSFET。
图5 直接驱动MOSFET
如图6所示,SG3525还能够直接驱动半桥变换器中的小功率变压器,如果变压器一次绕组的两端分别直接接到SG3525的两个输出端上,则在死区时间内可以实现变压器的自动复位。
图6直接驱动小功率变压器
来源:https://blog.csdn.net/weixin_42341666/article/details/100046363