
@匿名用户
对我而言,绝对是Paul R. Gray经典的bootstrap,没有之一,简直让人拍案叫绝。

电路用在各种ADC之前的Sample电路,可以让ADC实现rail to rail的input,sample电路的工作电压超过Vdd,极大的减少了了setting time,而且几乎没有reliability的问题。
电路里没有任何一个器件是可以被减少或者改变位置的。此电路直接使得ADC的发展往前跃进了一大步,现在已经几乎成为除ΔΣ之外各种ADC的标配,成为历史上最经典的模拟电路之一。当然,电路原理一眼看去也不是很好理解。
工作波形看着都让人舒服:

@TANG XKEPHY
个人非常喜欢那些实现起来非常简单,性能却相当好的电路。
1.switch cap 的CMFB

仅仅4个电容加6个开关就实现了CMFB,非常简洁,且几乎不会影响OPAM本身像output swing,gain之类的spec,非常高效。
2. Data Weighted Averaging

基本思想是快速遍历DAC中的每一个电流元从而减少电流元mismatch对ADC信噪比的影响,仅仅通过几个简单的数电模块就实现对电流元mismatch的first order noise shaping,非常巧妙。
@原子弹lll
本科那会儿对我影响最深的就是万能的H桥电路,驱动电机正反转,妥妥的好用而且实惠,买一块驱动芯片的钱够自己搭十个桥了。而且用市场上最常见的三极管就能搞定,功率稍大的,换成MOS管就行了。手机码字,无图,顺手百度了一个。

@frederick007
个人认为今年的isscc上就有一篇非常漂亮的10.5MHz relaxation振荡器,如图。

用本身的时钟做chopping改善flicker noise,抵消offset;swing booster的高通行为使时钟信号上升沿变陡,一定程度抑制了噪声电压与抖动的转换。
做的改进并未面目全非,比较巧妙。
@等号
本来想说sigma-delta DAC的,可是已经有人提到ADC了……
如果从身边用得最多电路中找一个印象最深的,那一定是Lock-in了。

直截了当的方法获得超高信噪比。
@呆涛
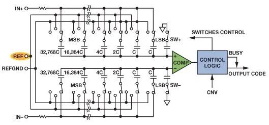
哈哈我来说一个:SAR-ADC
逐次逼近寄存器式 模数转换器
结构:

例子来自 Maxim
工作原理如下:
每个时钟沿,比较器对电容上的电压和地作比较, 由此结果来决定下一个电容是否接入电路。
电容端电压变化:

实质上就是用二分法来逼近个未知电压。
高级版:

differential mode!
看起来就赏心悦目, 比起delta-sigma更加efficient


👇👇👇点击阅读原文查看电子科普专辑修
本文分享自微信公众号 - 玩转嵌入式(micropoint8)。
如有侵权,请联系 support@oschina.cn 删除。
本文参与“OSC源创计划”,欢迎正在阅读的你也加入,一起分享。
来源:oschina
链接:https://my.oschina.net/u/4676368/blog/4818986