SPI flash W25Qxx:
W25Q系列的spiflash。每页(Page)256B,每16个page为一个sector(扇区=4KB),每16个扇区为一个block(块=64KB)
W25Q16=16Mb=2MB=2048KB=32block=512sector=8192page;
操作:SPI flash写操作必须确保为0XFF才能写入,否则需要檫除操作,檫除的最小单位为Sector即4KB,所以有的会在单片机内部开一个4K的缓存(有点奢侈),写之前先读出来,檫除数据,合并数据(在檫除数据的同时进行操作,合并完了在检查檫除是否完成,不闲着;操作系统级的 将因此进入挂起。要么设定一个合适的超时时间,要么有一个专门的轮训这些标志完成则发信号量),再写入。
驱动程序:https://blog.csdn.net/weixin_42381351/article/details/80813104
SPI SPI flash驱动规范:
1 硬件SPI/软件SPI涉及的MOSI/MISO/SCK的IO设置、SPI设置读写一个字节。
2 存储器件IC涉及的片选、调用SPI读写一个字节操作在某个指定地址读写一个字节/多个字节,檫除等操作。
3业务层次的读写记录,APP升级等。


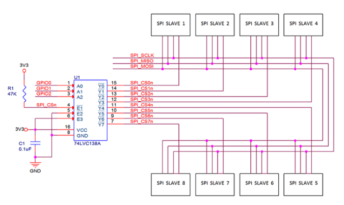
一主多从可以通过不同片选来发送(都片选则都会收到),但对接收,如果关闭某个片选则可能得不到及时相应;如果都打开则同时来时的处理。IO模拟SPI一主多从如右图,先操作译码器(速度要快)再操作SPI的其它三根口线即可。
GPIO模拟的SPI操作灵活,但效率不高。同时这种方法不适用于SPI的DMA传输,仅适合数据量少、对传输速度要求不同的场合。
硬件SPI的片选可以软件控制也能硬件控制(DMA传输时必须)
关于IO模拟SPI驱动的另一种编程方法:SCLK用PWM输出方波(脉宽周期按手册),其它的4线配置SCLK进行操作,通过读SCLK引脚
GPIO_ReadOutputDataBit(GPIO_TypeDef* GPIOx, uint16_t GPIO_Pin)来配合时序,不满足就等,满足就进行其它IO的置高置低(配置SYSTICK或NOP进行延时)
关于如何根据时序图用IO模拟写驱动/上升沿采样下降沿发送数据的含义,哪TM7705为例:

上图表示对主机MCU而言:
写的时候:MOSI上上升沿采样,上升沿前低电平时就要发送bit数据即:SCLK=0延时一小段时间就将send_data的MSB发出,然后SCLK=1再延时一段时间,接着进行下一个bit的操作。
读的时候:再MISO上也是上升沿采样,高电平期间读bit.SCLK=0;delay(4),SCLK=1,delay(2),读MISO引脚电平,delay(1),接着进行下一个bit的操作。


1 /*
2 *********************************************************************************************************
3 * 函 数 名: TM7705_Send8Bit
4 * 功能说明: 向SPI总线发送8个bit数据。 不带CS控制。
5 * 形 参: _data : 数据
6 * 返 回 值: 无
7 *********************************************************************************************************
8 */
9 static void TM7705_Send8Bit(uint8_t _data)
10 {
11 uint8_t i;
12
13 for(i = 0; i < 8; i++)
14 {
15 SCK_0();
16 TM7705_Delay();
17 if (_data & 0x80)
18 {
19 DI_1();
20 }
21 else
22 {
23 DI_0();
24 }
25 SCK_1();
26 TM7705_Delay();
27 _data <<= 1;
28 TM7705_Delay();
29 }
30 }
31 /*
32 *********************************************************************************************************
33 * 函 数 名: TM7705_Recive8Bit
34 * 功能说明: 从SPI总线接收8个bit数据。 不带CS控制。
35 * 形 参: 无
36 * 返 回 值: 无
37 *********************************************************************************************************
38 */
39 static uint8_t TM7705_Recive8Bit(void)
40 {
41 uint8_t i;
42 uint8_t read = 0;
43
44 SCK_0();
45 TM7705_Delay();
46 for (i = 0; i < 8; i++)
47 {
48 SCK_0();
49 TM7705_Delay();
50
51 SCK_1();
52 TM7705_Delay();
53 TM7705_Delay();
54 if (DO_IS_HIGH())
55 {
56 read++;
57 }
58 read = read<<1;
59 }
60 return read;
61 }
来源:oschina
链接:https://my.oschina.net/u/4258768/blog/3537759