学习笔记

做~自己de王妃 提交于 2021-01-06 15:47:58

DAU------(Daily Active User)日活跃用户数量

MAU------(monthly active users) 月活跃用户人数。

MVC全名是Model View Controller,是模型(model)-视图(view)-控制器(controller)的缩写,一种软件设计典范,用一种业务逻辑、数据、界面显示分离的方法组织代码,将业务逻辑聚集到一个部件里面,在改进和个性化定制界面及用户交互的同时,不需要重新编写业务逻辑

 

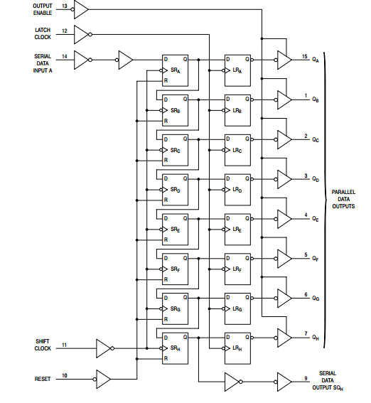
 单片机移位知识

 

 

标签
易学教程内所有资源均来自网络或用户发布的内容,如有违反法律规定的内容欢迎反馈
该文章没有解决你所遇到的问题?点击提问,说说你的问题,让更多的人一起探讨吧!