
安装STM32CubeMX简介

HAL库与STD库

安装STM32CubeMX软件
MO工程建立

第四步是验证代码:
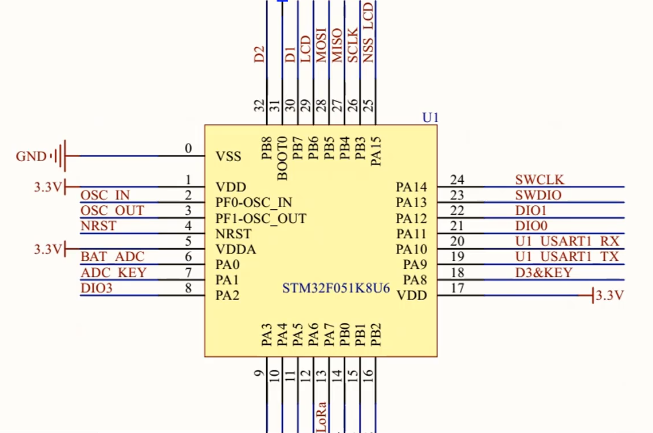
1、怎么进行IO配置
(1)看懂原理图

建立IO功能映射表

通过STM32Cubemx配置
时钟配置

lora的驱动源码分析

Source Insigh安装及使用
Source Insight是一个面向项目开发的程序编辑器和代码浏览器,它拥有内置的对C/C++, C#和Java等程序的分析。
能分析源代码并在工作的同时动态维护它自己的符号数据库,并自动显示有用的上下文信息。


来源:oschina
链接:https://my.oschina.net/u/4396273/blog/3621964