
在对开发板进行开发之前,首先需要对开发板的电路实现原理有个系统的了解,并掌握基础的硬件知识,以下将为大家分析小熊派IoT开发板的主要硬件实现原理。
首先,了解一下小熊派IoT开发板的系统框架。

小熊派IoT开发板电路连接关系如下:系统由USB 5V供电,经过DCDC降压至3.3V给系统大 部分器件供电,为系统主要电源;板载ST-Link与MCU采用SWD接口;8M Flash采用四线QSPI与MCU连接;SD卡采用三线SDMMC协议与MCU交互;E53扩展接口支持SPI、I2C、UART、ADC、DAC等协议;开发板自带1.44寸 LCD,属于 SPI 4-line 接口;通信模块扩展接口可接UART和SPI协议通信的通信模组;LED 灯、按键连接至 MCU 的 GPIO。
USB接口
开发板有一个USB接口,为USB ST-Link接口,作用为软件下载/调试/系统供电输入口,USB ST-Link接口除了给系统提供电源之外,还是开发板的下载接口,与STM32F103的USB接口相连接,用USB数据线连接至PC之后会映射出一个COM口设备,用来进行开发板和PC端之间的交互,打印开发板的调试信息、下载MCU程序、调试通信模组。STM32F103与MCU之间是通过SWD接口相连接,其原理图如下所示。
按键
开发板带有二个功能按键,和一个系统Reset按键。功能按键可以提供给开发者做功能定义开发,都是使用GPIO口,方向为输入,低电平有效。复位按键是直接接入STM32F103和MCU的硬件复位Pin,按下复位按键,系统自动重启复位。其原理图如下图所示。

LED指示灯
MCU开发板总计有3个LED灯,其中有1个电源指示LED灯(红色)上电就被点亮,1个下载调试LED灯(橙色)上电也常亮,当下载的时候会闪烁,1个提供给用户定义的LED灯(蓝色),都是接入MCU的GPIO,拉高IO口即可点亮。电源LED灯在USB供电正常之后会常亮,如果插入USB之后电源 LED没有被点亮,证明USB供电异常。其原理图如下图所示。

E53接口
开发板设计有E53接口的传感器扩展板接口,该接口可兼容所有E53接口的传感器扩展板,实现不同案例场景的快速搭建。该接口可接入UART、SPI、I2C、ADC等通信协议的传感器,其原理图如下图所示。

通信接口
开发板设计有通信扩展板的扩展接口,该接口可接入NB-IoT、2G、Wifi、Lora等不同通信方式的通信扩展板,以满足不同场景上云的需求,其原理图如下图所示。
LCD接口
4-Line SPI 是 LCD 显示屏的接口,其电路原理图接口定义如图 2‑8所示。开发板板载一个FPC材质的LCD屏幕,屏幕的分辨率为240*240。
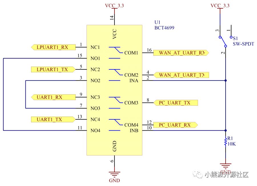
串口选择接口
如下图所示的当前状态为开发板上开关拨到 AT MCU 模式的状态,此时通信模块的串口与单片机的低功耗串口LPUART相连,可通过单片机的LPUART发送AT指令来操控通信模组;USB调试串口PC_UART与单片机的UART1相连,可通过单片机的UART1来输出单片机的运行日志。
当拨动开关后,即拨到AT PC模式,会导致LPUART和UART1悬空,通信模组的串口会被接到USB调试串口PC_UART,此时可使用PC端的串口助手软件发送AT指令来调试通信模组。


本文分享自微信公众号 - 小熊派开源社区(BearPi-Club)。
如有侵权,请联系 support@oschina.cn 删除。
本文参与“OSC源创计划”,欢迎正在阅读的你也加入,一起分享。
来源:oschina
链接:https://my.oschina.net/u/4445410/blog/4426190