摘要: 利用STC15F2K60S2芯片设计了一个大棚智能管理系统。系统利用Wi-Fi无线模块与机智云物联网平台互联,将传感器采集到的温湿度、光照强度、土壤湿度、营养物料含量以及二氧化碳浓度等信息传送到手机APP操作界面显示。实践证明该系统能够实现远程实时监控、自动补光、定时浇水以及肥料报警等功能。
关键词: STC15F2K60S2 无线模块 机智云物联网平台 实时监控
引言
本文以单片机(STC15F2K60S2)为核心,采用无线传输技术,设计了一个基于机智云物联网平台的大棚智能管理系统,用户可以通过APP实现远程实时监测和控制[1],并调节相关变量的限值,使大棚的温度、光照强度、土壤的湿度、二氧化碳的浓度更加合理。
1系统的硬件设计
系统由STC15F2K60S2单片机、光照模块、温湿度检测模块、CO2检测模块、土壤湿度检测模块、通风模块、风扇降温模块、自动浇水模块、报警模块、无线通信模块、机智云物联网平台、手机APP组成。
1.1主控电路
STC15F2K60S2单片机是一种新型单片机,其速度远超早期51单片机,内部具有高精度R/C时钟,常温下温飘也相对较低。单片机外部硬件接线如图2所示。芯片的14管脚(VCC)接+5V供电,16管脚接地实现给单片机供电。它的27、26、24管脚分别是运行指示、补光指示、加热指示,各自连接一个限流电阻保证LED的正常运行。而23、29管脚分别连接浇水水泵和风扇的继电器驱动端。
1.2 光强模块
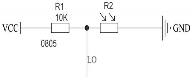
光敏电阻是一种随着光照强度改变阻值大小的元器件。在光照增强时,阻值变小;在光照减弱时,阻值增大[2]。通过光敏电阻的特性来开关灯源,从而实现自动补光功能。光敏电阻接线图如图3所示。在一定电压的条件下,当光照强度越大则电阻越小,对应的电流越大,反之则电流越小。电路中光敏电阻串联一个10K的电阻用来限流。单片机上的8管脚引出LO获得当下的电流值与限值作比较,只有当LO处所在电路的电流值小于预设值时,打开补光灯(LED6),其余情况补光灯关闭。
1.3 温度传感器模块
本设计采用DHT11温湿度传感器,内部分别置有测温器件和电阻式元器件用来连接内置的小型单片机,无需额外的多余部件,具有较高的精度和长期的稳定性[4-6]。传感器的1引脚接地,2引脚接+5V供电电源,3引脚接到单片机的22管脚作单向数据传输。

1.4 二氧化碳检测模块
MH-Z19是一种基于非色散红外(NDIR)原理的二氧化碳气体检测传感器,可以识别空气中的二氧化碳并检测其含量,具有使用期限长、灵敏度高且无氧气依赖性的特点。传感器外部4引脚接+5V电源,3引脚接地,2和1引脚分别是数字输出(DOUT)和模拟输出(AOUT),电路图如图5所示。同时,其器件内部含有温度补偿,可以实现数字与波形的输出,具有较高分辨率和较低功耗。

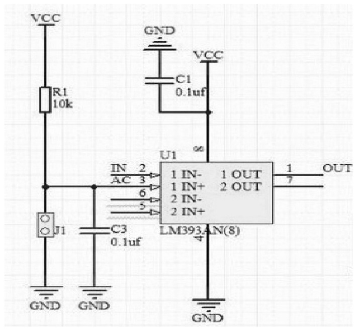
1.5 土壤湿度检测模块
YL69土壤湿度传感器,采用不锈钢防水探针,可以满足定点监测和在线测量。通过将传感器的两个插片插在土壤里,测得当前的土壤湿度值,通过IN端与LM393相连。LM393是一个比较器,通过R1设置一个标准值,当湿度大时,OUT端输出低电平,相反输出高电平。OUT信号可以直接用来粗略估算湿度大小,具体电路如图6所示。
1.6 Wi-Fi无线通信模块
无线通信模块采用
esp8266串口无线AP+STA”(COM-AP+STA)模式,既可以被其他的Wi-Fi设备连接,又可以连接到其他的无线网络,实现串口与其他设备之间的无线数据互传[6],具有低功耗、高集成度、超宽的工作温度的优点。芯片外部在RST和EN端分别串联一个10K的电阻;VCC端外接一个3.3V的降压芯片;UTXD、URXD直接与单片机的RXD、TXD连接,经测试通信正常。电路接线如图7所示。

1.7 窗户通气模块
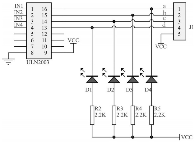
本设计采用ULN2003驱动步进电机实现窗户的开闭,具有电流较大且耐压能力强的特点。工作电压为5V,可直接与TTL以及CMOS电路直接相连,还能直接处理本需要标准逻辑缓冲器来处理的数据。芯片外部VCC接+5V电源,GND接地。IN1~IN4是ULN2003的四个输入控制信号端,高电平有效。它主要构成脉冲(驱动信号)给电机用。
1.8 机智云控制平台模块
机智云控制平台基于路由器与ESP8266 Wi-Fi模块相连,在更改相应的参数后,智能终端(APP)与串口模块绑定,可实现远程控制设备。本设计是以机智云作为第三方的物联网平台,用ESP8266无线模块连入机智云物联网平台,以此来实现APP远程控制设备。
2 系统的软件设计
主程序流程图如下所示
程序初始化(串口初始化、定时器初始化、用户协议初始化、机智云协议初始化、AD转换初始化)后进入循环。第一步进行按键扫描;第二步检测土壤湿度是否低于限值,若低于湿度限值则启动水泵浇水,10分钟后水泵自动停止,若没有低于土壤湿度限值则继续往下执行程序;
第三步检测空气温度是否超过上限值,若超过温度上限值则打开风扇降温并启动蜂鸣器报警,若没有达到温度上限值则继续检测温度是否低于下限值,若低于下限值则启动蜂鸣器报警,若没有低于下限值则继续往下执行;
第四步检测空气中的二氧化碳是否超过限值,若超过二氧化碳浓度限值则打开窗户通风并启动蜂鸣器报警,若没有达到二氧化碳浓度限值则继续往下执行程序;最后一步是检测光线亮度是否达到标准,若没有达到亮度标准则打开补光灯进行补光,若达到亮度标准则返回初始化,继续进行下一次循环。
3 系统调试
在模拟环境下对该系统进行调试,上位机实时控制界面。
上位机实时控制界面
总结
本文设计了一个基于机智云物联网平台的大棚管理控制系统。系统采用STC15F2K60S2单片机作为主控芯片,Wi-Fi芯片(ESP8266)作为物联网控制芯片,配合各功能模块的电路设计,用户可以通过安装智能手机应用程序远程实时监控。通过测试,该控制系统可以稳定、准确地进行远程实时监控。
来源:oschina
链接:https://my.oschina.net/iotgizwits/blog/4714809