1 JESD Core的时钟列举
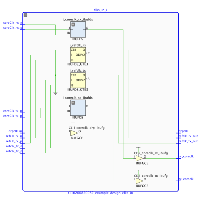
JESD TX (RX) Core的配置选择为Include Shared Logic in example design时,其时钟如下图所示:

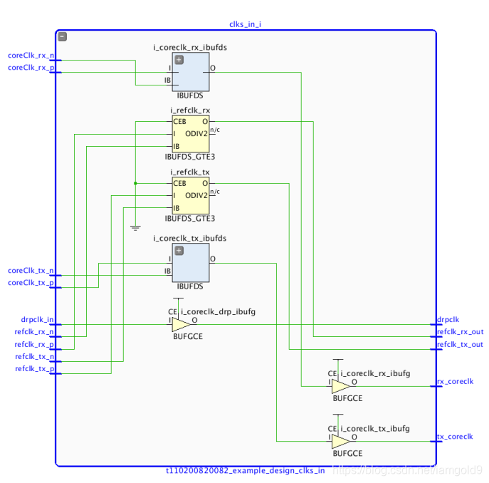
JESD TX (RX) Core的配置选择为Include Shared Logic in core时,其时钟如下图所示:

Include Shared Logic in core将JESD204 PHY、teansceiver differential refclk buffer和global clock buffers包括在JESD Core这个Core内部,而Include Shared Logic in example design是将上述三者包括在例程种。
JESD PHY Core的时钟如下图所示:

2 JESD Core的时钟框图
JESD TX(RX) Core时钟框图如下:

JESD PHY Core时钟框图如下:

3 JESD Core的时钟概述

来源:oschina
链接:https://my.oschina.net/u/2963604/blog/4540405