1.2音响系统放大器
文章目录
一、设计任务与要求
1.1.一般说明:
音响系统中的放大器决定了整个音响系统放音的音质、信噪比、频率响应以及音响输出功率的大小。高级音响中的放大器通常分为前置放大器和功率放大及电源等两大部分。
前置放大器又可分为信号前置放大器和主控前置放大器。信号前置放大器的作用是均衡输入信号并改善其信噪比;主控前置放大器的功能是放大信号、控制并美化音质;功率放大器及电源部分的主要功能是提供整机电源及对前置放大器来的信号作功率放大以推动扬声器。其组成框图如图所示:

1.2.设计任务:
设计一个音响系统放大器。具体要求如下:

二、方案设计与论证
本设计由语音放大器、电子混响器、混合前置放大器、音调控制器及功率放大器五部分组成。此设计方案具有使用元件少,电路简单明了等特点。
话筒放大器:由于话筒的输出信号一般只有5mV左右,所以话筒放大器的作用是不失真的放大声音信号,其输入阻抗应该远大于话筒的输出阻抗。
电子混响器:电子混响器是用电路模拟声音的多次反射,产生混响效果,使声音听起来具有一定的深度感和空间立体感。
混合前置放大器:将磁带放音机输出的音乐信号与电子混响后的声音信号混合放大 。
音调控制放大器:音调控制放大器的作用是实现对低音和高音的提升和衰减,以弥补扬声器等因素造成的频率响应不足。
功率放大器:给音响放大器的负载提供一定的输出功率。当负载一定时,希望输出功率尽可能大,输出信号的非线性失真度尽可能小,效率尽可能大。功率放大器有常见的单电源供电的TTL电路和正负双电源供电的OCL电路。有集成运放和晶体管组成的功率放大器,也有专用集成电路功率放大器芯片。
其工作原理如下:当语音信号由话筒输出后,进入语音放大器放大并传入电子混响器产生混响效果。混响后的信号连同磁带放音机产生的信号一同进入混合前置放大器,并进行放大。放大后的信号进入音调控制器,然后进入功率放大器进行功率放大后,由扬声器输出声音[1]。
晶体管放大器具有细腻动人的音色、较低的失真、较宽的频响及动态范围等特点,因此本设计采用晶体管件设计放大器。还可以配合来自声源特别是数码声源的音质而设计和使用。它不会使声音降级。此外它还具有效率高,电力损失小等优点。
2.1放大电路的比较与论证
方案一
采用uA741运算放大器设计电路,uA741通用高增益运算通用放大器,早些年最常用的运放之一,应用非常广泛,为双列直插8脚或圆筒8脚封装。工作电压±22V,差分电压±30V,输入电压±18V,允许功耗500mW。
方案二
采用LM324通用四运算放大器,双列直插8脚封装,内部包含四组形式完全相同的运算放大器,除电源共用外,四组运放相互独立。它有5个引出脚,其中“+”、“-”为两个信号输入端,“V+”、“V-”为正、负电源端,“Vo”为输出端。两个信号输入端中Vi-(-)为反相输入端,表示运放输出端Vo的信号与该输入端的位相反;Vi+(+)为同相输入端,表示运放输出端Vo的信号与该输入端的相位相同。
方案选取:
uA741是通用放大器,性能不是很好,满足一般需求,而LM324四运放大器具有电源电压范围宽,静态功耗小,可单电源使用,价格低廉等优点。本设计放大倍数不高,LM324能达到频响要求,故选用LM324四运放大器。
2.2 音频功率放大电路的比较与论证
方案一
采用SL34集成功率放大器, SL34是低电压集成音频功放,功耗低、失真小,工作电压为6V,8Ω负载时,输出功率在300mW以上。主要用于收音机及其它功放。
方案二
LM386是一种音频集成功放,具有自身功耗低、电压增益可调整、电源电压范围大、外接元件少和总谐波失真小等优点,广泛应用于录音机和收音机之中。LM386电源电压4–12V,音频功率0.5w。LM386音响功放是由NSC制造的,它的电源电压范围非常宽,最高可使用到15V,消耗静态电流为4mA,当电源电压为12V时,在8欧姆的负载情况下,可提供几百mW的功率。它的典型输入阻抗为50K。
方案三
TDA2030芯片所组成的功放电路,它是一款输出功率大,最大功率到达35W左右, 静态电流小,负载能力强,动态电流大既可带动4-16Ω的扬声器,电路简洁,制作方便、性能可靠的高保真功放,并具有内部保护电路。
方案选取:
本课题要求音响放大器的输出功率在10W,然而LM386达不到这功率,故选用TDA2030。频率响应fL~fH=50Hz~15kHz;而单电源供电音频功率放大器已经达到所需要的目标。并且它较少元件组成单声道音频放大电路、装置调整方便、性能指标好等特点。而BTL电路虽然也有以上的功能,但制作复杂,不利于维修。
2.3核心元件的介绍
2.3.1 LM324的介绍
LM324系列器件为价格便宜的带有真差动输入的四运算放大器。与单电源应用场合的标准运算放大器相比,它们有一些显著优点。该四放大器可以工作在低到3.0伏或者高到32伏的电源下,静态电流为MC1741的静态电流的五分之一。共模输入范围包括负电源,因而消除了在许多应用场合中采用外部偏置元件的必要性。
每一组运算放大器可用右下角的图所示的符号来表示,它有5个引出脚,其中“+”、“-”为两个信号输入端,“V+”、“V-”为正、负电源端,“Vo”为输出端。两个信号输入端中, Vi-(-)为反相输入端,表示运放输出端Vo的信号与该输入端的位相反;Vi+(+)为同相输入端,表示运放输出端Vo的信号与该输入端的相位相同。![[外链图片转存失败,源站可能有防盗链机制,建议将图片保存下来直接上传(img-hZB4nhq0-1592989785260)(F:\学习笔记\模电学习笔记\模拟电子技术课堂设计\1.2音响系统放大器.assets\wps30.jpg)]](https://img-blog.csdnimg.cn/20200624171553426.png)
图1 LM324引脚图
LM324的特点:
1.短跑保护输出
2.真差动输入级
3.可单电源工作:3V-32V
4.低偏置电流:最大100nA
5.每封装含四个运算放大器。
6.具有内部补偿的功能。
7.共模范围扩展到负电源
8.行业标准的引脚排列
- 输入端具有静电保护功能
2.3.2 TDA2030的介绍
TDA2030A是德律风根生产的音频功放电路,采用V型5 脚单列直插式塑料封装结构。如图2所示,按引脚的形状引可分为H型和V型。该集成电路广泛应用于汽车立体声收录音机、中功率音响设备,具有体积小、输出功率大、失真小等特点。并具有内部保护电路。意大利SGS公司、美国RCA公司、日本日立公司、NEC公司等均有同类产品生产,虽然其内部电路略有差异,但引出脚位置及功能均相同,可以互换。
电路特点:
1.外接元件非常少。
2.输出功率大,Po=18W(RL=4Ω)。
3.采用超小型封装(TO-220),可提高组装密度。
4.开机冲击极小。
5.内含各种保护电路,因此工作安全可靠。主要保护电路有:短路保护、热保护、地线偶然开路、电源极性反接(Vsmax=12V)以及负载泄放电压反冲等。
6.TDA2030A能在最低±6V最高±22V的电压下工作在±19V、8Ω阻抗时能够输出16W的有效功率,THD≤0.1%。无疑,用它来做电脑有源音箱的功率放大部分或小型功放再合适不过了。
图2 TDA2030A引脚图
1脚:正相输入端
2脚:反向输入端
3脚:负电源输入端
4脚:功率输出端
5脚:正电源输入端
三、单元电路设计与参数计算
3.1参数计算

(取63dB为留有一定的余量)
因为调谐器输入端≤100mV,
所以话筒放大器的放大倍数为:100/5=20=26dB
所以功率放大器的电压增益为:63dB-26dB=37dB
根据一般数据,选取均衡放大器的放大倍数为30dB
3.2单元电路设计
3.2.1话筒放大器
根据技术指标的要求,已知话筒放大器的输入灵敏度5mV,音调控制放大器的输入灵敏度100mV,而输出功率P。=10W,则可确定总的增益和各放大器的增益。

由于话筒的输出信号一般只有5mV左右,而输出阻抗达到20kΩ(亦有低输出阻抗的话筒如20Ω,200Ω等),所以话音放大器的作用是不失真地放大声音信号(最高频率达到10kHz)。其输入阻抗应远大于话筒的输出阻抗。

图4 话筒放大器
其中U1A组成同相放大器,具有很高的输入阻抗,能与高阻话筒配接作为话音放大器电路,其放大倍数U1A为四运放LM324的频带虽然很窄(增益为1时,带宽为1MHz),但这里放大倍数不高,故能达到10kHz的频响要求。
而混合前置放大器的作用是将磁带放音机输出音乐与电子混响后的声音信号混合放大。其电路如图 4所示,这是一个反相加法器电路,输出与输入电压的关系为

式中 V1为话筒放大器输出电压,V2为放音机的输出电压。
在语放输入端和录音输入端接2个音量控制电位 器R23和R10,分别控制声音和音量。
3.2.2音调控制放大器


图5 音调控制曲线
音调控制放大器的作用是实现对低音和高音的提升和衰减,以弥补扬声器等因素造成的频率响应不足。技术指标通常为:低音(100Hz)±12dB,高音(10kHz)±12dB。目前的高级音响设备大多已采用“多频段频率均衡”电路来达到更好地校正频响效果。音调控制放大器一般取它的中频增益为1,但要能满足音调的调节范围。根据对低频区fLx处和高频区fHx处的提升量或衰减量x(dB),再根据下式求转折频率fL2(或fL1)和fH1(或fH2),即

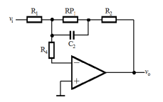
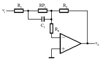
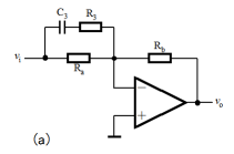
常用的音调控制电路有衰减式音调控制电路和反馈式音调控制电路两类,由于后者失真较小,所以应用较广。本系统采用反馈式音调控制电路如图6所示。
图6 音调控制放大电路
音调控制器只对低音和高音的增益进行提升与衰减,中音频的增益保持0dB不变。因此,音调控制器的电路可由低通滤波器与高通滤波器构成。由运算放大器构成的音调控制器,图6所示。这种电路调节方面,元器件较少,在一般收音机,音响放大器中应用较多。
具体分析:
当f<f0时,[外链图片转存失败,源站可能有防盗链机制,建议将图片保存下来直接上传(img-80VjTz2Y-1592989785325)(F:\学习笔记\模电学习笔记\模拟电子技术课堂设计\1.2音响系统放大器.assets\wps58.png)]可视为开路,作为低通滤波器。当R17的滑臂在最左端时,对应于低频提升最大的情况;
当R17滑臂在最右端时,对应于低频衰减最大的情况。电路是一个一阶有源低通滤波器。
其增益函数的表达式为:


R16的滑臂在最右端时,对应于高频衰减最大的情况。电路为一阶有源高通滤波器。
其增益函数的表达式为:

3.3功率放大电路的设计
功率放大器,简称“功放”。很多情况下主机的额定输出功率不能胜任带动整个音响系统的任务,这时就要在主机和播放设备之间加装功率放大器来补充所需的功率缺口,而功率放大器在整个音响系统中起到了“组织、协调”的枢纽作用,在某种程度上主宰着整个系统能否提供良好的音质输出。当负载一定时,希望其输出的功率尽可能大,其输出信号的非线性失真尽可能地小,效率尽可能高,功放的常见电路有OTL(Output Transformerless)电路和OCL(Output Capacitorless)电路。有用集成运算放大器和晶体管组成的功放,也有专用集成电路功放。
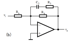
TDA2030A是SGS公司生产的单声道功放IC,该IC体积小巧,输出功率大,最大功率到达40W左右;并具有静态电流小(50mA以下),动态电流大(能承受3.5A的电流);负载能力强,既可带动4-16Ω的扬声器,某些场合又可带动2Ω甚至1.6Ω的低阻负载;音色中规中举,无明显个性,特别适合制作输出功率中等的高保真功放等诸多优点。![[外链图片转存失败,源站可能有防盗链机制,建议将图片保存下来直接上传(img-6gDIWLOP-1592989785379)(F:\学习笔记\模电学习笔记\模拟电子技术课堂设计\1.2音响系统放大器.assets\wps81.jpg)]](https://img-blog.csdnimg.cn/20200624172319431.png?x-oss-process=image/watermark,type_ZmFuZ3poZW5naGVpdGk,shadow_10,text_aHR0cHM6Ly9ibG9nLmNzZG4ubmV0L3dlaXhpbl80NDkwODE1OQ==,size_16,color_FFFFFF,t_70)
图7 功率放大电路
R18是音量调节电位器,C13是输入耦合电容,R19是TDA2030同相输入端偏置电阻。
R21、R22决定了该电路交流负反馈的强弱及闭环增益。图7的电路闭环增益为(R21+R22)/R21=(0.68+22)/0.68=33.3倍,C15起隔直流的作用,以使电路直流为100%负反馈。静态工作点稳定性好。
C16、C17为电源高频旁路电容,防止电路产生自激振荡。
D1、D2是保护二极管,防止输出电压峰值损坏集成块TDA2030。
四、总原理图及元器件清单
4.1 总原理图
![[外链图片转存失败,源站可能有防盗链机制,建议将图片保存下来直接上传(img-p7yRhBK9-1592989785380)(F:\学习笔记\模电学习笔记\模拟电子技术课堂设计\1.2音响系统放大器.assets\wps82.jpg)]](https://img-blog.csdnimg.cn/20200624172343157.png?x-oss-process=image/watermark,type_ZmFuZ3poZW5naGVpdGk,shadow_10,text_aHR0cHM6Ly9ibG9nLmNzZG4ubmV0L3dlaXhpbl80NDkwODE1OQ==,size_16,color_FFFFFF,t_70)
图8 总原理图
4.2 元件清单
| 元件序号 | 型号、主要参数 | 数量 | 备注 |
|---|---|---|---|
| R1, R5, R7, R8,R24,R25 | RESISTOR_RATED, 10kOhm | 4 | |
| POWER_SOURCES, GROUND | |||
| C3 | CAPACITOR_RATED, 10uF | 1 | |
| R2, R4, R11 | RESISTOR_RATED, 100kOhm | 3 | |
| R3, R20 | RESISTOR_RATED, 1kOhm | 2 | |
| C2, C4, C5, C6,C8, C12 | CAPACITOR_POL_RATED, 10uF | 6 | |
| Rf | RESISTOR_RATED, 200kOhm | 1 | |
| R6, R9 | RESISTOR_RATED, 30kOhm | 2 | |
| VCC | POWER_SOURCES, VCC | 1 | |
| C1, C7, C13 | CAPACITOR_POL_RATED, 1uF | 3 | |
| V1 | AC_VOLTAGE, 5mVpk 1kHz 0_uc100b0 | 1 | |
| V2 | AC_VOLTAGE, 200mVpk 1kHz 0_uc100b0 | 1 | |
| R12, R13, R14 | RESISTOR_RATED, 47kOhm | 3 | |
| R15 | RESISTOR_RATED, 13kOhm | 1 | |
| C9, C10 | CAPACITOR_RATED, 0.01uF | 2 | |
| C11 | APACITOR_RATED, 470pF | 1 | |
| R16, R17 | POTENTIOMETER, 470kOhm | 2 | |
| R10, R18, R23 | POTENTIOMETER, 10kOhm | 3 | |
| D1, D2 | DIODES_VIRTUAL, DIODE | 2 | |
| R19, R21 | RESISTOR_RATED, 22kOhm | 2 | |
| C14 | CAPACITOR_RATED, 0.22uF | 1 | |
| C16, C17 | CAPACITOR_RATED, 0.1uF | 2 | |
| C15 | CAPACITOR_POL_RATED, 22uF | 1 | |
| VEE | POWER_SOURCES, VEE | 1 | |
| R22 | RESISTOR_RATED, 680 Ohm | 1 | |
| U1, U2, U3 | OPAMP, LM324AD | 3 | |
| U4 | OPAMP, TDA2030 | 1 | |
五、安装与调试(没有进行安装调试的这部分写电路中参数的选择与计算)
5.1话筒放大器的参数确定

5.2音调放大器的参数确定



5.3功放参数选择
①输出功率要大于额定功率:
所以电源电压要大于22V,取25~30V。
②功率放大器的增益及频率特性:
(a)选取R22 R22的取值范围一般在几十欧至几千欧均可,本例选取R22=680Ω。
(b)确定R21 根据前述可知,功率放大器的中频增益应大于37dB,为留有一定余量,可取40dB,即l00倍,可求得R21=680kΩ。
©确定C15 因为TDA2030芯片的下限频率为40Hz,所以由R22、C15形成的低频转折频率应<<40Hz,若取4Hz,可得C15等于47uF。
(d)选取R21 已知R20=68千欧,所以R20=R21/4=17KΩ。
(e)确定C16为本任务的上限频率为15kHz,故本网络形成频率应大于15kHz,取20kHz得C16等于0.1uF。
(f)确定R14 可取C14=0.22uF
把以上三种电路,用耦合电容总体方框图的连接起来,即组成了一个如图8所示的完整的音响系统放大装置。
其工作原理如下:当语音信号由话筒输出后,进入语音放大器放大并传入电子混响器产生混响效果。混响后的信号连同磁带放音机产生的信号一同进入混合前置放大器,并进行放大。放大后的信号进入音调控制器,然后进入功率放大器进行功率放大后,由扬声器输出声音。
六、性能测试与分析
6.1静态工作点测试
接上电源(次级为12伏),不带负载情况下接通电源,测试滤波电容两端输出电压应为14v左右。若出现异常应该立即断电。
6.2额定功率测试

式中,RL为额定负载阻抗;Vo(有效值)为RL两端的最大不失真电压。
测量Po的条件如下:
音响放大器输入信号的频率fi=1kHz,电压Vi=5mV,接到音频放大器的声道输入端。音调控制器的两个电位器RP1、RP2置于中间位置,音量控制电位器置于最大值,用双踪示波器观测vi及vo的波形,失真度测量仪监测vo的波形失真。功率输出端接上示波器、毫伏表 。
图9 测试的接法
测量Po的步骤是:
功率放大器的输出端接4Ω负载(代替扬声器),逐渐增大输入电压Vi,直到vo的波形刚好不出现削波失真(或<3%),此时对应的输出电压为最大输出电压,即可算出额定功率Po。 调节音量电位器,使输出信号失真度THD=1%时,测出功率放大器的输出电压Vo的值,由公式P=Vo^2/4计算放大器的最大输出功率。
6.3音调控制特性测试
测试步骤:首先把混合前置放大器与音调控制电路断开,独立测试音调控制特性,用函数信号发生器发出信号,通过改变信号的输出频率模仿高低频信号,输入信号vi从音调控制级输入端的耦合电容加入,输出信号v0从输出端的耦合电容引出。先测1kHz处的电压增益Av0(Av0=0dB),再分别测低频特性和高频特性。
测低频特性是将R17的滑臂分别置于最左端和最右端,频率从20Hz至1kHz变化,记下对应的电压增益。
同样,测高频特性是将R16的滑臂分别置于最左端和最右端,频率从1kHz至50kHz变化,记下对应的电压增益。
6.4频率特性测试
放大器的电压增益对于中音频f0(1kHz)的电压增益下降3dB时所对应的低音频率fL和高音频率fH称为放大器的频率响应。
测量条件:调节电位器使输出电压约为最大输出电压的50%。
测量步骤:话筒放大器的输入端接Ui=5mV,输出端接音调控制器,使信号发生器的输出频率fi从125Hz-20kHz变化(保持Ui=5 mV不变),测出负载电阻RL上对应的输出电压U0,找出上下限频率fL和fH,求出通频带BW=FH-fL。
6.5输入阻抗
从音响放大器输入端(如话筒放大器输入端)看进去的阻抗称为输入阻抗Ri。如果接高阻的话筒,Ri应远大于20k。接电唱机,Ri应远大于500k。Ri的测量方法与放大器的输入阻抗测量方法相同。
6.6输入灵敏度
使音响放大器输出额定功率时所需的输入电压(有效值)称为输入灵敏度。测量条件与额定功率的测量相同,测量方法是,使Ui从零开始逐渐增大直到U0达到额定功率值时对应的电压值,此时对应的Ui值即为输入灵敏度。
6.7整机效率
hη=(P0/Pc)×100%
P0——输出的额定功率; Pc——输出额定功率时所消耗电源功率。
6.8仿真结果
(1)话音放大器输出波形
(2)音调控制电路输出波形
频率为100HZ,R17的滑臂在最左端时,对应低频信号衰减最大:
频率为100HZ,R17的滑臂在最右端时,对应低频信号提升最大:
频率为10kHZ,R16的滑臂在最左端时,对应高频信号衰减最大:
频率为10kHZ,R16的滑臂在最右端时,对应高频信号提升最大:
(3)功率放大器输出波形
(4)失真仪:

七、结论与心得
我觉得这次课程设计比以往的课程设计要难很多,在设计电路的过程中,觉得我们在课堂上学到的理论与实践差很多,所以设计本次电路,遇到了不少困难。在这其间,查找资料,与同学交流等,每一个过程都是对自己能力的一次检验和充实。通过这次实践,我了解了音频功率放大器用途及工作原理,熟悉了音频功率放大器的设计步骤,锻炼了设计实践能力,培养了自己独立设计能力。这次的课程设计让我学会了如何查找和筛选资料的能力,而且这是对模电课中学到的内容的一种提升,同时我对multism软件的功能又有的进一步的了解。同时课程设计也暴露出自己专业基础的很多不足之处,比如缺乏综合应用专业知识的能力,对元件的不了解等等。
在这次设计中最大的感受就是模电几乎都忘记了,通过这次课程设计我的模电知识又有了进一步的提高。这次课设对我们的现在以及将来的学习、工作都是有很大帮助的,而且使我学会了分析设计电路的思维模式,大大提高了动手实践能力。同时也提高了我们查阅资料的方法,以及自己处理设计电路的能力。自己能明显的感觉到在设计个过程中自己的思路变的开阔,并对各元器件的的连接和处理有了新的认识。刚开始,看到题目好难,一点头绪都没有,经过上网查了一下资料,才有了点头绪,于是我通过查找资料把各级的图画好,后来在组合过程中也遇到了不少困难,经过慢慢调试后,波形才慢慢出来。总的来说,此次课程计是对我专业知识和专业基础知识一次实际检验和巩固,同时也是走向工作岗位前的一次热身。
八、参考文献
[1] 李继凯:《模拟电子技术及应用》,科学出版社,2013
[2]http://www.docin.com/p-251107581.html?qq-pf-to=pcqq.c2c
[3]http://wenku.baidu.com/link?url=vSR3pZVzDsBkKAXP-4TGuCrTkncHC2q9FW6XcUFdnyH08YmCMMHBqOGwg8_tI5qPDGI0oKebtGzvTCF-cug9_4tQu9_wXU4EO-XiytajWie
[4]http://www.doc88.com/p-493544362085.html
[5]http://www.geekfans.com/article-4073-1.html
来源:oschina
链接:https://my.oschina.net/u/4381686/blog/4325763