前言
在网文 「An Electronic Mesurement of the Boltzmann's Constant Using I-V Characterisctic of a Silicon 2N2309 Diode」[1] 中介绍了使用三极管2N3094来测量 「Boltzmann Constant」的方法。
由于这个方法简便易行,所使用的设备也是大多数电子实验室都具备,所以称为很多电子类课程中,学生喜欢做的电子实验。

▲ Ludwig Boltzmann(1844-1904) 以及Maxwell-Boltzmann 分布
玻尔兹曼常数(Boltzmann constant),通常使用 表示,是指有关于温度及能量的一个物理常数。玻尔兹曼是一位奥地利物理学家,在统计力学的理论有重大贡献,玻尔兹曼常数具有相当重要的地位。

▲ Boltzmann常数 01实验及数据分析1.基于2N3904的Boltzmann常数
在PN结两边,存在一个由电子-空穴扩散而形成的耗散区,以及伴随着的接触电位 区,只有热量动能超过 的电子才能够从n型区域穿越到p型区域。根据统计力学原理,处在热平衡下电子的动能分布遵循 「玻尔兹曼分布」[2] 。具有能量为 的概率为:

其中 是漂移电流, 是比例常数, 是温度, 是玻尔兹曼常数。

▲ PN结的结构示意图
这股漂移电流在耗散区建立一个电场 。到外部电压 施加在PN结,产生电场 ,产生电流:

这样,外部总电流为:

在推文开始提到的文章中,使用 「2N3904」[3] 测试二极管的I-V特性。对于2N23904的电流放大和转换,选择了 「LF356」运放进行I-V转换。LF356的偏置电压为10mA和偏置电流为30pA。
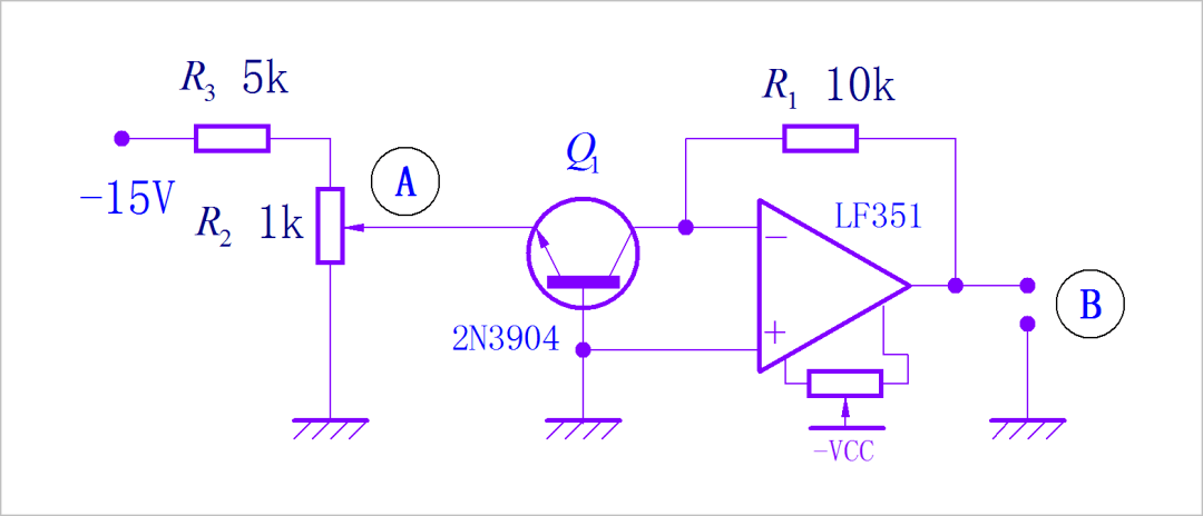
下面是实验所使用的电路图。根据 「Measurement of Boltzmann's constant」[4] 文献中描述,测量A,B两点的电压,便可以建立起 的发射结对应的电压与电流之间的关系。

▲ 基于2N3904的PN结测量Boltzmann常数
后级的 「LF351」[5] 组成电流-电压转换电路,根据电路中的参数,B点的电压与流经 集电极电流之间的关系为: 。

▲ JFET输入的OPAMP-LF351运放
在实验中,使用 「DP1308可编程直流电源」[6] 的-25V输出电压串联一个10kΩ电阻做为A点给定电源。使用 「FLUKE45」测量A点电位,使用 「DM3068」位数字万用表测量B点的电压并自动记录。
2. 测量数据分析
设置数字直流电源DP1308输出电压从**-0.2到-10V**,同时测量A,B两点的电压变化,并换算成PN结的电压-电流关系,绘制如下。

▲ 测量输入电压与电流曲线
利用模型(3)匹配上述测量数据,将模式简化成下带有参数[a,b,c]的指数函数关系,利用前面测量的PN结I-V数据,使用SCIPY.OPTIMIZE中的curve_fit函数进行函数拟合,获得参数[a,b,c]的数值。
测量参数为:
❝ ❞
由模式(3)可以知道,参数b与Boltzmann常数之间的关系:

将常数e, T = 300(27摄氏度)代入上面公式,可以得到:
这个数值比现在测到得到精确的Botlzmann常数大了1.9%左右。在上述时间条件下,这个数值非常精确了。
3. 基于NPN 8050测试Boltzmann常数
将前面所使用的三极管2N3904更换成另外一款NPN性的硅三极管8050,使用相同的测试方案完成8050的b-e结的电压-电流测试,所得到的数据曲线如下:

▲ 测试NPN8050的发射极PN结的I-V曲线
使用相同的方法进行建模,并计算参数:
这个数值比精确Boltzmann常数大了3.29%。
4. 将2N3904的C.E对换测量
测量三级管b-c之间的PN结的电压与电流曲线。在上述实验中将2N3904的c,e管脚互换,测量得到的PN结电流-电压曲线如下:

▲ 2N3904的BC的PN结的电压与电流关系
这个结果比精确Boltzmann常数大了14.2%。
5. 只使用2N3904的b-e的PN结进行测量

▲ 直接对2N3904 b-e PN结测量对应的电压与电流之间的关系曲线
根据测量的电压电流曲线,可以得到对应的模型参数和Boltzmann常数如下:
这个数值比起精确的Boltzmann常数的数值高了78.1%。

▲ 2N3904的B-E结的I-V曲线 02二极管的分段特性对结果的影响
在博文 「二极管极低电流I-V特性测量」[7] 中,给出了二极管PN结的分段指数特性,即模型(3)中的电流 在不同的前向电流的情况下取值是不同相同,这个变化也会导致测量的Boltzmann常数发生变化。
在实验[02-1]中,选择不同测量数据的来拟合估算Boltzmann常数会产生一定的变化。下面选择2N3904测量数据中,从数据编号n=10(对应电流:0.06mA)开始,结束数据编号n从50变化到100,使用模型(3)计算相应的Boltzmann常数,对应的误差曲线如下:

▲ 不同的二极管电流计算Boltzmann常数误差变化
从数值计算结果来看,使用前面数据测量范围(10~78),对应电流(0.06mA变化到0.7mA)时,测到得到的Boltzmann的误差最小。
※ 结论1.PN测量不同方案比较
使用相同的PN结的模型,对于四种不同的方案测量了Boltzmann常数,其中包括有两种不同型号硅NPN双极性三极管,三极管的b-e,b-c结的测量,以及直接测量b-e的PN结电压电流的情况。
| 序号 | 方法描述 | Boltzmann常数 | 误差(%) |
|---|---|---|---|
| 1 | 2N3904的b-e的PN结 | 1.406e-23 | 1.87% |
| 2 | 8050的b-e的PN结 | 1.426e-23 | 3.29% |
| 3 | 2N3904的b-c的PN结 | 1.577e-23 | 14.24% |
| 4 | 2N3904的b-e的PN结 直接测量 | 2.459e-23 | 78.09% |
通过前面的实验,可以看到使用2N3904基极接地的配置,测量的结果误差最小。更换NPN晶体管为8050,测量的结果偏大一些。如果将2N3904的C,E极进行对换,虽然从晶体管的结构上是对称的,但是结果误差更大。
由于PN结电压-电流模型中的参数随着电流不同,导致PN结附近半导体内部的电子与空闲运动模式变化,从而使得模型参数也发生变化。所以使用不同电流范围数据,测量数的Boltzmann的数据有所变化
2.参考文献
-
「Measurement of Boltzmann's constant」[4] . Phys. Educ. 20 1996. Printed in Great Britain.

▲ 测试电路方案 Reference
[1]
「An Electronic Mesurement of the Boltzmann's Constant Using I-V Characterisctic of a Silicon 2N2309 Diode」: http://physics.sfsu.edu/~skann/diodexp.pdf
[2]
「玻尔兹曼分布」: https://casper.ssl.berkeley.edu/astrobaki/index.php/Boltzmann_distribution
[3]
「2N3904」: https://www.onsemi.com/pub/Collateral/2N3903-D.PDF
[4]
「Measurement of Boltzmann's constant」: http://pleclair.ua.edu/PH255/papers/Planck-Boltzmann/measure_e-k-2.pdf
[5]
「LF351」: https://www.st.com/resource/en/datasheet/lf351.pdf
[6][7]
作者:卓晴
来源:oschina
链接:https://my.oschina.net/u/2963604/blog/4479971