9.按键
共有1个系统复位按键(KEY0:FULL RESET),1个热复位按键(KEY6:WARM RESET),2个DSP端的用户按键(KEY1:NMI,KEY2:USER0),3个FPGA端的用户按键(KEY3:USER1,KEY4:USER2;KEY5:USER3),硬件及引脚定义如下图:

图 17 FULL RESEET

图 18 系统复位按键

图 19 各按键对应位置

图 20 热复位按钮

图 21 DSP端的用户按键

图 22 FPGA端的用户按键
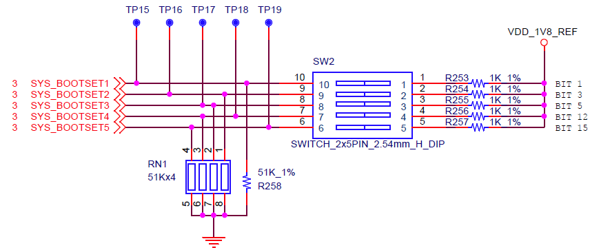
10.启动拨码开关
SW2设有5位启动拨码开关,如下图方向放置,当拨码拨至ON的一端表示为1,硬件及引脚定义如下图:

图 23

图 24

图 25
11.JTAG接口
开发板引出3个JTAG接口,DSP端2个(CON5:MIPI、CON6:TI Rev B JTAG),FPGA端1个(CON8:FPGA JTAG),硬件及引脚定义如下图:

图 26

图 27 MIPI

图 28 TI Rev B JTAG

图 29 FPGA JTAG
12.串口
开发板上共引出了3个串口,分别是CON9、CON10和CON12。DSP端2个,CON9是UART0,使用CH340转成Micro USB接口;CON10是UART1,为RS485串口。FPGA端1个,CON12是UART,使用CH340转成Micro USB接口,硬件及引脚定义如下图:

图 30 DSP端串口

图 31

图 32 FPGA端串口

图 33

图 34 DSP RS485

图 35
来源:oschina
链接:https://my.oschina.net/u/4169033/blog/4397237