处理器
TI AM437x是一款高性能嵌入式32位工业级Cortex-A9处理器。拥有多种工业接口资源,以下是AM437x CPU资源框图:

RGMII千兆以太网口
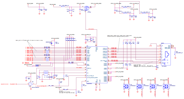
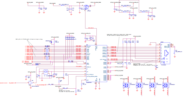
开发板配备了两个RGMII千兆以太网口CON19和CON20,采用了KSZ9031RNXI网络芯片,可自适应10/100/1000M网络,RJ45连接头内部已经包含了耦合线圈,因此不必另接网络变压器,使用普通的直连网线即可连接本开发板至路由器或者交换机,若是PC和开发板直接相连需要使用交叉网线。网络接口的接口定义如下图:



来源:oschina
链接:https://my.oschina.net/u/4169033/blog/4304292