原文地址:https://www.cnblogs.com/corvoh/p/5595130.html
最近临近期末的C语言课程设计比平时练习作业一下难了不止一个档次,第一次接触到了C语言的框架开发,了解了View(界面层)、Service(业务逻辑层)、Persistence(持久化层)的分离和耦合,一种面向过程的MVC的感觉。
而这一切的基础就在于对链表的创建、删除、输出、写入文件、从文件读出......
本篇文章在于巩固链表的基础知识(整理自《C语言程序设计教程--人民邮电出版社》第十章——指针与链表),只对链表的概念及增删改查作出探讨,欢迎指教。
一、链表结构和静态/动态链表
二、单链表的建立与遍历
三、单链表的插入与删除
四、双向链表的概念
五、双向链表的建立与遍历
六、双向链表的元素查找
七、循环链表的概念
八、合并两个链表的实例
九、链表实战
拓展思维、拉到最后去看看 (•̀ᴗ•́)و ̑̑
一、链表结构和静态/动态链表
链表是一种常见的数据结构——与数组不同的是:
1.数组首先需要在定义时声明数组大小,如果像这个数组中加入的元素个数超过了数组的长度时,便不能正确保存所有内容;链表可以根据大小需要进行拓展。
2.其次数组是同一数据类型的元素集合,在内存中是按一定顺序连续排列存放的;链表常用malloc等函数动态随机分配空间,用指针相连。
链表结构示意图如下所示:

在链表中,每一个元素包含两个部分;数据部分和指针部分。数据部分用来存放元素所包含的数据,指针部分用来指向下一个元素。最后一个元素的指针指向NULL,表示指向的地址为空。整体用结构体来定义,指针部分定义为指向本结构体类型的指针类型。
静态链表需要数组来实现,即把线性表的元素存放在数组中。数组单元存放链表结点,结点的链域指向下一个元素的位置,即下一个元素所在数组单元的下标。这些元素可能在物理上是连续存放的,也有可能是不连续的,它们之间通过逻辑关系来连接——这就要涉及到数组长度定义的问题,实现无法预知定义多大的数组,动态链表随即出现。
动态链表指在程序执行过程中从无到有地建立起一个链表,即一个一个地开辟结点和输入各结点的数据,并建立起前后相连的关系。
二、单链表的建立与遍历
单链表中,每个结点只有一个指针,所有结点都是单线联系,除了末为结点指针为空外,每个结点的指针都指向下一个结点,一环一环形成一条线性链。
链表的创建过程:

接下来在源码中建立并遍历输出一个单链表。
#include <stdio.h>
#include <stdlib.h>
#include <malloc.h>
/*单向链表*/
struct Student/*建立学生信息结构体模型*/
{
char cName[20];/*学生姓名*/
int iNumber;/*学生学号*/
struct student *next;/*指向本结构体类型的指针类型*/
};
int iCount;/*全局变量表示链表长度*/
struct Student *Create();/*创建链表函数声明*/
void print(struct Student *);/*遍历输出链表函数声明*/
int main()
{
int insert_n=2;/*定义并初始化要插入的结点号*/
int delete_n=2;/*定义并初始化要删除的结点号*/
struct Student *pHead;/*声明一个指向学生信息结构体的指针作pHead为头结点传递*/
pHead=Create();/*创建链表,返回链表的头指针给pHead*/
print(pHead);/*将指针pHead传入输出函数遍历输出*/
return 0;
}
struct Student *Create()
{
struct Student *pHead=NULL;/*初始化链表,头指针为空*/
struct Student *pEnd,*pNew;
iCount=0;/*初始化链表长度*/
pEnd=pNew=(struct Student *)malloc(sizeof(struct Student));/*动态开辟一个学生信息结构体类型大小的空间,使得pEnd和pNew同时指向该结构体空间*/
scanf("%s",pNew->cName);/*从输入流获取第一个学生姓名*/
scanf("%d",&pNew->iNumber);/*从输入流获取第一个学生学号*/
while(pNew->iNumber!=0)/*设定循环结束条件——学号不为0时*/
{
iCount++;/*链表长度+1,即学生信息个数+1*/
if(iCount==1)/*如果链表长度刚刚加为1,执行*/
{
pNew->next=pHead;/*使指针指向为空*/
pEnd=pNew;/*跟踪新加入的结点*/
pHead=pNew;/*头结点指向首结点*/
}
else/*如果链表已经建立,长度大于等于2时,执行*/
{
pNew->next=NULL;/*新结点的指针为空*/
pEnd->next=pNew;/*原来的结点指向新结点*/
pEnd=pNew;/*pEnd指向新结点*/
}
pNew=(struct Student *)malloc(sizeof(struct Student));/*再次分配结点的内存空间*/
scanf("%s",pNew->cName);/*从输入流获取第一个学生姓名*/
scanf("%d",&pNew->iNumber);/*从输入流获取第一个学生学号*/
}
free(pNew);/*释放结点空间*/
return pHead;/*返回创建出的头指针*/
}
void print(struct Student *pHead)
{
struct Student *pTemp;/*定义指向一个学生信息结构体类型的临时指针*/
int iIndex=1;/*定义并出事哈变量iIndex,用来标识第几个学生(信息)*/
printf("总共%d个学生(信息):\n",iCount);
pTemp=pHead;/*指针得到首结点的地址*/
while(pTemp!=NULL)/*当临时指针不指向NULL时*/
{
printf("第%d个学生信息:\n",iIndex);
printf("姓名:%s",pTemp->cName); /*输出姓名*/
printf("学号:%d",pTemp->iNumber);/*输出学号*/
pTemp=pTemp->next;/*移动临时指针到下一个结点*/
iIndex++;/*进行自加运算*/
}
}
三、单链表的插入与删除
在本实例中,插入时根据传递来的学号,插入到其后。
删除时根据其所在链表的位置,删除并释放该空间。
主函数增加如下:
int main()
{
int insert_n=2;/*定义并初始化要插入的结点号*/
int delete_n=2;/*定义并初始化要删除的结点号*/
struct Student *pHead;/*声明一个指向学生信息结构体的指针作pHead为头结点传递*/
pHead=Create();/*创建链表,返回链表的头指针给pHead*/
pHead=Insert(pHead,insert_n);/*将指针pHead和要插入的结点数传递给插入函数*/
print(pHead);/*将指针pHead传入输出函数遍历输出*/
Delete(pHead,delete_n);/*将指针pHead和要删除的结点数传递给删除函数*/
print(pHead);/*将指针pHead传入输出函数遍历输出*/
return 0;
}
插入函数:
struct Student *Insert(struct Student *pHead,int number)
{
struct Student *p=pHead,*pNew;/*定义pNew指向新分配的空间*/
while(p&&p->iNumber!=number)
p=p->next;/*使临时结点跟踪到要插入的位置(该实例必须存在学号为number的信息,插入其后,否则出错)*/
printf("姓名和学号:\n");
/*分配内存空间,返回该内存空间的地址*/
pNew=(struct Student *)malloc(sizeof(struct Student));
scanf("%s",pNew->cName);
scanf("%d",&pNew->iNumber);
pNew->next=p->next;/*新结点指针指向原来的结点*/
p->next=pNew;/*头指针指向新结点*/
iCount++;/*增加链表结点数量*/
return pHead;/*返回头指针*/
}
删除函数:
void Delete(struct Student *pHead,int number)
{
int i;
struct Student *pTemp;/*临时指针*/
struct Student *pPre;/*表示要删除结点前的结点*/
pTemp=pHead;/*得到链表的头结点*/
pPre=pTemp;
for(i=0;i<number;i++)
{/*通过for循环使得Temp指向要删除的结点*/
pPre=pTemp;
pTemp=pTemp->next;
}
pPre->next=pTemp->next;/*连接删除结点两边的结点*/
free(pTemp);/*释放要删除结点的内存空间*/
iCount--;/*减少链表中的结点个数*/
}
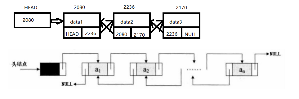
四、双向链表的概念
双向链表基于单链表。单链表是单向的,有一个头结点,一个尾结点,要访问任何结点,都必须知道头结点,不能逆着进行。而双链表添加了一个指针域,通过两个指针域,分别指向结点的前结点和后结点。这样的话,可以通过双链表的任何结点,访问到它的前结点和后结点。
在双向链表中,结点除含有数据域外,还有两个链域,一个存储直接后继结点的地址,一般称为右链域;一个存储直接前驱结点地址,一般称之为左链域。
双向链表结构示意图:

五、双向链表的建立与遍历
双向链表的源码实战和单链表类似,只是多了第二个指针域的控制,这里直接贴上没有注释的源代码。
#include <stdio.h>
#include <stdlib.h>
#include <malloc.h>
#define N 10
typedef struct Node
{
char name[20];
struct Node *llink,*rlink;
}STUD;
STUD *creat(int);void print(STUD *);
int main()
{
int number;
char studname[20];
STUD *head,*searchpoint;
number=N;
head=creat(number);
print(head);
printf("请输入你要查找的人的姓名:");
scanf("%s",studname);
searchpoint=search(head,studname);
printf("你所要查找的人的姓名是:%s",*&searchpoint->name);
return 0;
}
STUD *creat(int n)
{
STUD *p,*h,*s;
int i;
if((h=(STUD *)malloc(sizeof(STUD)))==NULL)
{
printf("不能分配内存空间");
exit(0);
}
h->name[0]='\0';
h->llink=NULL;
h->rlink=NULL;
p=h;
for(i=0;i<n;i++)
{
if((s=(STUD *)malloc(sizeof(STUD)))==NULL)
{
printf("不能分配内存空间");
exit(0);
}
p->rlink=s;
printf("请输入第%d个人的姓名",i+1);
scanf("%s",s->name);
s->llink=p;
s->rlink=NULL;
p=s;
}
h->llink=s;
p->rlink=h;
return(h);
}
void print(STUD *h)
{
int n;
STUD *p;
p=h->rlink;
printf("数据信息为:\n");
while(p!=h)
{
printf("%s ",&*(p->name));
p=p->rlink;
}
printf("\n");
}
六、双向链表的元素查找
查找函数 STUD *search(STUD *,char *);
STUD *search(STUD *h,char *x)
{
STUD *p;
char *y;
p=h->rlink;
while(p!=h)
{
y=p->name;
if(strcmp(y,x)==0)
return(p);
else
p=p->rlink;
}
printf("没有查到该数据!");
}
七、循环链表的概念
类似于单链表,循环链表也是一种链式的存储结构,由单链表演化而来。
单链表的最后一个结点的指针指向NULL,而循环链表的最后一个结点的指针指向链表头结点。
这样头尾相连,形成了一个环形的数据链。
循环链表的建立不需要专门的头结点。
判断循环链表是否为尾结点时,只需判断该节点的指针域是否指向链表头节点。
八、合并两个链表的实例
建立两个带头节点的学生链表,每个节点包含学号、姓名和成绩,链表都按学号升序排列,将它们合并为一个链表仍按学号升序排列。
算法分析:
合并链表用merge()函数实现。函数中定义3个工作指针a、b、c,其中a、b分别指向La链表、Lb链表的当前结点,C指向合并后的链表尾结点。合并后链表的头结点共用La链表的头结点。
①合并前,先让a和b分别指向两个链表的第一个结点,c指向La链表的头结点。
②合并时应该分3种情况讨论,即La和Lb都没有处理完;La没处理完,但Lb处理完毕;Lb没处理完,但La处理完毕。
③合并过程中应始终将La和Lb链表中较小的一个链接在Lc中,方能保持有序。
void merge(struct stud *La,struct stud *Lb)
{
struct stud *a,*b,*c;
c=La;
a=La->next;/* 合并前 */
b=Lb->next;
while(a!=NULL && b!=NULL)/* La和Lb都没处理完 */
{
if(a->num <= b->num)
{
c->next=a;
c=a;
a=a->next;
}
else
{
c->next=b;
c=b;
b=b->next;
}
}
if(a!=NULL)
c->next=a;/* 若La没有处理完 */
else
c->next=b;/* 若Lb没有处理完 */
free(Lb); /* 释放Lb的头结点 */
}
九、实战
亲自将《C语言程序设计教程--人民邮电出版社》第十章——综合实例影片信息管理系统补成一个完整的程序。
#include <stdio.h>
#include <stdlib.h>
#include <string.h>
// 没有
// 每重新进一次main(),都产生一层函数嵌套,很多次后会发生什么
typedef struct Movie
{
int id;/*影片编号*/
char name[20];/*影片名称*/
char director[10];/*导演*/
char actor[20];/*主演*/
char date[10];/*上映日期*/
float score;/*影片评分*/
struct Movie *next;/*指向下一个节点的指针*/
}Film;
int iCount;
Film *pMain=NULL;
void menu();/*菜单*/
Film *Create();/*创建链表函数声明*/
void printAll(Film *head);/*显示所有影片的信息*/
Film *findFilm(Film *,int);/*查询影片信息*/
void printFilm(Film *Film);/*输出单个影片信息*/
void modifyFilm(Film *,int);/*修改影片信息*/
void deleteFilm(Film *,int);/*删除影片信息*/
/* 统计链表长度,这里由iCount代替 */
//int length(Film *);/*显示影片总数*/
int main()
{
menu();
return 0;
}
void menu()
{
int choice;
int id;
printf("\n\n");
printf("\t------------------------------------\n");
printf("\t| 欢迎使用影片信息管理系统 |\n");
printf("\t------------------------------------\n");
printf("\t| 1-录入影片信息 |\n");
printf("\t| 2-查询影片信息 |\n");
printf("\t| 3-修改影片信息 |\n");
printf("\t| 4-删除影片信息 |\n");
printf("\t| 5-显示所有影片 |\n");
printf("\t| 6- 影片总数 |\n");
printf("\t| 7- 退出程序 |\n");
printf("\t请选择功能 1-7 :");
scanf("%d",&choice);
getchar();
system("cls");
switch(choice)
{
case 1:
pMain=Create();
if(pMain==NULL)
printf("\t录入出错了 =、=\n");
else
{
system("cls");
printf("\t成功录入%d个影片信息\n",iCount);
}
menu();
break;
case 2:
if(pMain==NULL)
{
printf("\t没有任何影片可供查询\n");
}
else
{
printf("\t输入查询的id:");
scanf("%d",&id);
printFilm(findFilm(pMain,id));
}
menu();
break;
case 3:
if(pMain==NULL)
{
printf("\t没有任何影片可供修改\n");
}
else
{
printf("\t输入修改的id:");
scanf("%d",&id);
modifyFilm(pMain,id);
system("cls");
printf("\t修改成功\n");
}
menu();
break;
case 4:
if(pMain==NULL)
{
printf("\t没有任何影片可供删除\n");
}
else
{
printf("\t输入删除的id:");
scanf("%d",&id);
deleteFilm(pMain,id);
system("cls");
printf("\t删除成功\n");
}
menu();
break;
case 5:
if(pMain==NULL)
{
printf("\t没有任何影片可供显示\n");
menu();
}
else
printAll(pMain);
menu();
break;
case 6:
printf("\t影片总数为:%d",iCount);
menu();
break;
case 7:
exit(0);
break;
default:
menu();
break;
}
}
Film *Create()
{
int flag;
Film *pHead=NULL;
Film *pNew,*pEnd;
Film *qq;
pEnd=pNew=(Film *)malloc(sizeof(Film));
iCount=0;
printf("\n\n\t该录入将重新赋值。\n");
printf("\t请输入影片编号:");
scanf("%d",&pNew->id);
printf("\t请输入影片名称:");
scanf("%s",pNew->name);
printf("\t请输入导演:");
scanf("%s",pNew->director);
printf("\t请输入主演:");
scanf("%s",pNew->actor);
printf("\t请输入上映日期:");
scanf("%s",pNew->date);
printf("\t请输入影片评分:");
scanf("%f",&pNew->score);
printf("\n");
printf("\t是否继续输入(1继续,其它则退出并返回主菜单):");
scanf("%d",&flag);
while(flag==1)
{
iCount++;
if(iCount==1)
{
pNew->next=pHead;
pEnd=pNew;
pHead=pNew;
}
else
{
pNew->next=NULL;
pEnd->next=pNew;
pEnd=pNew;
}
pNew=(Film *)malloc(sizeof(Film));
printf("\t请输入影片编号:");
scanf("%d",&pNew->id);
printf("\t请输入影片名称:");
scanf("%s",pNew->name);
printf("\t请输入导演:");
scanf("%s",pNew->director);
printf("\t请输入主演:");
scanf("%s",pNew->actor);
printf("\t请输入上映日期:");
scanf("%s",pNew->date);
printf("\t请输入影片评分:");
scanf("%f",&pNew->score);
printf("\n");
printf("\t是否继续输入(1继续,其它则退出并返回主菜单):");
scanf("%d",&flag);
}
iCount++;
pNew->next=NULL;
pEnd->next=pNew;
pEnd=pNew;
pNew=(Film *)malloc(sizeof(Film));
free(pNew);
return(pHead);
}
void printAll(Film *head)
{
Film *p=head;
if(p)/*链表不为空时才输出表头*/
{
printf(" 编号 名称 导演 主演 上映时间 评分 \n");
printf("--------------------------------------------------------\n");
}
while(p)/*遍历链表,输出每个结点的信息*/
{
printf("\t%d\t%s\t%s\t%s\t%s\t\t%f\n",p->id,p->name,p->director,p->actor,p->date,p->score);
p=p->next;
}
}
Film *findFilm(Film *head,int id)
{
Film *p=head;
while(p&&p->id!=id)/*如果p不为空并且p不是要找的结点*/
p=p->next;/*令p指向下一个结点*/
return p;
}
void printFilm(Film *film)
{
if(!film)/*如果指针为空,即不存在该结点*/
printf("\t%s\n","没有查询到该影片的信息,请检查输入");
else/*若指针不为空则输出影片信息*/
{
printf(" 编号 名称 导演 主演 上映时间 评分 \n");
printf("--------------------------------------------------------\n");
printf("\t%d\t%s\t%s\t%s\t%s\t\t%f\n",film->id,film->name,film->director,film->actor,film->date,film->score);
}
}
void modifyFilm(Film *head,int id)
{
Film *p=findFilm(head,id);/*首先查找该id的影片,将结果保存在p中*/
if(p)/*如果查找到影片,则可以修改*/
{
printf("\t======================================================\n");
printf("\t ***** 修改影片信息 ***** \n");
printf("\t======================================================\n");
printf("该影片的信息如下:\n");
printFilm(p);
printf("\t请输入影片编号:");
scanf("%d",&p->id);
printf("\t请输入影片名称:");
scanf("%s",p->name);
printf("\t请输入导演:");
scanf("%s",p->director);
printf("\t请输入主演:");
scanf("%s",p->actor);
printf("\t请输入上映日期:");
scanf("%s",p->date);
printf("\t请输入影片评分:");
scanf("%f",&p->score);
}
else
printf("\t未查询到该影片的信息,请检查输入.\n");
}
void deleteFilm(Film *head,int id)
{
Film *q,*p=head;
if(head->id==id)/*如果要删除的是头结点*/
{
head=(head->next);
free(p);
}
else/*若要删除的不是头结点*/
{
while(p)/*遍历链表寻找要删除的结点*/
{
if(p->id==id)
{
q->next=p->next;
free(p);/*释放内存空间*/
break;
}
q=p;/*q为p的前驱结点*/
p=p->next;
}
}
}
/* 统计链表长度,这里由iCount代替 */
//int length(Film *head)/*统计链表长度*/
//{
// Film *p=head;
// int count=0;
// while(p)/*遍历链表*/
// {
// p=p->next;
// ++count;
// }
// return count;
//}
影片信息管理系统
课程设计·账号系统
拓展思维、(•̀ᴗ•́)و ̑̑
既然双向链表可以多出一个指针域用来指向前一个结点,用llink和rlink区分这两个指针域;
那么有没有可能再多几个指针域来放ulink和dlink呢(指向上面的结点和指向下面的结点)?
这样就构成了形象的二维链表而不是一维链表了。
当然,在物理内存上这些链表依然是线性关系。
理论可以实现,那么三维链表呢?
画面太美,有待自己下学期大二学数据结构的时候再拓展。
来源:oschina
链接:https://my.oschina.net/u/4315754/blog/3458894