37款传感器与模块的提法,在网络上广泛流传,其实Arduino能够兼容的传感器模块肯定是不止37种的。鉴于本人手头积累了一些传感器模块,依照实践(动手试试)出真知的理念,以学习和交流为目的,这里准备逐一做做实验,不管能否成功,都会记录下来---小小的进步或是搞不掂的问题,希望能够抛砖引玉。
【Arduino】108种传感器模块系列实验(资料+代码+图形+仿真)
实验五:热敏电阻温度传感器模块
手头这模块的实物照片


热敏电阻器是敏感元件的一类,按照温度系数不同分为正温度系数热敏电阻器(PTC)和负温度系数热敏电阻器(NTC)。热敏电阻器的典型特点是对温度敏感,不同的温度下表现出不同的电阻值。正温度系数热敏电阻器(PTC)在温度越高时电阻值越大,负温度系数热敏电阻器(NTC)在温度越高时电阻值越低,它们同属于半导体器件。
热敏电阻的主要特点是:
①灵敏度较高,其电阻温度系数要比金属大10~100倍以上,能检测出10-6℃的温度变化;
②工作温度范围宽,常温器件适用于-55℃~315℃,高温器件适用温度高于315℃(目前最高可达到2000℃),低温器件适用于-273℃~-55℃;
③体积小,能够测量其他温度计无法测量的空隙、腔体及生物体内血管的温度;
④使用方便,电阻值可在0.1~100kΩ间任意选择;
⑤易加工成复杂的形状,可大批量生产;
⑥稳定性好、过载能力强。

热敏电阻主要应用
热敏电阻也可作为电子线路元件用于仪表线路温度补偿和温差电偶冷端温度补偿等。利用NTC热敏电阻的自热特性可实现自动增益控制,构成RC振荡器稳幅电路,延迟电路和保护电路。在自热温度远大于环境温度时阻值还与环境的散热条件有关,因此在流速计、流量计、气体分析仪、热导分析中常利用热敏电阻这一特性,制成专用的检测元件。PTC热敏电阻主要用于电器设备的过热保护、无触点继电器、恒温、自动增益控制、电机启动、时间延迟、彩色电视自动消磁、火灾报警和温度补偿等方面。






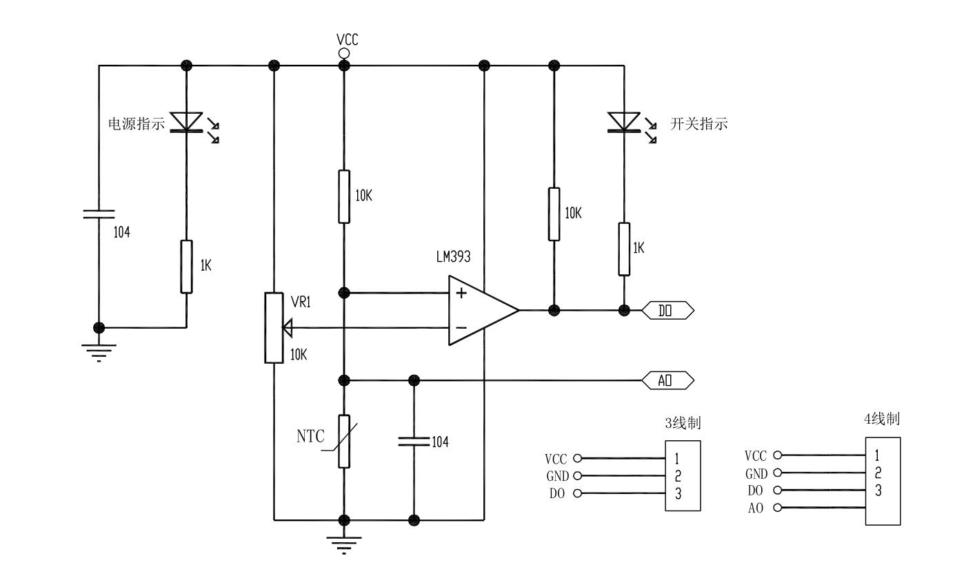
模块使用说明:
1、热敏电阻模块对环境温度很敏感,一般用来检测周围环境的温度;
2、通过对电位器的调节,可以改变温度检测的阀值(即控制温度值),如需要控制环境温度为50度时,模块则在相应环境温度调到其绿灯亮,DO则输出低电平,低于此设定温度值时,输出高电平,绿灯不亮;
3、DO输出端可以与Arduino uno数字3脚直接相连,通过Arduino uno来检测高低电平,由此来检测环境的温度改变;
4、DO输出端也能直接驱动继电器模块,由此可以组成一个温控开关,控制相关设备的工作温度,也可以接风扇用来散热等;
5、本模块的温度检测范围为20-80摄氏度;
6、本模块也可以换成带有线的温度传感器,用于水温,水箱等的控制
7、小板模拟量输出AO可以和Arduino uno模拟输入A0端相连,通过AD转换,可以获得环境温度更精准的数值。


模块电原理图

实验五:热敏电阻温度传感器模块实验程序

实验五:热敏电阻温度传感器模块实验逻辑流程图

/*
【Arduino】108种传感器模块系列实验(资料+代码+图形+仿真)
---热敏电阻温度传感器模块
*/
void setup() {
pinMode(3,INPUT);
pinMode(12,OUTPUT);
}
void loop() {
if (digitalRead(3)) {
digitalWrite(12, LOW);
}
else {
digitalWrite(12, HIGH);
delay(2000);
}
}
可视化的仿真编程


来源:oschina
链接:https://my.oschina.net/u/4349448/blog/3448187