【Arduino】108种传感器模块系列实验(资料+代码+图形+仿真)
实验之二:光敏电阻传感器模块
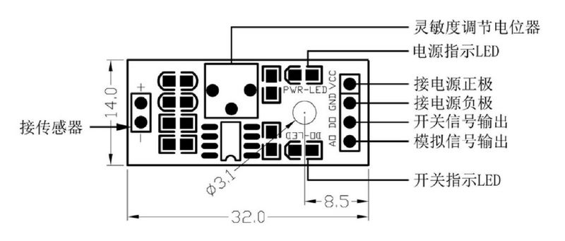
我手里这块是三针版的,
挺秀气吧

光敏电阻是用硫化隔或硒化隔等半导体材料制成的特殊电阻器,其工作原理是基于内光电效应。光照愈强,阻值就愈低,随着光照强度的升高,电阻值迅速降低,亮电阻值可小至1KΩ以下。光敏电阻对光线十分敏感,其在无光照时,呈高阻状态,暗电阻一般可达1.5MΩ。光敏电阻的特殊性能,随着科技的发展将得到极其广泛应用。

光敏电阻器通常由光敏层、玻璃基片(或树脂防潮膜)和电极等组成。光敏电阻器在电路中用字母“R”或“RL”、“RG”表示。

主要用途:
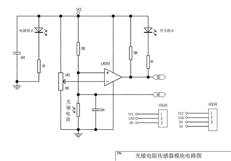
光线亮度检测,光线亮度传感器,智能小车寻光模块等,如下是常规应用的示意电路。

模块参数:
工作电压:DC3.3-5V
光敏电阻型号:5516
模块针脚:3针或4针(4针的多出一个模拟输出端AO)

模块接线图:
1、VCC 接电源正极 3.3-5V
2、GND 接电源负极
3、DO TTL 开关信号输出
4、AO 模拟信号输出


光敏电阻传感器模块的电原理图

模块特色:
1、工作电压3.3V-5V
2、使用宽电压LM393比较器
3、设有固定螺栓孔,方便安装
4、采用灵敏型光敏电阻传感器
5、小板PCB尺寸:3.2cm x 1.4cm
6、配可调电位器可调节检测光线亮度
7、输出形式,DO数字开关量输出(0和1)和AO模拟电压输出
8、比较器输出,信号干净,波形好,驱动能力强,超过15mA。

模块实验说明:
1、光敏电阻模块对环境光线最敏感,一般用来检测周围环境的光线的亮度,触发Arduino或继电器模块等;
2、模块在环境光线亮度达不到设定阈值时,DO端输出高电平,当外界环境光线亮度超过设定阈值时,DO端输出低电平;
3、DO输出端可以与Arduino直接相连,通过Arduino来检测高低电平,由此来检测环境的光线亮度改变;
4、DO输出端也能直接驱动继电器模块,由此可以组成一个光控开关;
5、光敏电阻模块小板模拟量输出AO可以和AD模块相连,通过AD转换,可以获得环境光强更精准的数值。
6、光敏传感器控制的LED为你Arduino上接的13脚LED灯(也可以理解为负载),并非模块上的D0-LED+指示灯。
7、模块上的蓝色电位器旋钮最好不要顺时针和逆时针到底,保持在中间即可控制。微调进行灵敏度调节。
8、本实验只使用3针模块,当达到设定光线强度阙值时,LED亮灯3秒。

仿真的实验接线示意图


实验的图形编程

光敏电阻传感器模块实验程序

/*
【Arduino】108种传感器模块系列实验(资料+代码+图形+仿真)
---光敏电阻传感器模块
*/
void setup()
{
pinMode(3,INPUT);
pinMode(13,OUTPUT);
}
void loop() {
if (digitalRead(3)) {
digitalWrite(13,LOW);
}
else {
digitalWrite(13,HIGH);
delay(3000);
}
}

可视化的仿真编程


来源:oschina
链接:https://my.oschina.net/u/4401366/blog/3292812