BJT共射级电路放大器是比较常用的一种放大电路,不同于前面的共基级放大器单一的电路形式,共射级放大器的设计比较灵活,历史上人们曾经设计出过很多各种各样的共射级放大器。最常用的是以下三种形式的共射放大电路(见下图3-06.01)。一般只要掌握了这三种电路的共通分析方法,那以后再遇到其他比较偏门的共射电路时,我们也可以按照我们已掌握的共通方法,分析出其基本电路特性。

图 3-6.01
1. 固定偏置
固定偏置(fixed-bias configuration)是最简单的共射放大电路结构,我们现以npn型晶体管为例对齐进行直流分析。
(1) 输入静态工作点
我们将固定偏置的共射放大电路重画于下,在直流分析(静态分析)时,可将动态输入电压vi视为0。

图 3-6.02
对于输入端回路,BJT的发射结正偏,我们采用简化分析模型,假设VBE固定为0.7V。因此在输入回路可得:

上式的IB即为输入端的静态工作电流,在上式中我们可以取合适得RB,而得到一个比较合理得IB值(一般为几个微安级)。
(2) 输出静态工作点
输出静态工作点,即为求VCE和IC,我们将输出回路的电压电流关系画于下图:

图 3-6.03
当BJT工作于正常的放大区时:

在输出回路可得:

上两式中的VCE和IC即为输出的静态工作点。
(3) 饱和条件
在共射电路中的饱和条件与共基电路稍有不同,在共基电路中,VCE<0会进入饱和,而在共射电路中,只要VCE<VCEsat(一般我们常近似取为0.3V),晶体管就会进入饱和。因此,我们可以算出此时的集电极饱和电流ICsat,

当共射电路的进入饱和时,输入端IB的继续增大不会使输出电流IC继续增大,虽然不会像共基电路那样损坏晶体管,但会使基极电流IB与射极电流IC之间的放大倍数小于原来的β参数。
(4) 固定偏置的缺点
固定偏置的优点是:结构简单、概念清晰。但是我们一般很少将固定偏置电路直接应用于实际设计,原因在于固定偏置电路有一个致命的缺点:就是工作点不稳。
前面曾经说过,由于半导体器件加工工艺的限制,一般参数都会偏离标准值,比如对某个BJT来说,放大系数β在50~200范围内都算正常,整整差了4倍。那么根据上式:

同样的电路,输出静态电流IC就会差整整4倍,输出静态电压VCE也会有较大范围的变化,由此带来的电路功耗、放大倍数等一系列性能也会跟着变化,这样不稳定的性能是无法在实际产品中使用的。
2. 改进的固定偏置
(1) 负反馈的作用
在固定偏置的发射极增加一个射极电阻RE,可以大大提高电路的稳定性,如下图所示,这种形式的电路也可以称为射极偏置(emitter-bias Configuration):

图 3-6.04
这种设计称为“负反馈”设计,负反馈设计是一个很庞大的话题,这里你可以先简单将其理解为:负反馈结构的电路本身有一种稳定作用,当某种非正常因素(比如β值偏移,温度影响等等)导致电路工作点偏移时,负反馈结构会迫使电路工作点回向正常值方向移动,从而减小偏移值,提高稳定性。
我们这里先粗略定性地看一下射极电阻RE对提高电路稳定性的作用:
(1)当放大系数β增大导致IC增大时,流过RE的电流IE也会增大,由此会导致E点的的电压VE升高。
(2)当VE升高,由于VBE保持固定值0.7V不变,因此结果导致B点电压VB升高。
(3)VB升高,但VCC不变,由此导致RB两端的压降减小,从而导致输入电流IB减小。
(4)IB的减小最终会导致IC的减小,抑制了前面因β增大导致IC增大的效应,因此提高了电路的稳定性。
当然,如果你若要深究的话,又会发现:IC的减小会导致IE的减小,再导致VE的减小和VB的减小,然后又使得IB增大……那么,究竟哪个对最终结果的影响力更大些?这个就需要下面的定量分析了。
(2) 静态工作点分析

图 3-6.05
● 先看输入回路:
输入回路的关系式为:

解得:

● 再看输出回路:
当BJT工作于放大区时:

输出回路的关系式为:

为简化计算,设IE≈IC,最终解得:

● 关于简化运算的说明:
这里你可能还有一点小疑惑,为什么在输入回路中,不把(1+β)简化成≈β,不去掉那个1?而在输出回路中,却做了IE≈IC¬的简化,去掉了那个1呢。其实理由很简单:输入回路的计算式中,即便留着那个1,计算起来也不麻烦,所以就放着了。而在输出回路的计算式中,留着那个1算起来稍微有点麻烦了,所以就把它给去掉了。
听着是不是很随意呢?其实这就是工程中模拟电路的魅惑点所在。因为实际的模拟电路要面临很多的不确定参数的影响(比如,常规使用的电阻都是5%的误差等级的;BJT等半导体器件的参数甚至会有50%以上的偏差;受温度影响,很多参数也会偏)。你辛辛苦苦算出来的精确解,仅一个5%的电阻阻值偏差就可以把结果给带偏。所以,太精确的计算有时并不是很必要,很多计算都可以作简化。那么,究竟对哪些部分可以做简化,哪些部分不作简化呢?这个在很大程度上取决于设计者本人的经验(或者说直觉)。
所以,有时你可以看到在一些不同的模电教材上,对于同样形式的电路,不同的作者会给出稍微有点不同的公式,这个是因为他们各自取的简化点不同。但是,分析原理肯定都是一样的,而且他们的结果也都是可用的。这个随着你本人经验的增长,就会理解他们各自的做法了。
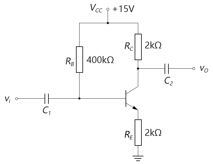
案例3-6-1: 在下图中,计算当β=50和β=200时的IB, IC, VCE,并进行比较。

解: (1)当β=50时:

假设BJT工作于放大区:

再来求VCE:

验证:VCE1 > VCESat,说明前面关于BJT工作于放大区的假设正确。
(2)当β=200时:

假设BJT工作与放大区:

再来求VCE:

验证:VCE2 > VCESat,说明前面关于BJT工作于放大区的假设正确。
(3)比较:
当β1和β2相差4倍时:

IC1和IC2只相差2.5倍,说明反馈电阻RE确实改善了电路的稳定性。
另外,当β=200时,VCE2仅比饱和阈值VCESat (0.7V)大一点点,已处于放大区的边缘,还可以勉强工作。若是没有反馈电阻RE,BJT会早早地就进入饱和区,而不能起正常放大作用了。
(3) 饱和条件
当VCE<VCESat时,晶体管进入饱和区。因此,我们可以算出此时的集电极饱和电流ICsat,

当IC>ICsat时,晶体管进入饱和。
( end of 3-6-1 )
来源:oschina
链接:https://my.oschina.net/u/4399679/blog/3372362