在共集组态中,“输入端口”和“输出端口”共用BJT的集电极端子(故称为“共集”),形成一个双端口网络,如下图所示:

图3-7.01
由于共集组态的电路接法和共射组态的电路接法类似,只是输出端从发射极取出而已,所以共射组态电路的各种输入输出特性和分析结果可以直接用到共集组态上,这里就不再赘述了。而且,共集组态的放大电路也比较简单,只有一种用法:就是放大倍数为1的放大器,如下图所示:

图3-7.02
从上图中可以看到,共集放大电路和共射放大电路的电路接法非常相似,只是输出端vo从发射极取出而已。由于其输出端从射极取出,而且放大倍数只有1(即:输出电压等于输入电压),所以这个电路还有一个更常用的名字,叫做:射极跟随器(emmiter-follower)。
至于放大倍数为1的放大器到底有什么用,这个我们在下一章BJT放大电路的交流分析会讲(主要是用来作阻抗匹配用)。在这一小节里,我们仅对它作直流分析。和“共射放大电路的分压偏置”类似,这个共集放大电路的直流分析(求静态工作点)也有“近似分析”和“精确分析”两种方法,在掌握了前面分压偏置电路的两种分析方法后,现在这个电路的直流分析计算对我们来说应该是小菜一碟啦:
(1) 近似分析法

图3-7.03
在近似分析法中,将IB近似视为0,因此基极电压VB为:

发射结电压VBE近似视为0.7V,因此发射极电压VE为:

发射极电流IE为:

集电极电流IC近似等于IE:

顺便再算下VCE:

(2) 精确分析法
精确分析法先将输入端的偏置做一个戴维南等效化简:

图3-7.04
在前面小节的分析中,我们已算得了输入端的戴维南等效电压和电阻:


输入端的KVL方程为:

解得:

发射极电流IE为:

发射结电压为:

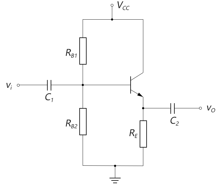
最后顺便再算下VCE:

(3) 饱和条件
共集放大电路的饱和条件和前面共射放大电路的饱和条件分析是类似的,当VCE < VCEsat时,晶体管进入饱和区。因此,我们可以算出此时的发射极饱和电流IEsat,

当IE>IEsat时,晶体管进入饱和。
( end of 3-7)
来源:oschina
链接:https://my.oschina.net/u/4361197/blog/3361261