(续上小节)
4. 集电极反馈偏置
前面的“分压偏置”电路虽然性能非常稳定,比较完美地解决了β参数偏移的问题,但也有缺点,其缺点就是功耗太大。 就拿前面的案例3-6-2来说,为了维持基极的分压稳定点,分压偏置的两个电阻要消耗的电流约为:15V / 22kΩ≈0.68mA。
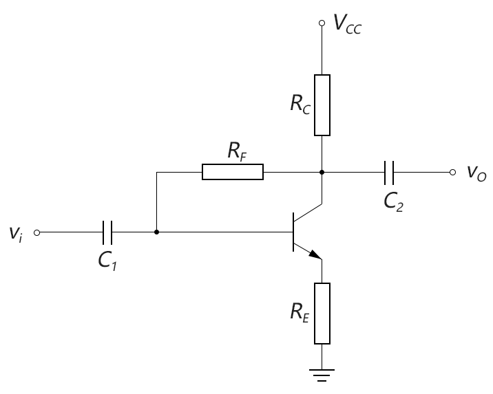
也就是说,仅仅为了维持这个分压点,就要消耗一个毫安级的功耗,这是非常不划算的,因此人们又设计出了集电极反馈偏置(collector feedback configuration)电路,这个电路的静态功耗比分压偏置小,但是稳定性会有一点点受β参数影响,也就是说,性能介于“分压偏置”和“改进的固定偏置”之间,算是一个折中方案吧。电路图如下所示:

图3-6.12
(1) 静态工作点分析
到目前为止,我们对如何计算静态工作点应该已经很熟悉了。在这个电路中,输入和输出静态工作点可以很容易地列出计算式,如下图所示:

图3-6.13
根据上图中的电流关系,我们可以列些出总的KVL方程:

然后就是取近似的魅惑时刻:
• ICB = IC+IB ≈ IC = βIB
• IE ≈ IC = βIB
将ICB和IE代入上式,可得:

解得输入静态电流IB为:

若BJT晶体管工作于放大区,可得输出静态工作电流为IC为:

输出静态工作电压VCE为:

(2) 参数β对静态工作点的影响
下面我们来看一看参数β对静态工作点IC的影响有多大,前面我们已算得,静态工作点IC的表达式为:

为更易于观察,我们设:VX=VCC-0.7V,RX=RC+RE,于是上式可简写成:

当βRX远大于RB时,上式可近似为:

可见,当βRX远大于RB时,静态输出电流IC可近似视为不受β参数影响。
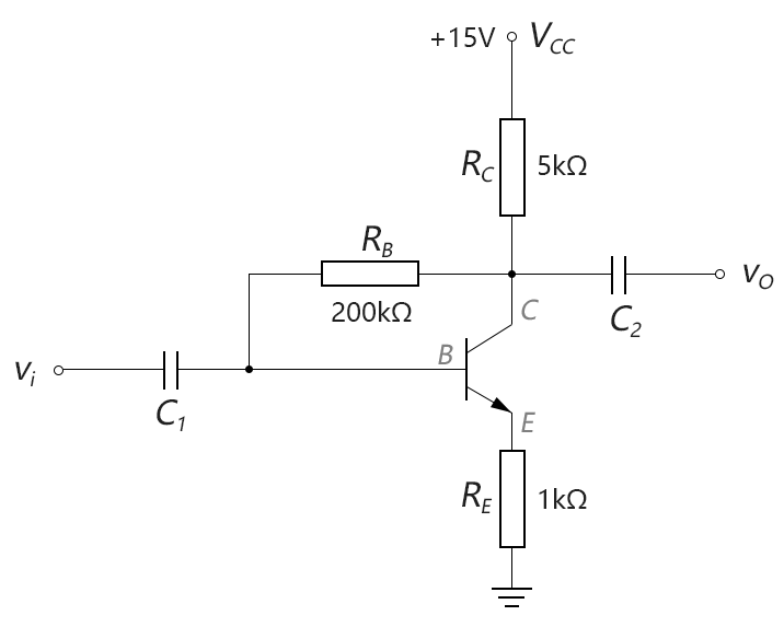
案例3-6-3:在下图中,计算当β=100和β=150时的IB, IC, VCE,并进行比较。

图3-6.a3
解:(1)当β=100时:

假设BJT工作于放大区:

验证:VCE > VCEsat,说明BJT工作于放大区的假设正确。
(2)当β=150时:

假设BJT工作于放大区:

验证:VCE > VCEsat,说明BJT工作于放大区的假设正确。
(3)比较:
条件2比条件1中的β增加了50%,但是IC仅增加了8.9%,稳定效果较好;VCE下降了21.8%,基本上还能接受。说明集电极反馈偏置对于参数β的变化有较好的稳定作用。
(3) 饱和条件
当VCE < VCEsat时,晶体管进入饱和区。这里,近似IC≈IE,因此,我们可以算出此时的集电极饱和电流ICsat,

当IC>ICsat时,晶体管进入饱和。
( end of 3-6-3)
来源:oschina
链接:https://my.oschina.net/u/4279077/blog/3367002