2017下[架构师]费用优化
某工程包括A、B、C、D四个作业,其衔接关系、正常进度下所需天数和所需直接费用、赶工进度下所需的最少天数和每天需要增加的直接费用见下表。该工程的间接费用为每天5万元。据此,可以估算出完成该工程最少需要费用(69)万元,以此最低费用完成该工程需要(70)天。

解析:

2017上[中]归一化评估
【说明】
A 公司想要升级其数据中心的安防系统,经过详细的可行性分析及项目评估后,决定通过公开招标的方式进行采购。某系统集成商 B 公司要求在投标前按照项目实际情况进行综合评估后才能做出投标决策。B 公司规定:评估分数(按满分为 100 分进行归一化后的得分)必须在 70 分以上的投标项目才具有投标资格。于是 B 公司项目负责人张工在购买标书后,综合考虑竞争对手、项目业务与技术等因素,编制了如下评估表:

【问题 1】(6 分)
综合上述案例,请帮助项目经理张工计算该项目的评估结果(包括合计
得分和归一化结果)。
【问题 2】(4 分)
基于以上案例,如果你是 B 公司管理层领导,对于该项目,是决定投标
还是放弃投标?为什么?
【问题 3】(8 分)
请指出项目论证应包括哪几个方面?
参考答案:
【问题 1】(6 分)
合计得分:40+12+15+16=83 分;
归一化结果:100*83/5*(8+3+3+8)=75.45 分
注意:本题需采用归一化评估结果的公式计算,归一化结果的含义可以理解为:综合成本评
估结果在百分制评价体系中对应的评价分数。
公式如下:
【问题 2】(4 分)
决定投标。根据 B 公司规定,归一化后的得分必须在 70 分以上的投标项目才具有投标资格,
该项目归一化结果为 75 分,满足投标要求。
【问题 3】(8 分)
(1)项目运行环境评价;
(2)项目技术评价;
(3)项目财务评价;
(4)项目国民经济评价;
(5)项目环境评价;
(6)项目社会影响评价;
(7)项目不确定性和风险评价;
(8)项目综合评价等。
2017上[高]成本计算
阅读下列说明,回答问题1至问题4,将解答填入答题纸的对应栏内。
【说明】
某项目工期为6个月,该项目的项目经理在第3个月末对项目进行了中期检查,检查结果表明完成了计划进度的90%,相关情况见下表(单位:万元),表中活动之间存在F-S关系。

【问题1】(8分)
计算中期检查时项目的CPI、CV和SV,以及“概要设计”活动的EV和SPI。
【问题2】(4分)
如果按照当前的绩效,计算项目的ETC和EAC。
【问题3】(8分)
请对该项目目前的进展情况作出评价。如果公司规定,在项目中期评审中,项目的进度绩效指标和成本绩效指标在计划值的正负10%即为正常,则该项目是否需要采取纠正措施?如需要,请说明可采取哪些纠正措施进行成本控制;如不需要,请说明理由。
【问题4】(5分)
结合本案例,判断下列选项的正误(填写在答题纸的对应栏内,正确的选项填写“√”,错误的选项填写“×”):
(1)应急储备是包含在成本基准内的一部分预算,用来应对已经接受的已识别风险,并已经制定应急或减轻措施的已识别风险。()
(2)管理储备主要应对项目的“已知—未知”风险,是为了管理控制的目的而特别留出的项目预算。()
(3)管理储备是项目成本基准的有机组成部分,不需要高层管理者审批就可以使用。()
(4)成本基准就是项目的总预算,不需要按照项目工作分解结构和项目生命周期进行分解。()
(5)成本管理过程及其使用的工具和技术会因应用领域的不同而变化,一般在项目生命期定义过程中对此进行选择。()
参考答案:
【问题1】
检查点整体PV=24,AC=26,SPI=0.9,EV=PV*SPI=21.6
CPI=EV/AC=0.83
CV=EV-AC=-4.4
SV=EV-PV=-2.4
由于活动之间是F-S关系,说明概要设计之前的两个活动都已经完成,所以此时二者的EV=PV=4+4+6+6=20 。
概要设计的EV=21.6-20=1.6
概要设计的PV=4
概要设计的SPI=EV/PV=0.4【问题2】
根据题意按照当前的绩效完成后续工作,属于典型偏差:
BAC=50
ETC=(BAC-EV)/CPI=(50-21.6)/0.83=34.22
EAC=BAC/CPI=50/0.83=60.22【问题3】
CPI=0.83<1,SPI=0.9<1,所以成本超支,进度滞后
CPI超过了正负10%,需要采取措施。
可以采取的措施包括:
①用工作效率高的人员替换工作效率低的人员;
②在控制成本的情况下,进行赶工;
③在控制风险的情况下,并行施工追赶进度;【问题4】
(1)√
(2)×
(3)×
(4)×
(5)√
2017上[高]质量管理
阅读下列说明,回答问题 1 至问题 4,将解答填入答题纸的对应栏内。
【说明】
某系统集成公司 A 中标某信息中心 IT 运维平台开发项目,公司 A 任命小李为项目经理。小李在项目启动阶段确定了项目团队和项目组织架构,项目团队分为三个小组:研发组、测试组和产品组。各组成员分别来自研发部、测试部以及产品管理部。
小李制定了项目整体进度计划,将项目分为需求分析、设计、编码、试运行和验收五个阶段。
为保证项目质量,小李请有着多年的编码、测试工作经历的测试组组长张工兼任项目的质量保证人员。
在项目启动会上,小李对张工进行了口头授权,并要求张工在项目的重要阶段(如完成需求分析、完成总体设计、完成单元编码和测试等)必须对项目交付物进行质量检查。在检查时,张工可以根据自己的经验提出要求,对于不满足要求的工作,必须立即进行返工。
项目在实施过程中,遇到一些问题,具体如下:
在项目组完成编码与单元测试工作,准备进行系统集成前,张工按照项目经理小李的要求进行了质量检查。在检查过程中,张工凭借多年开发经验,认为某位开发人员负责的一个模块代码存在响应时间长的问题,并对其开具了不符合项报告。但这位开发人员认为自己是严格按照公司编码规范编写的,响应时间长不是自己的问题。经过争吵,张工未能说服该开发人员,同时考虑到该模块对整体项目影响不大,张工没有再追究此事,该代码也没有修改。
在项目上线前,信息中心领导组织技术专家到项目现场进行调研和考察。专家组对已完成的编码进行了审查,发现很多模块不能满足甲方的质量要求。
【问题 1】(10 分)
请指出该项目在质量管理方面可能存在哪些问题?
【问题 2】(8 分)
请指出张工在质量检查中可能存在的问题。
【问题 3】(6 分)
针对上述问题,如果你是项目经理,你会采取哪些措施?
【问题 4】(5 分)
在(1)~(5)中填写恰当内容(从候选答案中选择一个正确选项,将该选项编号填入答题
纸对应栏内)。
在质量控制中,可以使用的工具和技术有(1)、(2)、(3)、(4)、(5)。
候选答案:
A、趋势分析 B、试验设计 C、因果图 D、统计抽样
E、帕累托图 F、质量成本 G、成本/效益分析 H、控制图
参考答案:
【问题1】
①没有制定质量管理计划。
②缺乏质量标准和规范。
③没有监理质量保证体系。
④质量保证人员的选择不符合要求。
⑤质量保证人员授权不合理。
⑥质量控制环节实施不到位,缺少审批环节,以及阶段性评审不严格。
⑦项目团队成员缺乏质量意识。
⑧与相关干系人的沟通存在问题。
【问题2】
①没有制定质量管理计划,质量管理过程没有依据。
②没有制定质量标准和规范,只凭个人经验进行质量检查,缺少保障。
③没有经过审批,直接开具不合格报告。
④质量检测过程中发现的问题,没有及时解决。【问题3】
①制定切实可行的质量管理计划,使质量管理过程有依据。
②制定质量测试指标。
③采取质量保证措施,加强质量控制。
④选择符合要求的质保人员,或对其进行相应的培训。
⑤加强阶段性的评审工作,发现问题及时处理。
⑥与相关干系人进行有效的沟通。【问题4】
ACDEH
2017上[高]变更管理
阅读下列说明,回答问题1至问题4,将解答填入答题纸的对应栏内。
【说明】
项目经理小李负责了一个新的项目,该项目的内容是为某市开发一套智慧城市公共综合信息服务平台。项目启动阶段,甲方仔细查看了小李提交的项目实施方案,提出由于该项目的投资方构成复杂,项目需求不清晰,希望项目组能想办法解决这个问题。
小李向公司申请了几名经验丰富的系统分析师,加强需求分析阶段的工作。经过较为充分的需求调研,形成了初步的需求说明书。小李认为需求分析工作较为详细,按照公司常用的软件开发生命周期模型,选择了瀑布模型进行开发。
在编写概要设计和详细设计说明书的过程中,客户方提供了几处需求的修改要求。由于其工作量不大,小李直接安排系统分析师按客户的要求进行了修改。在编码阶段后期,由于客户的投资方发生了变化,新的投资方采用了新的运营模式,导致需求发生较大变化,由于前期甲方已经强调过项目需求特点和要求,小李只能接受客户新的变更要求。在执行变更的过程中,项目组发现新的需求将导致系统架构的更改,经过评估该变更将使项目延期。
【问题1】(5分)
请分析该项目在整个过程中存在哪些主要问题?
【问题2】(7分)
请说明项目范围(需求)变更控制流程。
【问题3】(6分)
请将下面(1)~(6)处的答案填写在答题纸的对应栏内。
每项记录在册的变更请求都必须由(1)批准或否决。
变更结束后,形成新的项目极限并纳入到配置库的(2)库中,这时配置管理员应向项目组成员提交一份(3)报告。
(4)、(5)、(6)构成了项目的范围基准。
【问题4】(3分)
小李选择瀑布模型作为生命周期模型是否合适?如合适,请说明理由;如不合适,请说明理由,并给出合适的生命周期模型。
参考答案:
【问题1】
①需求定义过程有问题,只制定了初步的需求说明书,没有形成需求规格说明书。
②缺少需求规格说明书评审环节。
③没有需求验证过程,需求文档没有经过双方签字确认。
④生命周期开发模型的选择有问题。
⑤客户提出的修改需求,没有走变更流程。
⑥未制定风险应对计划,导致项目延期。【问题2】
变更控制流程:
①提出变更申请
②变更影响分析
③CCB审查批准
④实施变更
⑤监控变更实施
⑥结束变更【问题3】
每项记录在册的变更请求都必须由(CCB)批准或否决。
变更结束后,形成新的项目极限并纳入到配置库的(受控库)中,这时配置管理员应向项目组成员提交一份(配置状态报告)。
(批准的范围说明书)、(WBS)、(WBS字典)构成了项目的范围基准。
①CCB
②受控库
③配置状态报告
④批准的范围说明书
⑤WBS
⑥WBS字典【问题4】
不合适。
瀑布模型适合需求比较明确的情况,该项目需求多变,应该采用原型模型。
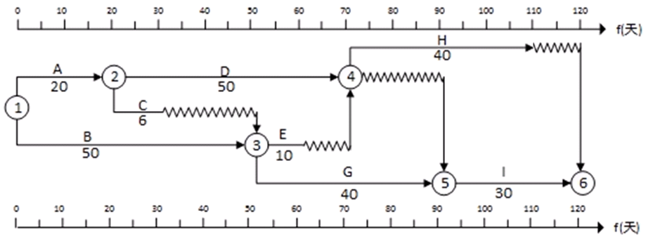
2016下[高]成本进度计算
阅读下列说明。回答问题1至问题4,将解答填入答题纸的对应栏内
【说明】
已知某信息工程由A、B、C、D、E、F、G、H八个活动构成,项目的活动历时,活动所需人数、费用及活动逻辑关系如下表所示:

【问题1】(4分)
请给出该项目的关键路径和工期。
【问题2】(12分)
第14天晚的监控数据显示活动E、G均完成一半,F尚未开始,项目实际成本支出为12000元。
(1)请计算此时项目的计划值(PV)和挣值(EV)。
(2)请判断次时项目的成本偏差(CV)和进度偏差(SV),以及成本和进度执行情况。
【问题3】(3分)
若后续不作调整,项目工期是否有影响?为什么?
【问题4】(6分)
(1)请给出总预算(BAC)、完工尚需估算(ETC)和完工估算(EAC)的值。
(2)请预测是否会超出总预算(BAC)?完工偏差(VAC)是多少?
答案:
【问题1】关键路径ACEH,工期26天。
【问题2】(1)PV=A+B+C+D+3/10E+3/7F+5/8G=900+400+12800+1200+3*2*200+3*1*200+5*3*300=21600
EV=A+B+C+D+1/2E+1/2G=900+400+12800+1200+2000+3600=20900
(2)SV=EV-PV=20900-21600=-700<0 所以进度落后。
CV=EV-AC=20900-12000=8900>0 所以成本节约。【问题3】
会对工期产生影响,造成工期延误。因为,SPI=EV/PV=20900/21600=0.97<0。
【问题4】
(1)BAC=A+B+C+D+E+F+G+H=3*3*100+2*1*200+8*4*400+4*3*100+10*2*200+7*1*200+8*3*300+5*4*200=31900
因为不对后续工作进行调整,所以是典型偏差,ETC=(BAC-EV)/CPI=6321.84
EAC=ETC+AC=18321.84(2)不会超出总预算 VAC= VAC=BAC-EAC=13578.16
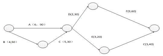
2016上[高]进度成本计算
下图给出了一个信息系统项目的进度网络图。

下表给出了该项目各项作业正常工作与赶工工作的时间和费用。

【问题1】(3分)
请给出项目关键路径。
【问题2】(3分)
请计算项目总工期。
【问题3】(19分)
(1)请计算关键路径上各活动的可缩短时间,每缩短一天增加的费用和增加的总费用。将关键路径上各活动的名称以及对应的计算结果填入答题纸相对应的表格中。
(2)如果项目工期要求缩短到38天,请给出具体的工期压缩方案并计算需要增加的最少费用。
答案:
【问题1】关键路径:ABCDGJMN
【问题2】总工期:44
【问题3】
(1)
(2)
关键路径:ABCDGJMN,长度44天;压缩至38天,则关键路径上要压缩6天。
压缩作业GJN或MJN,其中G或M压缩一天,J压缩2天,N压缩3天,增加的费用最少,150+200+360=710。
2015下[高]进度成本计算
已知某信息工程顶目由A B C D E G H I八个活动构成,项目工期要求为1 0 0天。顶目组根据初步历时估算、各活动间逻辑关系得出的初步进度计划网络图如下图所示(箭线下方为活动历时)。

【问题1】(7分)
(1)请给出该顶目初步进度计划的关键路径和工期。
(2)该顶目进度计划需要压缩多少天才能满足工期要求?可能需要压缩的活动都有哪些?
(3)若项目组将B和H均压缩至3 0天,是否可满足工期要求?压缩后顶目的关键路径有多少条?关键路径上的活动是什么?
【问题2】(9分)
项目组根据工期要求,资源情況及预算进行了工期优化,即将话动B压缩至3 0天、D压缩至40天,并形成了最终进度计划网络图;给出的顶目所需资源数量与资源费率如下表:

按最终进度计划执行到第4 0天晚对项目进行监测时发现,活动D完成一半,活动E准备第二天开始,活动G完成了1/4;此时累计支付的实际成本为4 0 0 0 0元,请在下表中填写此时该项目的绩效信息。

【问题3】(6分)
请计算第4 0天晚时项目的C V、S V、C P I、S P I(给出计算公式和计算结果,结果保留2位小数),评价当前项目缋效,幷给出改进措施。
试题二参考答案
【问题1】
(1)关键路径:B G I工期1 2 0天。
(2)需要压2 0天,可能需要压缩A、B、D、G、H、I活动
(3)可以满足工期要求。关键路径有2条,分别是:A D H B G I
【问题2】(9分)
项目组根据工期要求,资源情況及预算进行了工期优化,即将话动B压缩至3 0天、D压缩至40天,并形成了最终进度计划网络图;给出的顶目所需资源数量与资源费率如下表:
按最终进度计划执行到第4 0天晚对项目进行监测时发现,活动D完成一半,活动E准备第二天开始,活动G完成了1/4;此时累计支付的实际成本为4 0 0 0 0元,请在下表中填写此时该项目的绩效信息。
【问题3】
第4 0天时,P V=3 3 1 0 0,E V=3 1 3 0 0,A C=4 0 0 0 0.
C V=E V-A C=-8 7 0 0
S V=E V-P V=-1 8 0 0
C P I=E V/A C=3 1 3 0 0/4 0 0 0 0=0.7 8
S P I=E V/P V=3 1 3 0 0/3 3 1 0 0=0.9 5
因为C P I<1,S P I<1,所以进度落后,成本超支。
改进措施:
(1)关键活动的调整(快速跟进)
(2)非关键活动的调整(将资源投入关键活动)
(3)投入更多的资源以加速活动进程(増加资源、赶工)
(4)指派经验更丰富的人去完成或帮助完成顶目工作(拫高工作效率)
(5)改进方法或技术提高生产效率。
(6)减小活动范围或降低活动要求(写不写都行)。
2015上[高]进度成本计算
某信息系统工程项目由 ABCDEFG 七个任务构成,项目组根据不同任务的特点,人员情况等,对各项任务进行了历时估算并排序,并给出了进度计划,如下图:

项目中各项任务的预算(方框中,单位是万元)、从财务部获取的监控点处各项目任务的实际费用(括号中,单位为万元),及各项任务在监控点时的完成情况如下图:

【问题1】(10 分)
(1)请指出该项目的关键路径、工期。
(2)本例给出的进度计划图叫什么图?还有哪几种图可以表示进度计划?
(3)请计算任务 A、D 和 F 的总时差和自由时差
(4)若任务 C 拖延 1 周,对项目的进度有无影响?为什么?
【问题2】(7 分)
请计算监控点时刻对应的 PV、EV、AC、CV、SV、CPI 和 SPI.
【问题 3】(4 分)
请分析监控点时刻对应的项目绩效,并指出绩效改进的措施。
【问题 4】(4 分)
(1)请计算该项目的总预算。
(2)若在监控点时刻对项目进行了绩效评估后,找到了影响绩效的原因并予以纠正,请预测此种情况下项目的 ETC、EAC。
答案:
【问题1】
(1)关键路径:BDEG,工期是 24 周。
(2)时标网络图。还有单代号网络图,双代号网络图(箭线图),甘特图。
(3)A 总时差 3,自由时差 2;D 总时差 0,自由时差 0; F 总时差 7,自由时差 7。
(4)C 工作有 1 周总时差,所以拖延 1 周对项目总体进度没有影响。
【问题2】
答:
PV=4+10+12+4+4=34
AC=3+8+16+5+4=36
EV=4+10+12*0.75+4+6*0.5=30
CV=EV -AC=30-36=-6
SV=EV -PV=30-34=-4
CPI=EV/AC=30/36=0.83
SPI=EV/PV=30/34=0.88
【问题 3】
答:
因为监控点的 CPI、SPI 都小于 1,所以项目进度落后,成本超支。
改进措施:
1、加强员工培训,提高工作效率。
2、赶工(加班)。
3、采用新技术、方法,节省开支。
4、增加(替换)工作能力强的员工加入到项目组。
【问题 4】
答:
(1)总预算 54 万元。
(2)ETC=12*0.25+8+6*0.5+10=24万。
EAC=AC+BAC-EV=36+54-30=60万。
2014下[高]成本进度计算
某项目由A、B、C、D、E、F、G、H、I、J共10个工作包组成,项目计划执行时间为5个月。在项目执行到第3个月末的时候,公司对项目进行了检查,检查结果如下表所示(假设项目工作量在计划期内均匀分布)。

【问题1】(4分)
计算到目前为止,项目的PV、EV分别为多少?
【问题2】(11分)
假设该项目到目前为止已支付80万元,请计算项目的CPI和SPI,并指出项目整体的成本和进度执行情况以及项目中哪些工作包落后于计划进度,哪些工作包超前于计划进度 ?
【问题3】(10分)
如果项目的当前状态代表了项目未来的执行情况,预测项目未来的结束时间和总成本。并针对项目目前的状况,提出相应的应对措施。
【问题1】
答:
PV = 6+6+2+3+3+6+10+6+2+1+20=65万元。
EV = 12+8+20+10×75%+3×75%+40×50%+3×50%+3×50%+2×25%
+4×25%
= 40+7.5+2.25+20+1.5+1.5+0.5+1
= 74.25万元。
【问题2】
答:
CPI=EV/AC=74.25/80=0.9281。
SPI=EV/PV=74.25/65=1.1423。
由此可见,项目在第3月末时,实际进度比计划进度相比有所提前,但实际成本与计划成本相比则有所超支。
落后于计划进度的工作包有:E
超前于计划进度的工作包有:C、D、G、H、I、J
【问题3】 答:
题干中“如果项目的当前状态代表了项目未来的执行情况”暗示未来项目的CPI、SPI会保持不变,此时预测项目完成时的总成本和预计完成时间,应该用典型偏差公式。
先预测时间:
项目到第3个月底所挣得的时间EV=3×SPI=3×1.1423=3.43个月。
项目剩余的工作时间ETC=(5-3.43)/SPI=(5-3.43)/ 1.1423=1.37个月。
则项目的总工期=3+1.37=4.37个月,也就是该项目将在第4.37个月(即大约在4个月零11天时完工)。
再预测成本:
BAC=12+8+20+10+3+40+3+3+2+4=105万元
项目剩余的工作成本ETC=(BAC-EV)/CPI=(105-74.25)/ 0.9281=33.13万元。
则项目的总成本EAC=AC+ETC=80+33.13=113.13万元。
由于目前是成本超支,进度却有所提前的状态,所以可以采取以下措施来应对:抽调部份工作人员去支援其他项目,从而减少本项目的成本支出。
同时更换少量工作效率更高的成员或采用更先进的工作方法、技术来提高工作效率,最终确保在进度没有滞后的前提下,成本也不会超支。
2014上[高]成本计算
阅读下列说明,回答问题1至问题4,将解答填入答题纸的对应栏内。
【说明】
一个信息系统集成项目有A、B、C、D、E、F、G共7个活动。各个活动的顺序关系、计划进度和成本预算如下图所示,大写字母为活动名称,其后面括号中的第一个数字是该活动计划进度持续的周数,第二个数字是该活动的成本预算,单位是万元。该项目资金分三次投入,分别在第1周初、第10周初和第15周初投入资金。

项目进行的前9周,由于第3周时因公司有个临时活动停工1周。为赶进度。从其他项目组中临时抽调4名开发人员到本项目组。第9周末时,活动A、B和C的信息如下,其他活动均未进行。
活动A:实际用时8周,实际成本100万元,已完成100%;
活动B:实际用时4周,实际成本55万元,已完成100%;
活动C:实际用时5周,实际成本35万元,已完成100%。
从第10周开始,抽调的4名开发人员离开本项目组,这样项目进行到第14周末的情况如下,其中由于对活动F的难度估计不足,导致了进度和成本的偏差。
活动D:实际用时2周,实际成本30万元,已完成100%;
活动E:实际用时0周,实际成本0万元,已完成0%;
活动F:实际用时3周,实际成本40万元,已完成20%;
活动G:实际用时0周,实际成本0万元,已完成0%。
[问题1](10分)
在不影响项目总体工期的前提下,制定能使资金成本最优化的资金投入计划。请计算三个资金投入点分别要投入的资金量并写出在此投入计划下项目各个活动的执行顺序。
[问题2](5分)
请计算项目进行到第9周末时的成本偏差(CV)和进度偏差(SV),并分析项目的进展情况。
[问题3](5分)
请计算项目进行到第15周时的成本偏差(CV)和进度偏差(SV),并分析项目的进展情况。
[问题4](5分)
若需要项目第15周计算完工尚需成本(ETC)和完工估算成本(EAC),问采用哪种方式计算更适合?写出计算公式。
参考答案
【问题 1】
第 1 周初投入资金为:90+50+30=170 万元。
执行顺序:
第 1~4 周执行 B 活动,
第 1~6 周执行 A 活动,
第 5~9 周执行 C 活动。
第 10 周初投入资金为:30+20+60×(3/9)+40×(2/3)=96.7 万元。
执行顺序:
第 10~11 周执行 D 活动,
第 10~12 周执行 E 活动,
第 12~14 周执行 F 活动,
第 13~14 周执行 G 活动。
第 15 周初投入资金为:60×(6/9)+40×(1/3)=53.3 万元。
执行顺序:
第 15~20 周继续执行 F 活动,
第 15 周继续执行 G 活动。【问题 2】
CV=EV-AC=(90+50+30)-(100+55+35)=170-190=-20 万元。
SV=EV-PV=(90+50+30)-(90+50+30)=170-170=0。
项目在第 9 周末时,实际进度与计划吻合,但成本超支了 20 万元。【问题 3】
根据图示,第 15 周初(14 周末)时的 PV:
PV=90+50+30+30+20+60×(3/9)+40×(2/3)=266.67 万元。
EV=90+50+30+30+60×20%=212 万元。
AC=100+55+35+30+40=260 万元。
CV=EV-AC=212-260=-48 万元。
SV=EV-PV=212-266.67=-54.67 万元。
项目在第 15 周初(14 周末)时,实际进度比计划进度滞后,成本超支了 48 万元。【问题 4】
因为发生偏差的原因没找到或者找到了也难以解决,所以宜采用典型偏差的公式来计算:
ETC=(BAC-EV)/CPI;
EAC=(AC+ETC);
BAC=90+50+30+30+20+60+40=320 万元;
EV=90+50+30+30+60×20%=212 万元;
AC=100+55+35+30+40=260 万元;
ETC=(BAC-EV)/CPI=(320-212)/(212/260)=131.71 万元;
EAC=(AC+ETC)=260+131.71=391 万元。
--未完待续--
来源:oschina
链接:https://my.oschina.net/u/2927759/blog/1522843



