(1)电压跟随器
(2)反向比例放大器
(3)同向比例放大器
(4)反向加法器
(5)减法器
(6)改进的减法器
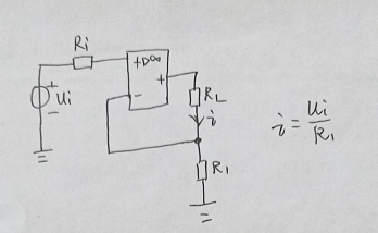
(7)电流源
(8)负电阻
(1)电压跟随器
输入电阻:∞
输出电阻:0(加流求压法计算)
电压跟随器(放大倍数为1,输入电阻∞,输出电阻为0)有什么用?
如图下,很难实现使得RL两端的电压为定值,负载不同,需要定制化设计电路图,很不实用。

而采用电压跟随器则很容易实现:
(2)反向比例放大器

(3)同向比例放大器

(4)反向加法器

(5)减法器

(6)改进的减法器

(7)电流源

(8)负电阻

来源:CSDN
作者:潘大仙是大锤
链接:https://blog.csdn.net/weixin_37964410/article/details/104896058