31个EMC标准电路分享

社会主义新天地 提交于 2020-03-03 16:03:04

1、AC24V接口EMC设计标准电路

2、AC110V-220VEMC设计标准电路

3、AC380V接口EMC设计标准电路

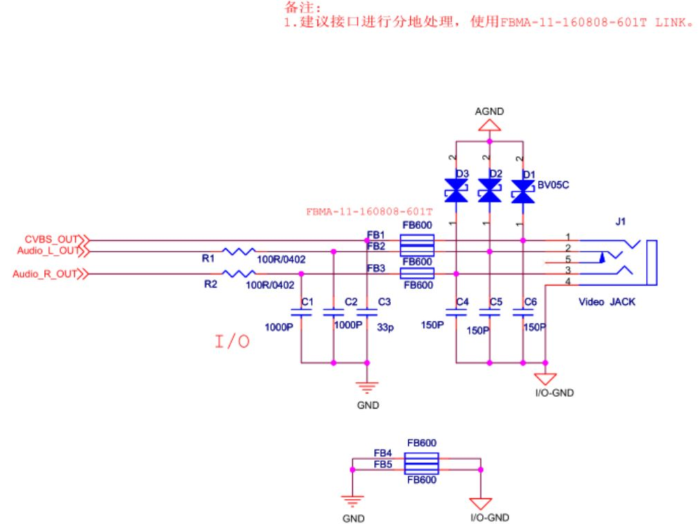
4、AV接口EMC设计标准电路

5、CAN接口EMC设计标准电路

6、DC12V接口EMC设计标准电路

7、DC24V接口EMC设计标准电路

8、DC48接口EMC设计标准电路

9、DC110V接口EMC设计标准电路

10、DVI EMC设计标准电路

11、HDMI接口EMC设计标准电路

12、LVDS接口EMC设计标准电路

13、PS2接口EMC设计标准电路

14、RJ11EMC设计标准电路

15、RS232 EMC设计标准电路

16、RS485EMC设计标准电路

17、SCART接口EMC设计标准电路

18、s-video接口EMC设计标准电路

19、USB DEVICE EMC设计标准电路

20、USB2.0接口EMC设计标准电路

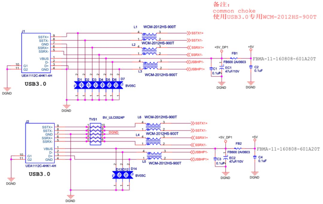
21、USB3.0接口EMC设计标准电路

22、VGA接口EMC设计标准电路

23、差分时钟EMC设计标准电路

24、耳机接口EMC设计标准电路

25、复合视频接口EMC设计标准电路

26、汽车零部件电源口EMC标准设计电路

27、室内外天馈浪涌设计标准电路

28、无源晶振EMC设计标准电路

29、有源晶振EMC设计标准电路

 (1)以太网EMC(EMI)设计标准电路

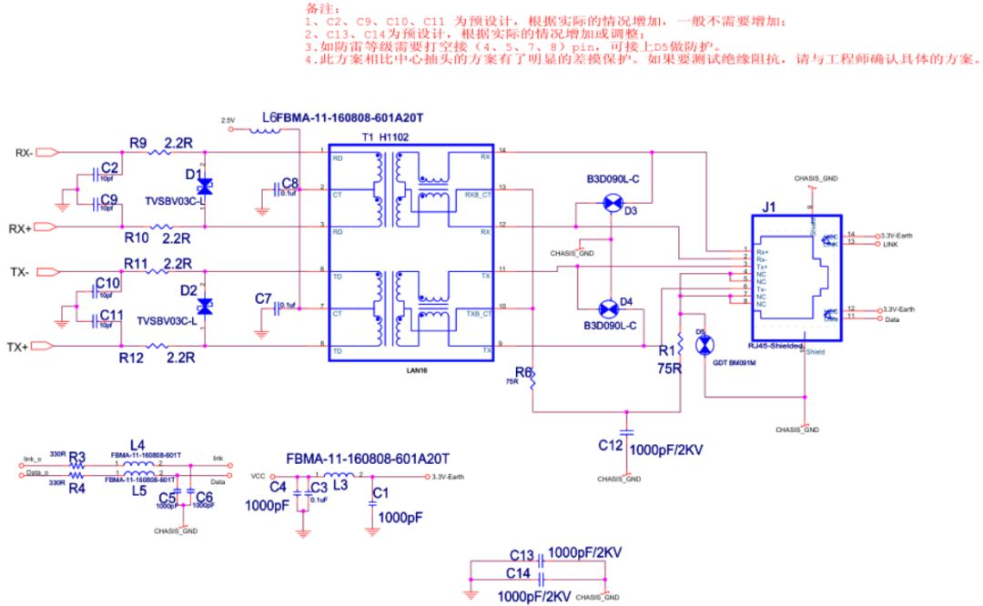
30、以太网EMC(浪涌)设计标准电路(差模要求较高方案)

31、以太网EMC(浪涌)中心抽头方案(节约空间)

标签
易学教程内所有资源均来自网络或用户发布的内容,如有违反法律规定的内容欢迎反馈
该文章没有解决你所遇到的问题?点击提问,说说你的问题,让更多的人一起探讨吧!