可替代ACT6311/AT1308 ZCC6311升压16V0.5A

穿精又带淫゛_ 提交于 2020-03-03 15:56:02

ZCC6311升压 耐压16V0.5A 可替代ACT6311/AT1308

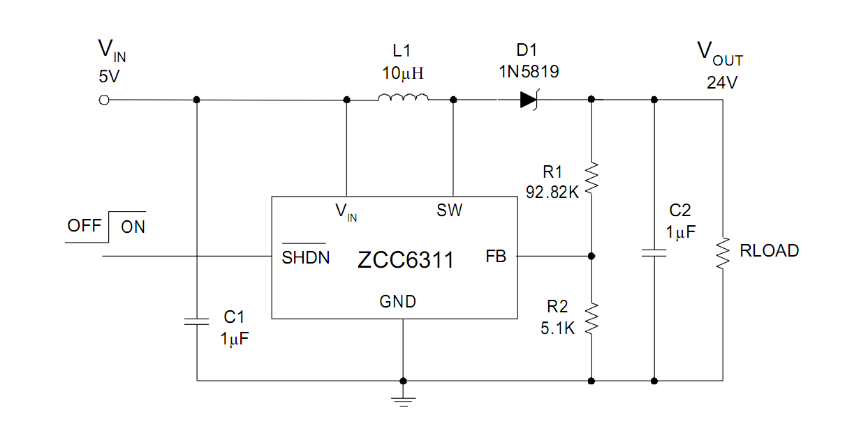
ZCC6311是一种大功率、恒频、电流模式的脉宽调制,电感工作在高频1.5MHz,因此可以使用小型、低剖面的电感。zcc6311具有内置过电压保护,当输出电压超过ovp阈值 29v时,允许设备进入关机模式。
在这里插入图片描述
在这里插入图片描述特性:
●高效率达81%
●输出电压可调至29V
●关断电流是1uA
●1.5MHz的开关频率
●36V 500mA坚固型集成双极开关
●内置软启动,减少启动时的涌流
●片上电压保护
●采用低ESR陶瓷输出电容
应用:
●LCD/OLED显示偏置电源
●用于LCD显示背光的白色LED驱动器
●移动电话
在这里插入图片描述

标签
易学教程内所有资源均来自网络或用户发布的内容,如有违反法律规定的内容欢迎反馈
该文章没有解决你所遇到的问题?点击提问,说说你的问题,让更多的人一起探讨吧!