随着科学技的发展,电子技术的应用几乎渗透到了人们生产生活的方方面面。晶体三极管作为电子技术中一个最为基本的常用器件,其原理对于学习电子技术的人自然应该是一个重点。三极管原理的关键是要说明以下三点:
1、集电结为何会发生反偏导通并产生Ic,这看起来与二极管原理强调的PN结单向导电性相矛盾。
2、放大状态下集电极电流Ic为什么会只受控于电流Ib而与电压无关;即:Ic与Ib之间为什么存在着一个固定的放大倍数关系。虽然基区较薄,但只要Ib为零,则Ic即为零。
3、饱和状态下,Vc电位很弱的情况下,仍然会有反向大电流Ic的产生。
很多教科书对于这部分内容,在讲解方法上处理得并不适当。特别是针对初、中级学者的普及性教科书,大多采用了回避的方法,只给出结论却不讲原因。即使专业性很强的教科书,采用的讲解方法大多也存在有很值得商榷的问题。这些问题集中表现在讲解方法的切入角度不恰当,使讲解内容前后矛盾,甚至造成讲还不如不讲的效果,使初学者看后容易产生一头雾水的感觉。笔者根据多年的总结思考与教学实践,对于这部分内容摸索出了一个适合于自己教学的新讲解方法,并通过具体的教学实践收到了一定效果。虽然新的讲解方法肯定会有所欠缺,但本人还是怀着与同行共同探讨的愿望不揣冒昧把它写出来,以期能通过同行朋友的批评指正来加以完善。
一、 传统讲法及问题:
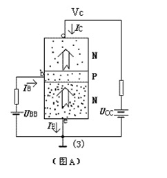
传统讲法一般分三步,以NPN型为例(以下所有讨论皆以NPN型硅管为例),如示意图A。1.发射区向基区注入电子;2.电子在基区的扩散与复合;3.集电区收集由基区扩散过来的电子。”(注1)

问题1:这种讲解方法在第3步中,讲解集电极电流Ic的形成原因时,不是着重地从载流子的性质方面说明集电结的反偏导通,从而产生了Ic,而是不恰当地侧重强调了Vc的高电位作用,同时又强调基区的薄。这种强调很容易使人产生误解。以为只要Vc足够大基区足够薄,集电结就可以反向导通,PN结的单向导电性就会失效。其实这正好与三极管的电流放大原理相矛盾。三极管的电流放大原理恰恰要求在放大状态下Ic与Vc在数量上必须无关,Ic只能受控于Ib。
问题2:不能很好地说明三极管的饱和状态。当三极管工作在饱和区时,Vc的值很小甚至还会低于Vb,此时仍然出现了很大的反向饱和电流Ic,也就是说在Vc很小时,集电结仍然会出现反向导通的现象。这很明显地与强调Vc的高电位作用相矛盾。
问题3:传统讲法第2步过于强调基区的薄,还容易给人造成这样的误解,以为是基区的足够薄在支承三极管集电结的反向导通,只要基区足够薄,集电结就可能会失去PN结的单向导电特性。这显然与人们利用三极管内部两个PN结的单向导电性,来判断管脚名称的经验相矛盾。既使基区很薄,人们判断管脚名称时,也并没有发现因为基区的薄而导致PN结单向导电性失效的情况。基区很薄,但两个PN结的单向导电特性仍然完好无损,这才使得人们有了判断三极管管脚名称的办法和根据。
问题4:在第2步讲解为什么Ic会受Ib控制,并且Ic与Ib之间为什么会存在着一个固定的比例关系时,不能形象加以说明。只是从工艺上强调基区的薄与掺杂度低,不能从根本上说明电流放大倍数为什么会保持不变。
问题5:割裂二极管与三极管在原理上的自然联系,不能实现内容上的自然过渡。甚至使人产生矛盾观念,二极管原理强调PN结单向导电反向截止,而三极管原理则又要求PN结能够反向导通。同时,也不能体现晶体三极管与电子三极管之间在电流放大原理上的历史联系。
二、新讲解方法:
1、切入点:
要想很自然地说明问题,就要选择恰当地切入点。讲三极管的原理我们从二极管的原理入手讲起。二极管的结构与原理都很简单,内部一个PN结具有单向导电性,如示意图B。很明显图示二极管处于反偏状态,PN结截止。我们要特别注意这里的截止状态,实际上PN结截止时,总是会有很小的漏电流存在,也就是说PN结总是存在着反向关不断的现象,PN结的单向导电性并不是百分之百。

为什么会出现这种现象呢?这主要是因为P区除了因“掺杂”而产生的多数载流子“空穴”之外,还总是会有极少数的本征载流子“电子”出现。N区也是一样,除了多数载流子电子之外,也会有极少数的载流子空穴存在。PN结反偏时,能够正向导电的多数载流子被拉向电源,使PN结变厚,多数载流子不能再通过PN结承担起载流导电的功能。所以,此时漏电流的形成主要靠的是少数载流子,是少数载流子在起导电作用。反偏时,少数载流子在电源的作用下能够很容易地反向穿过PN结形成漏电流。漏电流只所以很小,是因为少数载流子的数量太少。很明显,此时漏电流的大小主要取决于少数载流子的数量。如果要想人为地增加漏电流,只要想办法增加反偏时少数载流子的数量即可。所以,如图B,如果能够在P区或N区人为地增加少数载流子的数量,很自然的漏电流就会人为地增加。其实,光敏二极管的原理就是如此。光敏二极管与普通光敏二极管一样,它的PN结具有单向导电性。因此,光敏二极管工作时应加上反向电压,如图所示。当无光照时,电路中也有很小的反向饱和漏电流,一般为1×10-8 —1×10 -9A(称为暗电流),此时相当于光敏二极管截止;当有光照射时,PN结附近受光子的轰击,半导体内被束缚的价电子吸收光子能量而被击发产生电子—空穴对,这些载流子的数目,对于多数载流子影响不大,但对P区和N区的少数载流子来说,则会使少数载流子的浓度大大提高,在反向电压作用下,反向饱和漏电流大大增加,形成光电流,该光电流随入射光强度的变化而相应变化。光电流通过负载RL时,在电阻两端将得到随人射光变化的电压信号。光敏二极管就是这样完成电功能转换的。

光敏二极管工作在反偏状态,因为光照可以增加少数载流子的数量,因而光照就会导致反向漏电流的改变,人们就是利用这样的道理制作出了光敏二极管。既然此时漏电流的增加是人为的,那么漏电流的增加部分也就很容易能够实现人为地控制。
2、强调一个结论:
讲到这里,一定要重点地说明PN结正、反偏时,多数载流子和少数载流子所充当的角色及其性质。正偏时是多数载流子载流导电,反偏时是少数载流子载流导电。所以,正偏电流大,反偏电流小,PN结显示出单向电性。特别是要重点说明,反偏时少数载流子反向通过PN结是很容易的,甚至比正偏时多数载流子正向通过PN结还要容易。为什么呢?大家知道PN结内部存在有一个因多数载流子相互扩散而产生的内电场,而内电场的作用方向总是阻碍多数载流子的正向通过,所以,多数载流子正向通过PN结时就需要克服内电场的作用,需要约0.7伏的外加电压,这是PN结正向导通的门电压。而反偏时,内电场在电源作用下会被加强也就是PN结加厚,少数载流子反向通过PN结时,内电场作用方向和少数载流子通过PN结的方向一致,也就是说此时的内电场对于少数载流子的反向通过不仅不会有阻碍作用,甚至还会有帮助作用。这就导致了以上我们所说的结论:反偏时少数载流子反向通过PN结是很容易的,甚至比正偏时多数载流子正向通过PN结还要容易。这个结论可以很好解释前面提到的“问题2”,也就是教材后续内容要讲到的三极管的饱和状态。三极管在饱和状态下,集电极电位很低甚至会接近或稍低于基极电位,集电结处于零偏置,但仍然会有较大的集电结的反向电流Ic产生。
3、自然过渡:
继续讨论图B,PN结的反偏状态。利用光照控制少数载流子的产生数量就可以实现人为地控制漏电流的大小。既然如此,人们自然也会想到能否把控制的方法改变一下,不用光照而是用电注入的方法来增加N区或者是P区少数载流子的数量,从而实现对PN结的漏电流的控制。也就是不用“光”的方法,而是用“电”的方法来实现对电流的控制(注2)。接下来重点讨论P区,P区的少数载流子是电子,要想用电注入的方法向P区注入电子,最好的方法就是如图C所示,在P区下面再用特殊工艺加一块N型半导体(注3)。

图C所示其实就是NPN型晶体三极管的雏形,其相应各部分的名称以及功能与三极管完全相同。为方便讨论,以下我们对图C中所示的各个部分的名称直接采用与三极管相应的名称(如“发射结”,“集电极”等)。再看示意图C,图中最下面的发射区N型半导体内电子作为多数载流子大量存在,而且,如图C中所示,要将发射区的电子注入或者说是发射到P区(基区)是很容易的,只要使发射结正偏即可。具体说就是在基极与发射极之间加上一个足够的正向的门电压(约为0.7伏)就可以了。在外加门电压作用下,发射区的电子就会很容易地被发射注入到基区,这样就实现对基区少数载流子“电子”在数量上的改变。
4、集电极电流Ic的形成:
如图C,发射结加上正偏电压导通后,在外加电压的作用下,发射区的多数载流子——电子就会很容易地被大量发射进入基区。这些载流子一旦进入基区,它们在基区(P区)的性质仍然属于少数载流子的性质。如前所述,少数载流子很容易反向穿过处于反偏状态的PN结,所以,这些载流子——电子就会很容易向上穿过处于反偏状态的集电结到达集电区形成集电极电流Ic。由此可见,集电极电流的形成并不是一定要靠集电极的高电位。集电极电流的大小更主要的要取决于发射区载流子对基区的发射与注入,取决于这种发射与注入的程度。这种载流子的发射注入程度及乎与集电极电位的高低没有什么关系。这正好能自然地说明,为什么三极管在放大状态下,集电极电流Ic与集电极电位Vc的大小无关的原因。放大状态下Ic并不受控于Vc,Vc的作用主要是维持集电结的反偏状态,以此来满足三极管放大态下所需要外部电路条件。
对于Ic还可以做如下结论:Ic的本质是“少子”电流,是通过电子注入而实现的人为可控的集电结“漏”电流,因此它就可以很容易地反向通过集电结。
5、Ic与Ib的关系:
很明显,对于三极管的内部电路来说,图C与图D是完全等效的。图D就是教科书上常用的三极管电流放大原理示意图。
看图D,接着上面的讨论,集电极电流Ic与集电极电位Vc的大小无关,主要取决于发射区载流子对基区的发射注入程度。

通过上面的讨论,现在已经明白,三极管在电流放大状态下,内部的主要电流就是由载流子电子由发射区经基区再到集电区贯穿三极管所形成。也就是贯穿三极管的电流Ic主要是电子流。这种贯穿的电子流与历史上的电子三极管非常类似。如图E,图E就是电子三极管的原理示意图。电子三极管的电流放大原理因为其结构的直观形象,可以很自然得到解释。

如图E所示,很容易理解,电子三极管Ib与Ic之间的固定比例关系,主要取决于电子管栅极(基极)的构造。当外部电路条件满足时,电子三极管工作在放大状态。在放大状态下,穿过管子的电流主要是由发射极经栅极再到集电极的电子流。电子流在穿越栅极时,很显然栅极会对其进行截流,截流时就存在着一个截流比问题。截流比的大小,则主要与栅极的疏密度有关,如果栅极做的密,它的等效截流面积就大,截流比例自然就大,拦截下来的电子流就多。反之截流比小,拦截下来的电子流就少。栅极拦截下来的电子流其实就是电流Ib,其余的穿过栅极到达集电极的电子流就是Ic。从图中可以看出,只要栅极的结构尺寸确定,那么截流比例就确定,也就是Ic与Ib的比值确定。所以,只要管子的内部结构确定,的值就确定,这个比值就固定不变。由此可知,电流放大倍数的β值主要与栅极的疏密度有关。栅极越密则截流比例越大,相应的β值越低,栅极越疏则截流比例越小,相应的β值越高。
其实晶体三极管的电流放大关系与电子三极管类似。晶体三极管的基极就相当于电子三极管的栅极,基区就相当于栅网,只不过晶体管的这个栅网是动态的是不可见的。放大状态下,贯穿整个管子的电子流在通过基区时,基区与电子管的栅网作用相类似,会对电子流进行截流。如果基区做得薄,掺杂度低,基区的空穴数就会少,那么空穴对电子的截流量就小,这就相当于电子管的栅网比较疏一样。反之截流量就会大。很明显只要晶体管三极管的内部结构确定,这个截流比也就确定。所以,为了获大较大的电流放大倍数,使β值足够高,在制作三极管时往往要把基区做得很薄,而且其掺杂度也要控制得很低。
与电子管不同的是,晶体管的截流主要是靠分布在基区的带正电的“空穴”对贯穿的电子流中带负电的“电子”中和来实现。所以,截流的效果主要取决于基区空穴的数量。而且,这个过程是个动态过程,“空穴”不断地与“电子”中和,同时“空穴”又不断地会在外部电源作用下得到补充。在这个动态过程中,空穴的等效总数量是不变的。基区空穴的总数量主要取决于掺“杂”度以及基区的厚薄,只要晶体管结构确定,基区空穴的总定额就确定,其相应的动态总量就确定。这样,截流比就确定,晶体管的电流放大倍数的值就是定值。这就是为什么放大状态下,三极管的电流Ic与Ib之间会有一个固定的比例关系的原因。
6、对于截止状态的解释:
比例关系说明,放大状态下电流Ic按一个固定的比例受控于电流Ib,这个固定的控制比例主要取决于晶体管的内部结构。
对于Ib等于0的截止状态,问题更为简单。当Ib等于0时,说明外部电压Ube太小,没有达到发射结的门电压值,发射区没有载流子“电子”向基区的发射注入,所以,此时既不会有电流Ib,也更不可能有电流Ic。另外,从纯数学的电流放大公式更容易推出结论,Ic=βIb,Ib为0,很显然Ic也为0。
三、新讲法需要注意的问题:

以上,我们用了一种新的切入角度,对三极管的原理在讲解方法上进行了探讨。特别是对晶体三极管放大状态下,集电结为什么会反向导电形成集电极电流做了重点讨论,同时,对三极管的电流放大倍数为什么是定值也做了深入分析。这种讲解方法的关键,在于强调二极管与三极管在原理上的联系。其实,从二极管PN的反向截止特性曲线上很容易看出,只要将这个特性曲线转过180度,如图F所示,它的情形与三极管的输出特性非常相似,三极管输出特性如图G所示。这说明了二极管与三极管在原理上存在着很必然的联系。所以,在讲解方法上选择这样的切入点,从PN结的偏状态入手讲三极管,就显得非常合适。而且,这样的讲解会使问题变得浅显易懂生动形象,前后内容之间自然和谐顺理成章。
这种讲法的不足点在于,从PN结的漏电流入手讲起,容易造成本征漏电流与放大电流在概念上的混肴。所以,在后面讲解晶体管输入输出特性曲线时,应该注意强调说明本征载流子与掺杂载流子的性质区别。本征载流子对电流放大没有贡献,本征载流子的电流对晶体管的特性影响往往是负面的,是需要克服的。晶体管电流放大作用主要靠掺杂载流子来实现。要注意在概念上进行区别。另外,还要注意说明,从本质上晶体内部有关载流子的问题其实并不简单,它涉及到晶体的能级分析能带结构,以及载流子移动的势垒分析等。所以,并不是随便找一种或两种具有载流子的导体或半导体就可以制成PN结,就可以制成晶体管,晶体管实际的制造工艺也并不是如此简单。这样的讲解方法主要是在不违反物理原则的前提下,试图把问题尽量地简化,尽量做到浅显易懂,以便于理解与接受。这才是这种讲解方法的主要意义所在。
注1:见《电子技术基础》第33至35面,华中工学院出版,康华光主编,第三版,模拟部分。
注2:光照增加的是本征载流子,而后面讲的电注入增加的是掺杂载流子,本征载流子是成对出现,是电子空穴对,正负对应。这与掺杂载流子是有区别的。
注3:此处涉及到三极管的制造工艺,以及半导体材料有关载流子的能级问题。能级结构不同的晶体材料,相互之间载流子的注入及移动会很复杂,也不容易实现。所以,晶体管的整体一般都用相同的半电体物质构成。要么是硅管,要么是锗管,很少有一部分是硅而另一部分是锗的情况。
来源:oschina
链接:https://my.oschina.net/fileoptions/blog/3175935