数字电路中的逻辑代数:二值逻辑,逻辑变量的取值只有0和1。
基本逻辑运算:
①与
Y=A · B =AB
②或
Y=A+B
③非
Y=A‘
复合逻辑运算:
①与非
Y=(A·B)’
②或非
Y=(A+B)‘
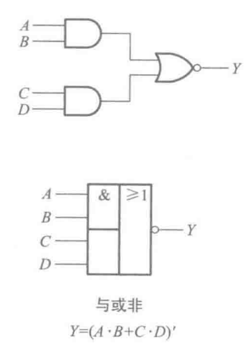
③与或非
Y=(A·B+C·D)‘
④异或
Y=A⊕B= A · B’ + A’ · B
⑤同或
Y=A⊙B= A · B +A’ · B’
基本公式:

常用公式:

定理:
1. 代入定理
在任何一个包含A的逻辑等式中,若以另外一个逻辑式带入式中A的位置,则等式依然成立。
2. 反演定理
对于任意一个逻辑式Y,若将其中所有的‘ · ’换成‘ + ’,‘ + ’换成‘ · ’,1换成0,0换成1,原变量换成反变量,反变量换成原变量,则得到的结果就是Y’
遵循规则:
3. 对偶定理
两逻辑式相等,则它们的对偶式也相等。
对偶式:
来源:CSDN
作者:一只默默努力的小透明
链接:https://blog.csdn.net/qq_44431690/article/details/104524729