TI AM570x浮点DSP C66x + ARM Cortex-A15开发板的CSI2 CAMERA接口、以太网接口

百般思念 提交于 2020-02-25 12:49:50

TL570x-EVM是一款由创龙基于SOM-TL570x核心板设计的开发板,它为用户提供了SOM-TL570x核心板的测试平台,用于快速评估SOM-TL570x核心板的整体性能。

TL570x-EVM底板采用沉金无铅工艺的4层板设计,不仅为客户提供丰富的TI AM570x开发入门教程,还协助客户进行底板的应用开发,提供长期、全面的技术支持,帮助客户以最快的速度进行产品的二次开发,实现产品的快速上市。

不仅提供丰富的Demo程序,还提供DSP+ARM多核通信开发教程,全面的技术支持,协助用户进行底板设计和调试以及DSP+ARM软件开发。

CSI2 CAMERA接口

CON13是CSI2 CAMERA接口,15pin FFC连接器,1.0mm间距,卧式下接式。该接口配合摄像头使用,接口定义如下图:

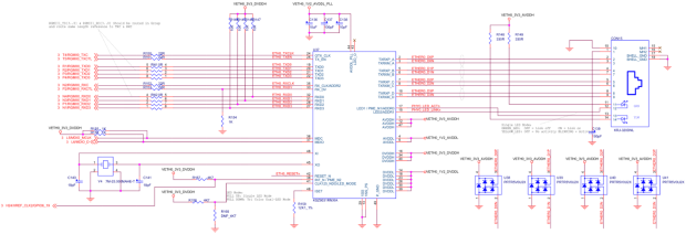
以太网接口

开发板配备了一个RGMII千兆以太网口CON15,采用了KSZ9031RNXIA网络芯片,可自适应10/100/1000M网络。两个PRU MII百兆以太网口CON16和CON17,可自适应10/100M网络。三网口均采用RJ45连接头内部已经包含了耦合线圈,因此不必另接网络变压器,使用普通的直连网线即可连接本开发板至路由器或者交换机。网络接口的接口定义如下图:

易学教程内所有资源均来自网络或用户发布的内容,如有违反法律规定的内容欢迎反馈
该文章没有解决你所遇到的问题?点击提问,说说你的问题,让更多的人一起探讨吧!