关键词:The nonholonomic constraints of WMR 非完整约束WMR机器人
链接:https://open.weixin.qq.com/connect/oauth2/authorize?appid=wx21dd00cd1ccac236&redirect_uri=https%3A%2F%2Fwww.zhihu.com%2Foauth%2Fcallback%2Fwechat_mp%3Faction%3Dsocial_info%26from%3Dhttps%253A%252F%252Fzhuanlan.zhihu.com%252Fp%252F106593961%253Futm_source%253Dwechat_session%2526utm_medium%253Dsocial%2526s_r%253D0%2523showWechatShareTip&response_type=code&scope=snsapi_userinfo&state=38616561396434632d633861392d343136312d383764372d663730613730316562653566&connect_redirect=1#wechat_redirect

图1 非完整约束WMR机器人模型
局限公式编辑的复杂性,建议读者自行阅读参考文献 [5] [9]。
运动控制器设计思路如下:
图2 轮式控制器设计流程
在文献[1]中也将WMR控制形式分为4类:
- 行为基础控制 behavior-based control
- 图论 graph theory
- 虚拟结构控制 virtual structure
- 领航者-跟随者方法 leader-follower approach
其中,leader-follower approach是WMR运动控制中最流行的控制方法。其控制方法可以理解获取目标点作为控制系统输入之一(个人理解)。后文中的控制器都是采用该运动控制方法,后文中控制器框图可有助于理解。 一个基于视觉引导的控制系统框架如下图。
图3 基于视觉引导的轮式机器人控制系统框架
在失速已知的情况下,可以采用线性、近似线性控制策略解决机器人运动控制问题[2]。参考文献[3],采用数据融合算法根据机器人机身惯性测量元件(IMU)与轮子旋转编码器数据推算出轮子的失速系数,但是这种检测方法精度与惯性导航系统一样会随着时间漂移,可靠性比较差,对系统计算力的消耗成本也不低。
图4 基于IMU失速检测的运动学性能分析
采用UKF设计状态观测器检测未知的失速系数,是一种较为经典的控制方法[4]。
图5 基于UKF的控制器模型
平面轮式机构的打滑失速按照机构的运动方向可分为纵向与横向,描述失速打滑的模型有:
- Buckhardt model
- Rill model
- Dahl model
- Lugre model
- Pacejka model
- Magic Formula
很难完成对轮式机构失速的补偿,也很少有实验结果被披露,主要原因如下:
-
由于轮式与地面的摩擦的不确定,动力学模型十分复杂。
-
失速补偿需要依靠力矩控制,而轮式的扭矩控制精度很难达到要求。
-
大部分商用的移动机器人,其力控制回路不对用于开放。
今年来的WMR控制器不再对车轮打滑失速进行观测,并且在大量的实验中发现,移动机器人轮子的失速系数是具有一定边界约束的。因此现在大部分的WMR控制算法更多的是针对不确定性打滑的运动控制,并且采用以下几类控制算法:滑模控制(Sliding mode control),自适应控制(Adaptive control),反步控制(Back-Stepping control),输出反馈跟踪控制(An adaptive output feedback tracking control),模糊控制以及神经网络控制(a neural network)。其中, Dynamic Surface Control (DSC)与反步控制结合,高斯小波神经网络(Gaussian wavelet network)或者SRWNN作为神经网络控制的代表[5]。在所有提出的控制器,都会以李雅普诺夫二次函数进行分析。 由于非完整约束的WMR的动力学参数未知,需要设计一种自适应控制器用于求解一个近似平滑且未知的非线性动力学函数。 常规认识中的移动机器人的控制回路如下图所示,采用粗糙的状态预测模型,通过运动积分控制机器人的运动轨迹和状态。受实际工况的影响,这类机器人的运动轨迹精度十分差。

图6 基于运动学模型控制的轮式机器人控制模型
根据近十年的参考文献,可以发现现在的WMR控制器包含两个核,运动学模型和动力学模型。运动学模型用于补偿未知的失速,动力学模型用于克服动力学参数变化和外部感染产生的非确定性扰动。参考下图,运动学控制核(Kinematics controller)将机器人的位置矢量或者速度矢量解析成轮子的转速,动力学模型将轮子的转速转换成驱动轮子的扭矩(驱动力),此外设计状态观测器或者神经网络,
图7 集成状态观测器的WMR控制器[6]
图8 集成神经网络和饱和抑制的WMR控制器
图9 基于模糊控制器的WMR控制[7]
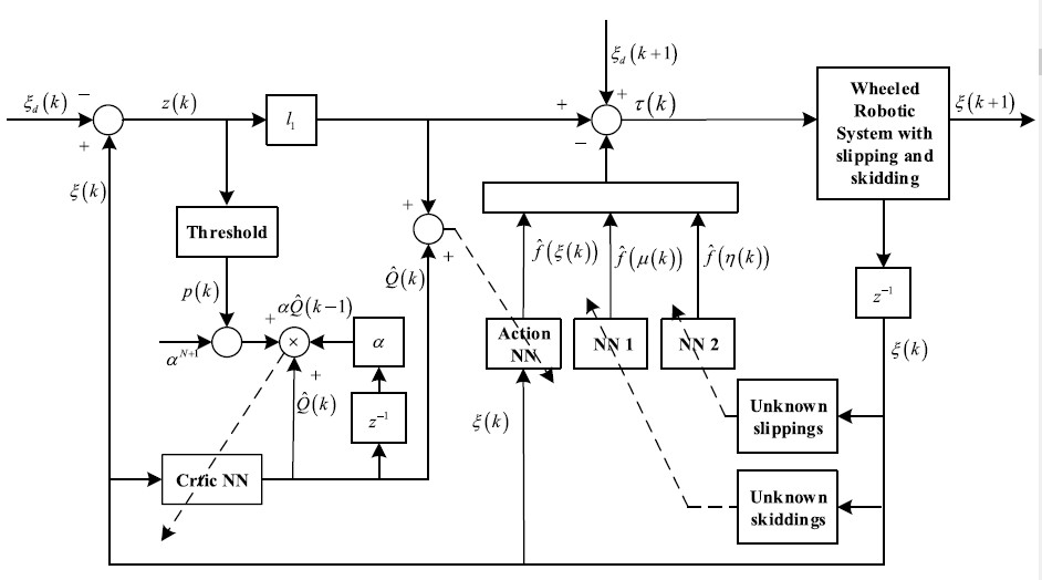
图10 基于强化学习算法的WMR控制器[8]
在工程应用中,移动轮的驱动力矩具有一定范围约束,因此控制系统中也存在一定饱和抑制单元[10]。
图11 具有动态饱和抑制功能的WMR控制器[11]
此外,结合移动的避障感知与规划策略,对控制器输入进行“输入饱和”优化,可以实现避障作业。当然,文献[12]也提出了可以不依靠扭矩反馈保证控制精度,从而降低控制器计算力消耗。
此外,非线性后视层估计与控制(Nonlinear receding horizon estimation and control (RHEC))也是近年来的研究热点之一[13]
对于双履带机器人,可以近似简化为WMR运动模型。
图12 双履带式移动机器人运动模型
四驱机构的运动模型与之前的模型分析原理基本相似,但是存在冗余控制量,因此数学模型更为复杂,可以参考文献[14]进行深入分析。
图13 四驱轮式机器人运动模型[14]
图14 四驱机器人控制器模型[14]
因为我之后的项目是以四驱轮式机构为主,因为我将会在以后的笔记中对四驱控制进行更为深入的解析,本文就到此结束。
[1] Park, B. S., and Yoo, S. J., “Adaptive Leader-Follower Formation Control of Mobile Robots with Unknown Skidding and Slipping Effects,” p. 8.
[2] Gonzalez, R., Fiacchini, M., Alamo, T., Guzman, J. L., and Rodriguez, F., 2010, “Adaptive Control for a Mobile Robot Under Slip Conditions Using an LMI-Based Approach,” European Journal of Control, 16(2), pp. 144–155.
[3] Jingang Yi, Junjie Zhang, Dezhen Song, and Suhada Jayasuriya, 2007, “IMU-Based Localization and Slip Estimation for Skid-Steered Mobile Robots,” 2007 IEEE/RSJ International Conference on Intelligent Robots and Systems, IEEE, San Diego, CA, USA, pp. 2845–2850.
[4] Cui, M., Liu, H., Liu, W., Huang, R., and Qin, Y., “An Adaptive Unscented Kalman Filter-Based Adaptive Tracking Control for Wheeled Mobile Robots with Control Constrains in the Presence of Wheel Slipping,” International Journal of Advanced Robotic Systems, p. 15.
[5] Nguyen, T., Hoang, T., Pham, M., and Dao, N., “A Gaussian Wavelet Network-Based Robust Adaptive Tracking Controller for a Wheeled Mobile Robot with Unknown Wheel Slips,” p. 13.
[6] Wang, G., Zhou, C., Yu, Y., and Liu, X., 2019, “Adaptive Sliding Mode Trajectory Tracking Control for WMR Considering Skidding and Slipping via Extended State Observer,” Energies, 12(17), p. 3305.
[7] Kim, D.-E., Yoon, H.-N., Kim, K.-S., Sreejith, M. S., and Lee, J.-M., 2017, “Using Current Sensing Method and Fuzzy PID Controller for Slip Phenomena Estimation and Compensation of Mobile Robot,” 2017 14th International Conference on Ubiquitous Robots and Ambient Intelligence (URAI), IEEE, Jeju, pp. 397–401.
[8] Li, S., Ding, L., Gao, H., Liu, Y.-J., Li, N., and Deng, Z., 2018, “Reinforcement Learning Neural Network-Based Adaptive Control for State and Input Time-Delayed Wheeled Mobile Robots,” IEEE Transactions on Systems, Man, and Cybernetics: Systems, pp. 1–12.
[9] Cao, Z., Yin, L., Fu, Y., and Dai, J. S., “Adaptive Dynamic Surface Control for Vision-Based Stabilization of an Uncertain Electrically Driven Nonholonomic Mobile Robot,” p. 19.
[10] Yoo, S. J., 2013, “Adaptive Neural Tracking and Obstacle Avoidance of Uncertain Mobile Robots with Unknown Skidding and Slipping,” Information Sciences, 238, pp. 176–189.
[11] 2018, “ROBUST CONTROL FOR A WHEELED MOBILE ROBOT TO TRACK A PREDEFINED TRAJECTORY IN THE PRESENCE OF UNKNOWN WHEEL SLIPS,” Vietnam Journal of Mechanics.
[12] Koubaa, Y., Boukattaya, M., and Dammak, T., “An Adaptive Control for Uncertain Mobile Robot Considering Skidding and Slipping Effects,” p. 7.
[13] Wallace, N. D., Kong, H., Hill, A. J., and Sukkarieh, S., “Experimental Validation of Structured Receding Horizon Estimation and Control for Mobile Ground Robot Slip Compensation,” p. 17.
[14] Liao, J., Chen, Z., and Yao, B., 2017, “Performance-Oriented Coordinated Adaptive Robust Control for Four-Wheel Independently Driven Skid Steer Mobile Robot,” IEEE Access, 5, pp. 19048–19057.
来源:CSDN
作者:刘积昊
链接:https://blog.csdn.net/weixin_42725244/article/details/104291836