我们仍然使用MC34063芯片,来设计一个DC-DC降压电路,实现直流12V转5V。
Buck变换器
Buck变换器是开关电源基本拓扑结构的一种,Buck变换器又称为降压变换器,是一种对输入电压进行降压变换的直流斩波器,其输出电压低于输入电压。
Buck变换器与Boost变换器使用的器件完全一样,只不过连接方式不太一样。Buck电路是正激类型,在开关管导通的时候,能量可以传递到输出端。
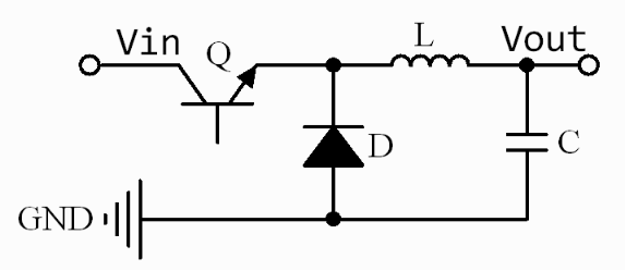
图 Buck变换器原理图
当开关管Q导通时,储能电感L充电,由Vin提供的电流为电容C充电。电容C维持着输出电压。电流方向如下图所示。此时续流二极管D不工作。开关管的工作频率是很高的,此时如果把电容与电感看做LC滤波电路也是可以的。
当开关管断开的时候,储能电感通过续流二极管放电。电感在自身电压高于电容时为电容充电。电容C维持着输出电压,随着电容自身电荷量的减小,输出电压也会逐渐降低。电流方向如下图所示。
图 开关管断开时的等效电路
续流二极管可采用正向导通电压较低的肖特基二极管,以减小损耗。也可以使用MOS管代替续流二极管,进一步降低损耗。
Buck降压电路
我们仍使用MC34063芯片来实现Buck降压电路。与Boost升压电路类似,Buck降压电路也需要5脚外接采样电路,用于检测输出电压是否达到设定值。
图 Buck降压电路原理图
输出电压将影响第5脚“比较器反相输入”的电压。如果5脚的电压小于1.25V,芯片内部的比较器、振荡器、与门、RS触发器会经过一系列配合,使1脚与2脚断开,电感放电,为电容充电。电容储存的电荷维持输出电压,所以输出电压会降低。如果5脚的电压大于1.25V,1脚与2脚闭合,为电感与电容充电。可见,为采样电路选择合适的分压电阻可以确定输出电压的值。
图中的L2与C4是LC滤波电路,目的是提高电源质量,消除电感放电瞬间,电压急速上升带来的毛刺。
Buck电路开关管与输出波形对比
下图是芯片2脚电压(黄色,表示为Vsw)与输出电压的波形,可以分析出,开关闭合时Vsw与Vout上升,一段时间以后开关断开,Vsw电压极速下降,甚至达到负值。电感为电容充电,Vout缓慢下降。
来源:CSDN
作者:geek_yatao
链接:https://blog.csdn.net/geek_monkey/article/details/104207601