
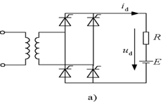
单相全控桥式带电阻负载时的电路

■带电阻负载的工作情况
◆电路分析
☞闸管VT1和VT4组成一对桥臂,VT2和VT3组成另一对桥臂。
☞在u2正半周(即a点电位高于b点电位)
√若4个晶闸管均不导通,id=0,ud=0,
VT1、VT4串联承受电压u2。
√在触发角a处给VT1和VT4加触发 脉冲,VT1和VT4即导通,电流从电源a端经VT1、R、VT4流回电源b端。
☞当u2过零时,流经晶闸管的电流也降到零,VT1和VT4关断。
☞在u2负半周,仍在触发角a处触发VT2和VT3,VT2和VT3导通,电流从电源b端流出,经VT3、R、VT2流回电源a端。
☞到u2过零时,电流又降为零,VT2和VT3关断。
◆基本数量关系
☞晶闸管承受的最大正向电压和反向电压分别为
和
。
☞整流电压平均值为:

α=0时,Ud= Ud0=0.9U2。α=180°时,Ud=0。可见,α角的移相范围为180°。
☞向负载输出的直流电流平均值为:

☞流过晶闸管的电流平均值 :

☞流过晶闸管的电流有效值为:

☞变压器二次侧电流有效值I2与输出直流电流有效值I相等:

可见:![]()
☞不考虑变压器的损耗时,要求变压器的容量为S=U2I2。

单相桥式全控整流电流带阻感负载时的电路

单相桥式全控整流电流带阻感负载时的波形
■带阻感负载的工作情况
◆电路分析
☞在u2正半周期
√触发角a处给晶闸管VT1和VT4加触发脉冲使其开通,ud=u2。
√负载电感很大,id不能突变且波形近似为一条水平线。
☞u2过零变负时,由于电感的作用晶闸管VT1和VT4中仍流过电流id,并不关断。
☞wt=p+a时刻,触发VT2和VT3,VT2和VT3导通,u2通过VT2和VT3分别向VT1和VT4施加反压使VT1和VT4关断,流过VT1和VT4的电流迅速转移到VT2和VT3上,此过程称为换相,亦称换流。
◆基本数量关系
☞整流电压平均值为:

当a=0时,Ud0=0.9U2。a=90°时,Ud=0。晶闸管移相范围为90°。
☞晶闸管承受的最大正反向电压均为
。
☞晶闸管导通角q与a无关,均为180°,其电流平均值和有效值分别为:
和
。
☞变压器二次侧电流i2的波形为正负各180°的矩形波,其相位由a角决定,有效值I2=Id。

单相桥式全控整流电路接反电动势—电阻负载时的电路

单相桥式全控整流电路接反电动势—电阻负载时的波形
■带反电动势负载时的工作情况
◆当负载为蓄电池、直流电动机的电枢(忽略其中的电感)等时,负载可看成一个直流电压源,对于整流电路,它们就是反电动势负载。
◆电路分析
☞|u2|>E时,才有晶闸管承受正电压,有导通的可能。
☞晶闸管导通之后,ud=u2,
,直至|u2|=E,id即降至0使得晶闸管关断,此后ud=E。
☞与电阻负载时相比,晶闸管提前了电角度d停止导电,d称为停止导电角。

☞当a<d时,触发脉冲到来时,晶闸管承受负电压,不可能导通。
☞触发脉冲有足够的宽度,保证当wt=d时刻有晶闸管开始承受正电压时,触发脉冲仍然存在。这样,相当于触发角被推迟为d。
☞在a角相同时,整流输出电压比电阻负载时大。
◆电流断续
☞id波形在一周期内有部分时间为0的情况,称为电流断续。
☞负载为直流电动机时,如果出现电流断续,则电动机的机械特性将很软。
☞为了克服此缺点,一般在主电路中直流输出侧串联一个平波电抗器。
☞电感量足够大使电流连续,晶闸管每次导通180°,这时整流电压ud的波形和负载电流id的波形与电感负载电流连续时的波形相同,ud的计算公式亦一样。
☞为保证电流连续所需的电感量L可由下式求出:


单相桥式全控整流电路带反电动势负载串平波电抗器,电流连续的临界情况
来源:CSDN
作者:Andres_Lionel
链接:https://blog.csdn.net/qq_41730082/article/details/104187582