单相步进电机

瘦欲@ 提交于 2020-02-02 07:43:09

寒假前,位于中央主楼的自动化系统一更换了各个办公室和实验室的电表。新的电表具有联网查表功能,这就减少了每个月人工查表的工作量。

替换下的老式电表中有机械式电表和电子式电表,它们将会被废除销毁。

image

老式电子电表

今天做实验正好需要一个塑料壳,安装实验中的电路板,于是就借用一个老式电子电表,将其内部拆除,使用其塑料外壳。

对于机械电表的结构还是比较了解,然而对于电子电表之前没有看过,今天借此机会正好一探究竟,在扔掉它们之前好好的看上一眼。

image

电子电表内部结构

电子电表内部结构比较简单。对于电量计量部分(测量电压,电流)都是由电子线路完成,电路板上具有一个专用电量芯片。输出驱动一个机械六位滚轮显示累积电量。

驱动机械滚轮是位于一端的单相步进电机。使用步进电机显然是为了计量精确,每一个电子脉冲,驱动滚轮最低位前进一格,这样就不会因为机械显示部分的摩擦阻力影响显示精度。

image

单相步进电机驱动机械滚轮显示

平时所使用的步进电机大多都是两项驱动,即电机具有独立的两项定子绕组,通过两相绕组相差90°的驱动电流,产生旋转定向磁场,拖动电机朝着一个方向旋转。

对于单项步进电机基本没有使用过,于是顺将电机拆开来看看。

image

打开步进电机

步进电机内部极其简单。包括有定子上电磁线圈、定子磁极、永磁转子(三对极)、塑料齿轮以及防磁金属外壳。

image

步进电机内部结构

定子和转子大体上是对称的,只是在定子一边内侧,多出一个小的半圆缺口。整个结构与电子手表(带有机械表盘)中的驱动马达很相似。

image

步进马达的线圈、定子、转子

驱动手表中的步进马达一般采用如下的波形。步进马达两端分别接在驱动电路的MOT1, MOT2。MOT1, MOT2两端分别依次输出低电平脉冲,每一个脉冲,马达的转子便旋转半个电周期。电周期等于旋转周期,即360°,除以转子的极对数。

image

单相步进马达单相思埠驱动电压波形

上图显示的马达单相驱动电压分为四个步骤:第1,3两个步骤中,电机线圈分别施加正反电压信号, 第2,4两步电机线圈两端电压为0。

直接使用信号源输出的方波电压信号,驱动步进马达线圈,也可以使得转子步进旋转。

image

在方波信号作用下步进马达旋转

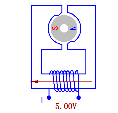
由于只有一个线圈,施加单相交变电压,所以从电信号上无法决定转子旋转方向。转子的旋转方向实际上是有定子上的缺口决定的。

如果将带有缺口的定子磁片左右颠倒,转子的转转方向也随之发生改变。

image

两个步进马达分别顺时针、逆时针旋转

下面将两个步进马达的定子磁铁进行组合,将两个不带缺口的磁片组成马达的定子,这样马达在机械结构上就左右对称了。

再通过交变方波电压后,转子只会左右摆动,就不再发生旋转。

image

不带缺口的定子,转子无法完成定向转动

所以,为了使得单相步进马达朝着固定方向旋转,必须打破定子磁场的对称性。

下图显示了步进马达定子与转子之间的磁隙在左右两端变窄,对应这个方向上磁路阻抗变小。在线圈没通电流的情况下,转子磁极就会偏向磁阻小的方向。这就会使得定子励磁磁场反转时,转子就会从一个固定方向旋转到新的平衡点。

image

定子磁场间隙不对称,转子进行定向转动

利用两个双掷开关,可以模拟步进马达的单相四步驱动电压。可以看到在1,3两个步骤中,转子在定子驱动磁场作用下,完成定向。 在2,4两个步骤中,线圈没有施加电压,定子中没有励磁。转子在自身的永磁铁的驱动下,会旋转 一个小的角度,指向定子磁阻小的方向。

image

使用单刀双掷开关模拟单相四步驱动信号

单相步进电机,在旋转过程中,由于需要应用到定子磁阻不对称,在永磁转子上产生的力矩,这个力矩相对线圈产生的励磁磁场力矩要小的很多,所以单相步进电机的驱动能力非常有限。它一般只能带动一些阻力非常小的机械表盘。

image

机械表盘的力矩很小

上面是从电子电表步进马达的结构来分析它的运转机理。如果将单相步进马达看成一个系统。它的 输入信号是线圈电压信号,它的输出信号是转子力矩。

那么下面的问题,就留给今年春季学期“信号与系统”课程中的同学们:该系统是线性系统吗?该系统是时不变系统吗?

如果该系统是线性时不变系统,那么在单相电压驱动下,转子还会形成固定方向的旋转吗?

image

下面是将实验电路装在电表塑料壳中,比预期效果要好。这个电路将来会用在“信号与系统”课堂教学上的演示。

image

装在电子电表塑料外壳中的实验电路

易学教程内所有资源均来自网络或用户发布的内容,如有违反法律规定的内容欢迎反馈
该文章没有解决你所遇到的问题?点击提问,说说你的问题,让更多的人一起探讨吧!