1.处理器与外部设备通信的两种方式:
并行通信
-传输原理:数据各个位同时传输。
-优点:速度快
-缺点:占用引脚资源多
串行通信
-传输原理:数据按位顺序传输。
-优点:占用引脚资源少
-缺点:速度相对较慢
2.串行通信
按照数据传送方向,分为:
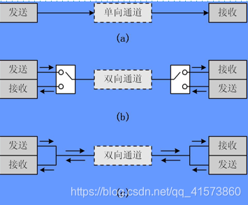
单工: 数据传输只支持数据在一个方向上传输
半双工:允许数据在两个方向上传输,但是,在某一时刻,只允许数据在一个方向上传输,它实际上是一种切换方向的单工通信;
全双工: 允许数据同时在两个方向上传输,因此,全双工通信是两个 单工通信方式的结合,它要求发送设备和接收设备都有独立的接收和发送能力。

3.串行通信的通信方式
同步通信:带时钟同步信号传输。 -SPI,IIC通信接口
异步通信:不带时钟同步信号。 -UART(通用异步收发器),单总线
4.常见串行通信接口

STM32的串口通信接口:
UART:通用异步收发器
USART:通用同步异步收发器
STM32F407支持6个UART
5.UART
5.1 UART异步通信方式引脚连接方法:

-RXD:数据输入引脚。数据接受。
-TXD:数据发送引脚。数据发送。
F407开发板用USB-232实现接口转换。
5.2 UART异步通信方式引脚(STM32F407ZGT6)

5.3 UART异步通信方式特点:
全双工异步通信。
小数波特率发生器系统,提供精确的波特率。
可配置的16倍过采样或8倍过采样,因而为速度容差与时钟容差的灵活配置提供了可能。
可编程的数据字长度(8位或者9位);
可配置的停止位(支持1或者2位停止位);
可配置的使用DMA多缓冲器通信。
单独的发送器和接收器使能位。
检测标志:① 接受缓冲器 ②发送缓冲器空 ③传输结束标志
多个带标志的中断源,触发中断。
其他:校验控制,四个错误检测标志。
6.STM32串口通信过程
6.1

以数据接收过程为例:电脑通过串口调试助手发送数据,通过USB-232口将电脑TXD端连接至F407的RXD端,每次接收一位数据产生一次中断,并调用中断处理函数,判断结束标志位,若正确则将数据先存入缓存区,最后读入开发板内核。
6.2STM32串口异步通信需要定义的参数:
起始位 数据位(8位或者9位) 奇偶校验位(第9位,位8) 停止位(1,15,2位) 波特率设置(通信双方须处于同一波特率)
例如:

来源:CSDN
作者:resumebb
链接:https://blog.csdn.net/qq_41573860/article/details/103798989