创龙基于TI AM335x ARM Cortex-A8 CPU,主频高达1GHz开发板按键、串口

浪子不回头ぞ 提交于 2020-01-18 06:47:04

处理器

TI Sitara AM335x是一款高性能嵌入式32位工业级Cortex-A8处理器,主频可高达1GHz,运算能力可高达2000DMIPS,搭配DDR3,兼容eMMC和NAND FLASH,拥有多种工业接口资源,以下是AM335x CPU资源框图:

按键

5个按键包含1个复位按键KEY1,1个长按睡眠按键KEY2,1个唤醒按键KEY3,2个可编程输入按键(含1个非屏蔽中断按键)KEY4和KEY5。其硬件位置及原理图如下图所示:

串口

开发板上共引出了3个串口,分别为CON4、CON6、CON8,其中CON4为Micro USB调试串口(UART3)、CON6为RS232串口(UART0)、CON8为RS485串口(UART1)。其硬件位置及原理图如下图所示:

表 1

串口名称

开发板位置

串口说明

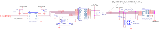
Micro USB

CON4

通过CH340芯片转成Micro USB接口

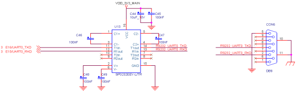
RS232

CON6

通过SP3232EEY-L/TR串口电平转换芯片转成RS232串口,使用9针DB9接口

RS485

CON8

使用3位接线端子

易学教程内所有资源均来自网络或用户发布的内容,如有违反法律规定的内容欢迎反馈
该文章没有解决你所遇到的问题?点击提问,说说你的问题,让更多的人一起探讨吧!