这里讲一下BOOST电路从建模到系统实现,为了方便DSP移植性,所以采用离散仿真加s-function,C代码编写的程序。
- Boost 电路设计
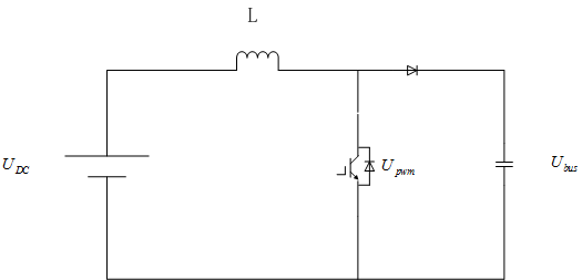
主要仿真功率为1MW的Boost电路。主回路拓扑:
- Boost硬件参数选型
电容C:50000uf
电感:1.5mH
DC: 600V - Boost控制框图
建立模型:
0-DTs ,S1导通:
(1)
DTs -Ts ,S1截止:
(2)
由(1),(2)式得:
(3)
(4)
通过(4)我们可以得到系统模型:
结合(3)(4)进行控制结构设计:
这里采用双闭环控制,外环电压环,内环电流环,鲁棒性强,抗扰动性强。
4. Boost软件参数设计
该系统可以按照二型系统进行设计:
控制系统采用二型控制设计,这样设计稳定性以及动态响应更强。
电流环参数:
截止频率:1000HZ
中频带宽H:10000
电压环参数:
截止频率:10HZ:
中频带宽H:11
波形:母线电压
电感电流:

可以通过以下链接下载模型:
//download.csdn.net/download/hero5123456789/12103145
来源:CSDN
作者:hero5123456789
链接:https://blog.csdn.net/hero5123456789/article/details/103983048

(1)
(2)
(3)
(4)