光控报警电路

纵饮孤独 提交于 2020-01-11 01:26:01

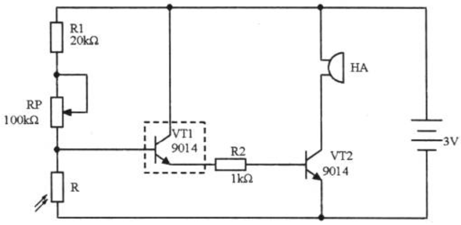
光控报警电路
光敏电阻阻值越大,光强越小。当光线慢慢变暗,光敏电阻阻值变大,其上的电压也就增大。某一时刻电压值达到了VT1工作所需的偏置电压,电路开始工作,蜂鸣器就开始报警。

易学教程内所有资源均来自网络或用户发布的内容,如有违反法律规定的内容欢迎反馈
该文章没有解决你所遇到的问题?点击提问,说说你的问题,让更多的人一起探讨吧!