目录
一 环境部署:
二 学习目标:
掌握STM32Cube工具关于ETH和LWIP部分的配置方法。
三 过程描述:
1、打开CubeMX,点击 INSTALL按钮,选中STM32F4,下载1.24.2版本(如果下载太慢,也可官网下载相同文件,再手动导入,此过程略过);
2、创建工程,芯片选择开发板的板载芯片STM32F407ZGTx。首先配置RCC。
4、配置ETH。记得修改ETH_TX_EN/ETH_TXD0/ETH_TXD1三个引脚的端口映射。
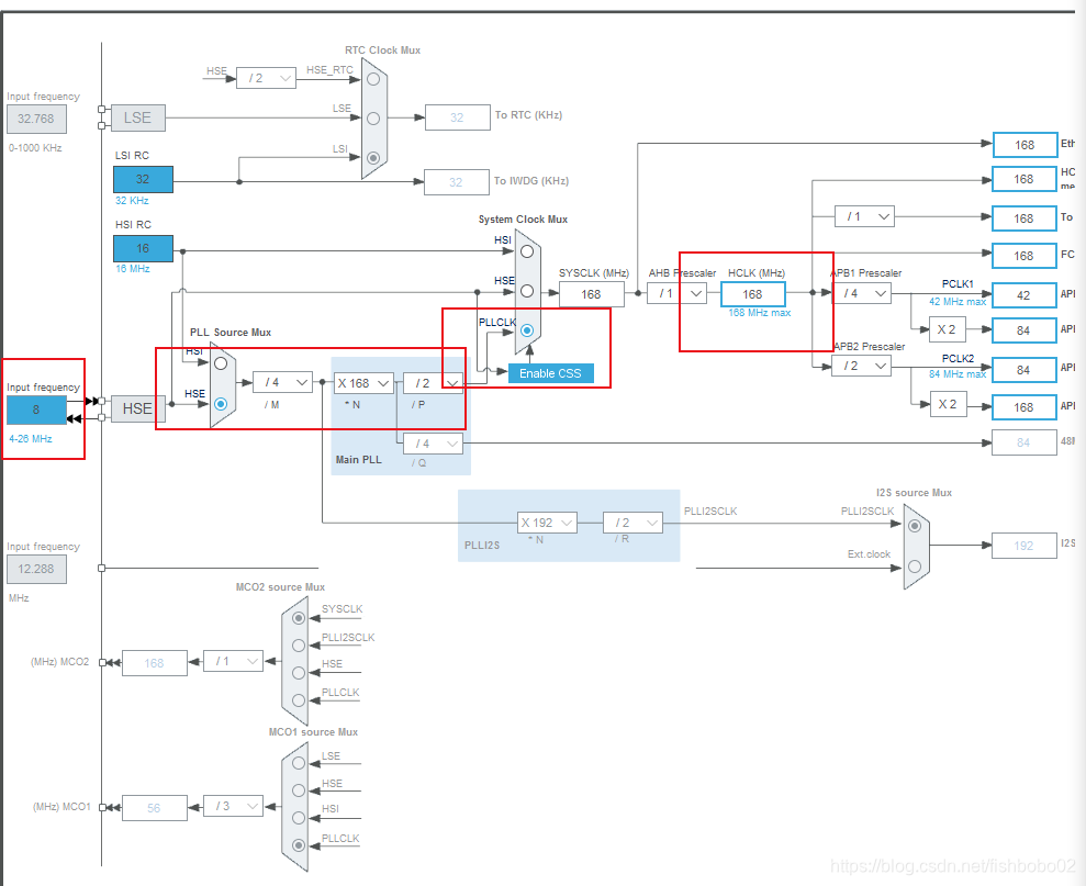
7、时钟配置。因为开发板DP83848采用的是自带外部时钟,所以不需要配置MCO1。先修改外部时钟为8M,再修改HCLK为168M,按照系统提示自动配置完成。
9、点击生成代码。直接打开生成的Keil工程。本次使用的是CMSIS-DAP仿真器,若使用其它仿真器的,请按照要求自行配置。
11、开发板上电并连接电脑,注意提前修改好电脑以太网配置,与开发板在同一网段内。
12、打开CMD命令窗口,输入 ping 192.168.1.8 回车。
来源:CSDN
作者:fishbobo02
链接:https://blog.csdn.net/fishbobo02/article/details/103828152















