【就业班学员心得】优化温度检测工程架构的心得
本文为明德扬原创文章,转载请注明出处!
本项目是基于FPGA设计的温度检测工程:
该项目主要实现的功能是对温度传感器DS18B20的温度值进行读取,并且将读取到的温度值数据在数码管上和PC上显示出来。
一、硬件与架构设计
本项目中用到的设备有:PC、FPGA、温度传感器DS18B20、蜂鸣器(beep)、数码管(segment)。
对于本次的项目,我的任务是将之前的温度检测项目的架构再进行细分,以及将相应的代码写出来并且能够上板调试出来。
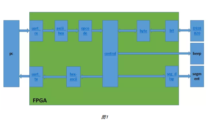
之前的温度检测项目的架构主要分了九个模块:
分别是uart_rx模块、ascii_hex模块、opcode模块、control模块、byte模块、bit模块、seg_disp模块、hex_ascii模块、uart_tx模块,具体的架构图如图1所示:
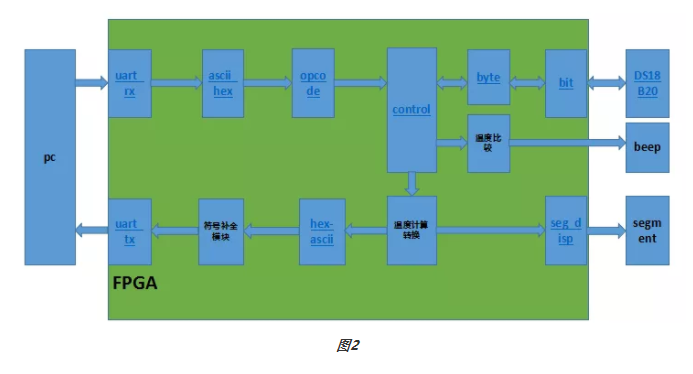
在上面温度检测架构(图1)的基础上,我将架构再进行了细分,分成了11个模块:
分别是uart_rx模块、ascii_hex模块、opcode模块、control模块、byte模块、温度比较模块、温度计算转换模块、bit模块、seg_disp模块、hex_ascii模块、符号补全模块、uart_tx模块,具体的架构图如图2所示:

该项目架构细分前后的主要区别主要是:
将细分之前的control模块分解成了control模块、温度比较模块、温度计算比较转换模块、符号补全模块、以及将opcode模块的输出设置为地址指令和数据指令一起输出。
二、架构细分后的优点
我个人认为有以下几个优点:
1.让每一个模块的功能更加清晰,看起来比较直观(让刚接触到该项目的新手,能够比较短时间内了解各个模块的功能);
2.让思路更加清晰,方便写相应地代码,减少因代码过多而导致容易发生错误的问题(细分前的control模块代码多,功能多,使得看或者写代码时有一定的难度);
3.方便对每一个模块进行相应地测试(方便写测试文件)。
三、产生问题及解决方案
在细分该项目的过程中,我所遇到的问题有以下三点:
1.对各个细分模块的输入和输出信号定义不太清晰(不知道该设置多少个输入和输出信号);
2.对模块之前的闲忙信号定义比较模糊(不太清楚哪些模块之间需要定义闲忙信号);
3.上板调试时,数码管上能够正常显示读取到的温度值,而pc上却出现了乱码(没有显示读取到的温度值);
对于以上提到的三个问题,在潘老师的指导下我分别做了如下的处理:
1.对于第一个问题、我先将能够想到的输入或者输出信号先定义好(多除少补),再结合细分架构之前对应的输入和输出进行定义;
2.对于第二个问题、我先考虑各个模块之间的信号处理时间,看看哪些模块之间需要用到闲忙信号,最后再结合细分架构之前各个模块之前的闲忙信号设置;
3.对于第三个问题、我使用signaltap从uart_tx模块、符号补全模块、hex_ascii模块、温度计算比较转换模块依次进行查找问题,最后查找出是某一个输出信号的位宽定义的问题。
总的来说,通过对本次温度检测项目架构细分,让我对该项目更加的了解了,以及在一定程度上扩展我的设计思路,同时也让我对signaltap的使用更加熟悉了(用signaltap找bug确实是一种很好的方法,有兴趣的同学可以学习明德扬实用调试技巧课),还有就是也让我体验到了很大的成就感。
以上就是本人优化温度检测工程架构的心得笔记,感兴趣的朋友可以在留言中与我进行交流讨论!
来源:CSDN
作者:MDYFPGA
链接:https://blog.csdn.net/MDYFPGA/article/details/103821337