数字集成电路
概念:在一块半导体基片上制作一个完整的逻辑电路需要的全部原件和连线
外接:使用时接电源,输入和输出
特点:具有体积小,可靠性高,速度快,而且价格便宜的特点
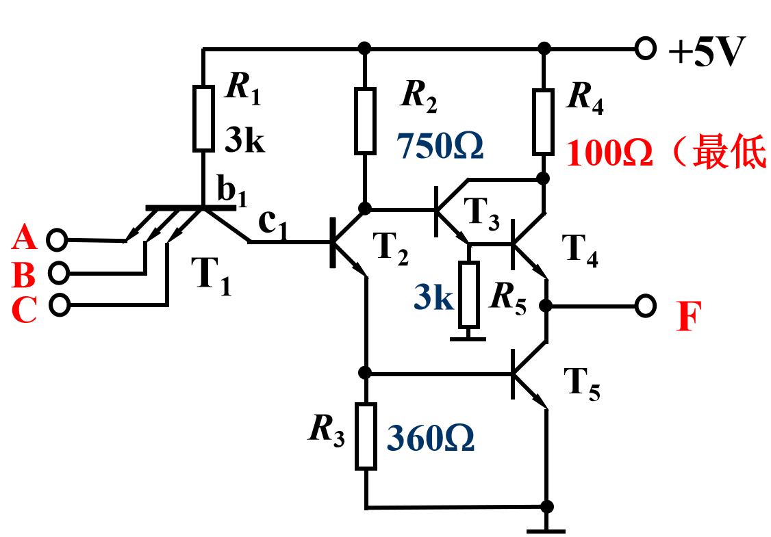
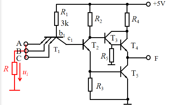
结构分析 
(1)任一输入为低电平(0V)时


uo=5-uR2-ube3-ube4=3.4V 高电平!
逻辑关系:任0则1。
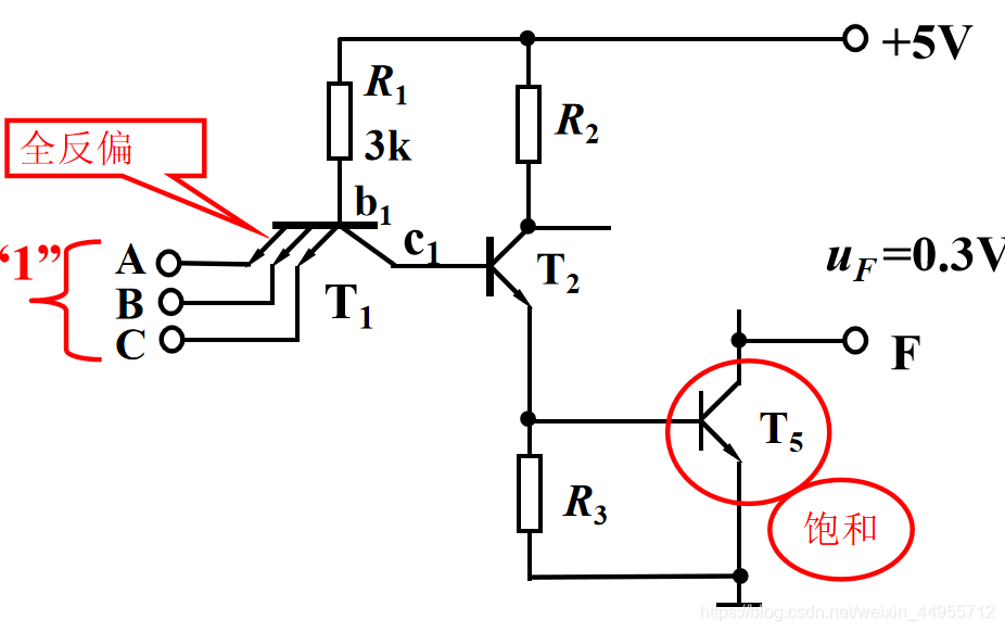
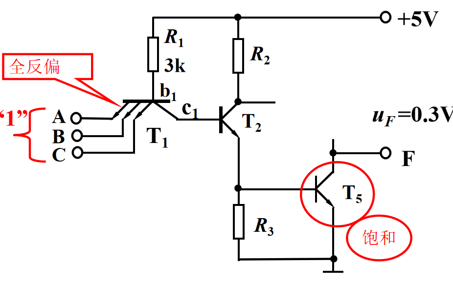
(2) 输入全为高电平(3.4V)时

输入、输出的逻辑关系式:F=(ABC)’
逻辑关系:全1则0
输出高电平UOH,输出低电平UOL
UOH>=2.4V, UOL<=0.4V 便认为合格。
典型值UOH=3.4V UOL=0.3V 。
输入阈值电压UT
ui<UT时,认为ui是低电平
ui>UT时,认为ui是高电平
UT=1.4V
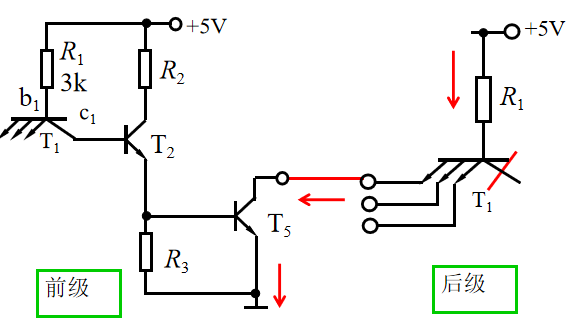
输入,输出负载特性
前级输出为低电平时
级间电流:流入前级,记为IOL ,约 1.4mA 。称为灌电流。

前级输出为高电平时

级间电流:流出前级,记为IOH(拉电流)
拉电流能力:维持UOH时,所允许的最大拉电流值。
输入端通过电阻R接地


R 较小时:ui<UT , T5不导通,输出高电平。
R增大时:R变大,–>ui变大–>ui=UT时,输出低电平。
计算临界值:

当R>=1.45千欧时,可以认为输入为“1”;
当R<1.45千欧时,可以认为输入为“0”。
来源:CSDN
作者:FANCYPANDAN
链接:https://blog.csdn.net/weixin_44955712/article/details/103787107
