创龙基于Xilinx Kintex-7系列高性价比FPGA开发板PMOD接口、HDMI

∥☆過路亽.° 提交于 2019-12-30 12:26:08

TLK7-EVM是一款由广州创龙基于Xilinx Kintex-7系列FPGA自主研发的核心板+底板方式的开发板,可快速评估FPGA性能。核心板尺寸仅80mm*58mm,底板采用沉金无铅工艺的6层板设计,专业的PCB Layout保证信号完整性的同时,经过严格的质量控制,满足工业环境应用。

SOM-TLK7核心板引出FPGA丰富的资源信号引脚,二次开发极其容易,客户只需要专注上层应用,大大降低了开发难度和时间成本,让产品快速上市,及时抢占市场先机。

不仅提供丰富的Demo程序,还提供详细的开发教程,全面的技术支持,协助客户进行底板设计、调试以及软件开发。

PMOD接口

开发板引出1个PMOD接口(CON10)。硬件及引脚定义如下图:

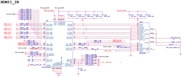
HDMI

CON2和CON3为HDMI接口,每路最高支持输入/输出1080P60。硬件及引脚定义如下图:

易学教程内所有资源均来自网络或用户发布的内容,如有违反法律规定的内容欢迎反馈
该文章没有解决你所遇到的问题?点击提问,说说你的问题,让更多的人一起探讨吧!