LY2506
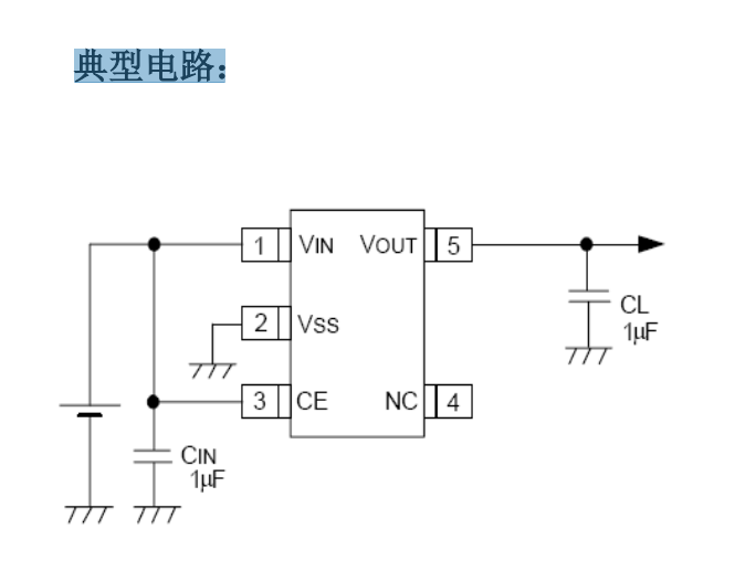
描述: 特点: 选型指南: 典型电路: 系列是以 CMOS 工艺制造的 高精度,高纹波抑制比,低噪音,超快响应 低压差线性稳压器。 系列稳压器稳 压器内置固定的参考电压源,误差修正电路, 限流电路,相位补偿电路以及低内阻的
MOSFET,达到高纹波抑制,低输出噪音, 超快响应低压差的性能。 系列兼容体积比钽电容更小的 陶瓷电容,而且不需使用 0.1μF 的 By-pass
电容,更能节省空间。 系列的高速响应特性能应付负 载电流的波动,所以特别适合使用于手持及 射频产品上。通过控制芯片上的 CE 脚可将 输出关断,在关断后的功耗只有 1μA 以下。 最大输出电流:500mA(VIN=5V,VOUT=3.3V) 低压差:100mV@ IOUT =100mA
工作电压范围:2V~6.0V
输出电压范围:1.2V~5.0V(步长 0.1V) 高输出精度:±2% 低静态电流:50uA(TYP.) 关断电流:0.1uA(TPY.) 高纹波抑制比:70dB@1KHz(ME6211C33) 低输出噪声:50uVrms
输入稳定性好:0.05%(TYP.) 封装形式:SOT-89-3,SOT-23-3,SOT-23-5,
DFN-6,SOT-353
典型应用: 手机 无绳电话设备 照相机 蓝牙及其他射频产品 基准电压源

来源:CSDN
作者:szlianyiwei
链接:https://blog.csdn.net/szlianyiwei/article/details/103615106