基于完全可以满足的需求。
1空中接口
1.1概述

WCDMA在无线接口上有三种信道:物理信道,传输信道和逻辑信道
- WCDMA空中接口的主要参数
- 码片速率:3.84Mchip/s
 - 扩频系数:256到4可变(上行),调制符号速率变化范围:960ksymbol/s到15ksymbol/s,512到4可变(下行),调制符号速率变化范围960ksymbol/s到7.5ksymbol/s
 - 工作频带
 - 信道安排:标称信道间隔为5MHz,中心频率必须是200khz的整数倍
 - 无线帧:帧长10ms,分为15个时隙,每时隙2560chip
 
 
1.2物理信道结构
一个无线帧(10ms)由15个时隙组成,其长度为38400chip,一个时隙长度为2560chip。
1.2.1上行物理信道结构
专用上行物理数据信道:DPDCH,专用上行物理控制信道DPCCH,他们是在一个时隙内并行传输的。
如何并行传输呢?其将两种数据分别放在I路和Q路,然后传输
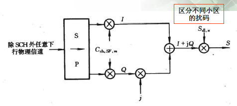
1.2.2下行物理信道结构
数据是放在一起传输的,如下图所示
数据速率可以用以下方法求得:
- 当总比特速率超过一个下行物理信道最大比特速率时,可采用多码传输
 - 发送已知信号做信道估计

 - 也分为两路传输,可以提高传输速率

 
2自适应CDMA
2.1传统功率控制
我们知道功率会随着距离的增加而减小,为了避免出现基站接收距它较近的用户的功率大,距它较远的用户功率小的情况发生,我们会使离基站较近的用户以较小的功率发送,离基站较远的用户以较大的功率发送,使得到达基站的功率一致,这就是传统的功率控制了。
但是其有着一定缺点。
- 发送功率:
 - 增加对其他小区的干扰
 - 减小容量
 - 减弱连续干扰消除和MUD的性能。
 
2.2自适应功率控制
- 目标:满足Qos需求而且传输功率最小化
 - 取决于扩展频带宽度,需要的数据速率和SIR
 
2.2.1功率控制原则
推导过程简单但比较繁琐,就不详细推导了,下面写出结论
,在和的情况下
2.2.2例子
例一:当M=2时:
分析结果:
- 业务需求量的上限是扩展带宽即。
 - 业务量需求越接近带宽,传输功率也就越大,当时,
 - 由于,均匀到达的业务流将是系统达到最小的容量,均匀业务流是算法收敛的充分条件

例二:业务需求的上界 
- 如果,则接入(相等的时候最小的界,比他还小肯定可以接入)
 - 如果,拒绝(上界)
 - 如果介于两者之间,可以接入较轻的呼叫。
 
来源:CSDN
作者:三省少年
链接:https://blog.csdn.net/xd15010130025/article/details/103566691


