UAF42滤波器/低通/高通/带通 滤波器 原理图/PCB设计 调试注意事项
目录
1.特性参数
1.1 基本特性
UAF42芯片一款有源滤波器芯片,可由单芯片实现低通,高通,带通滤波器,可选其一进行输出,并可通过改变电路中滑变阻值,轻松调节其滤波器中心频率,Q值,通带增益等,也可方便实现Butterworth、Bessel、Chebyshev1等款式滤波器。注:
1、当滤波器具有相同阶数时:
巴特沃斯滤波器通带最平坦,阻带下降慢。
切比雪夫滤波器通带等纹波,阻带下降较快。
贝塞尔滤波器通带等纹波,阻带下降慢。也就是说幅频特性的选频特性最差。但是,贝塞尔滤波器具有最佳的线性相位特性。
2.使用说明

2.1模块简介
UAF42模块用途广泛——低通、高通、带通,使用方便,跳线即可选择低通、高通或带通形式之一。
易于设计,调节滑变即可轻松调节滤波器品质因数(Q值),中心频率等,中心频率可高至40kHz。
供电: ±5V~±18V
信号输入: 信号幅值在20mv到略低于供电电压之间(如5V供电时,信号幅值应介于20mV到4.5V之间)
信号输出: 可配置为低通,高通,带通形式输出,中心频率可高至40kHz
内部放大: 可调至100倍放大输出
2.2模块使用
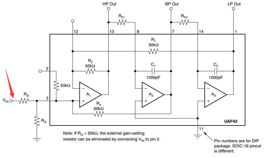
2.2.1由IN2输入法
特别注意的是官方框图中的R标号并不对应我们原理图里面的标号,具体的要按照电路图结构对比。
由该IN2通道接入信号时,调整带通滤波器增益将变得非常容易。
其中心频率,通带增益,Q值,及Q*ALP的调整可参考以下公式。如公式所示:
IN2输入时 带通滤波器增益
(1)中心频率调整:
2.2.1.2 中心频率计算
其中,R1与R2为固定值,且相等,C1,C2也为固定值,即是说,增大RF1xRF2即可减小中心频率,减小RF1xRF2即可增大中心频率。调节如图:
2.2.1.3 中心频率调节
通常情况下,应尽量保证RF1与RF2的值比较接近,以保证能尽量得到较高的Q值和中心频率(结合如上描述,增大或减小中心频率,应将滑变RF1和RF2同时顺时针或同时逆时针调节)。
(2)品质因数(Q值)调整:
由公式可知,当用RF1与RF2调节好中心频率后,应当调节RG与RQ的值以改变Q值。调节如图
2.2.1.4 Q值及通带增益调节
应当注意的是,
2.2.1.4 Q值与通带增益的反比关系
Q值与通带增益是无法同时获得较大值的,调节滑变时,应当在这两者间取得一定的平衡。
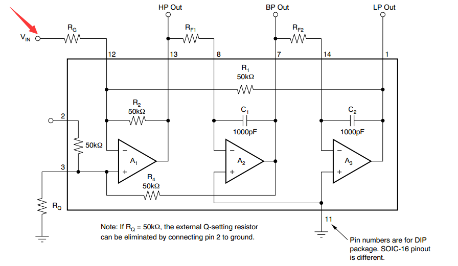
2.2.2由IN1输入法
特别注意的是官方框图中的R标号并不对应我们原理图里面的标号,具体的要按照电路图结构对比。
从IN1输入信号调节方法与从IN2输入信号基本一致,不同的是,由IN1通道接入信号时,调整低通滤波器增益将会更加容易。正如公式所展示那样,R1为定值,仅由RG决定:
2.2.2.1 IN1输入时 低通滤波器增益
中心频率调节也一样,增大RF1*RF2可减小中心频率,减小RF1*RF2可增大中心频率。通常情况下,应尽量保证RF1与RF2的值比较接近,以保证能尽量得到较高的Q值和中心频率。
当用RF1与RF2调节好中心频率后,应当调节RG与RQ的值以改变Q值。
Q值与通带增益两者间应取得一定的平衡,它们无法同时增大。
2.3原理图说明
2.3.1模块原理图

2.3.2调节中心频率
2.3.2 调节中心频率
上图中R4,R6及为2.2中的中心频率调节滑变RF1,RF2,同时增大或同时减小这两个滑变的值,能改变滤波器中心频率(截止频率)。图中的R5,R7都是没有焊接的。
2.3.3调节Q值及增益
2.3.3 调节Q值及增益
上图中R8即为增益调节滑变RG,可以调节输出信号的幅值,R9即为滑变RQ,可以调节滤波器Q值,如输出幅度不够,UAF42芯片内置了放大器,可以将信号再次放大后输出,下图中滑变R13可以调节该内部放大器增益。图中的R10,R3都是没有焊接的。
图中的R12是没有焊接的。
以下为原文地址,
模块原理图-PDF、原理图库、PCB库下载
仅供参考:UAF42资料
来源:CSDN
作者:kvdz_taobao_com
链接:https://blog.csdn.net/kvdz_taobao_com/article/details/103511208