(这篇文章不是为了科普,而是为了记住我在复习数逻实验时的一些以前没有的发现或者猜想。作为一位小白,里面难免会有错误和不成熟的想法。)
通过复杂的逻辑分析和卡诺图化简,不难得出七段数码管每个管的逻辑等式。
输入D0——D3控制表达的数,4位,可以表示0~F(16进制),point控制小数点,LE控制使能。


整个逻辑图如上图所示,通过AN0~AN3控制四个七段数码管的亮灭,MyMC14495负责将输入的二进制数转化为可以显示在数码管上的信号。
这里有点特别的地方。动态扫描显示,也叫时分复用显示,利用人眼视觉残留,一个7段码译码电路分时为每个7段码提供译码。


肉眼观察,只是感觉当拨动某个AN所分配的开关后数码管会亮或者灭,但实际上是通过分时扫描显示来实现。
在这个实验中,仅仅要求显示数字,四个数码管显示的是同一个数字,(四组七段数码管同一位置的数码管所分配的引脚应该是相同的)所以不需要考虑通过分时利用一个七段译码电路,而在接下来的实验里,会通过一个控制信号来实现AN的时分复用显示控制方法。
下一个实验:四个七段数码管显示四个不同的数字
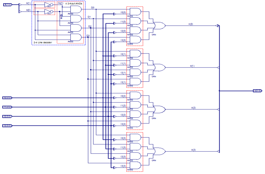
首先的一个4位四选一扩展MUX4to1b4开始让我迷惑了好久,后来仔细想想,其实是这样:
给定的I0,I1,I2,I3是四个要显示的数,每个数都是4位,这样假设选择信号是00,会选择那四组与门中每组的最上面一个值,这样就把I0给选出来了,至于为什么要从四个中选择一个呢?其实是这样:不是随便的4个数中选一个,而是这四个数都要显示,但是只有一个七段译码电路(节省),所以一次只能挑选一个来显示,就通过scan信号,也就是选择信号来进行选择!

这样,通过这个选择器选择出来要输出的数,在输入到上面的那个实验的电路中就可以显示出来了。至于防止四个七段数码管都输出同一个数字,就是通过scan信号控制AN不断变化,每次保证只显示一个。当然也可以异步控制AN使某一个数码管不显示。用scan信号控制AN的方式有两种,在下面用图示给出。

控制AN的两种方式:


就写到这吧,理解很多,只写了一些点。果然还是自己仔细研究某件东西才能搞明白。
来源:CSDN
作者:ZJULeyRio
链接:https://blog.csdn.net/LIYOUFHASS/article/details/103463401