

1 引言
1.1 MIMO声信号处理

一方面,我们面临着更加复杂的声环境。麦克风接收到的信号,目标语音混杂着以下四种干扰:
1 噪声。
2 回声。回声的产生是由于扬声器和麦克风的耦合。回声的存在会使得交互变得更加困难。
3 混响。混响是多路径传播和封闭环境下的结果。尽管混响受到封闭环境的大小,增强音乐的饱和度,但是混响影响了频谱,这使得声源定位变得困难。
4 干扰。

2 声信号系统

系统模型的基础是信号处理和控制理论,以及声应用。创建声信号数学表达式有助于我们更好的理解。

2.1 信号模型
对许多声信号处理和应用,特别是本书的后面,声系统的输入输出个数对算法的选择是个关键因素,涉及到复杂度。因此,声信号系统需要分类,我们相信最重要的信号输入输出决定数学模型。

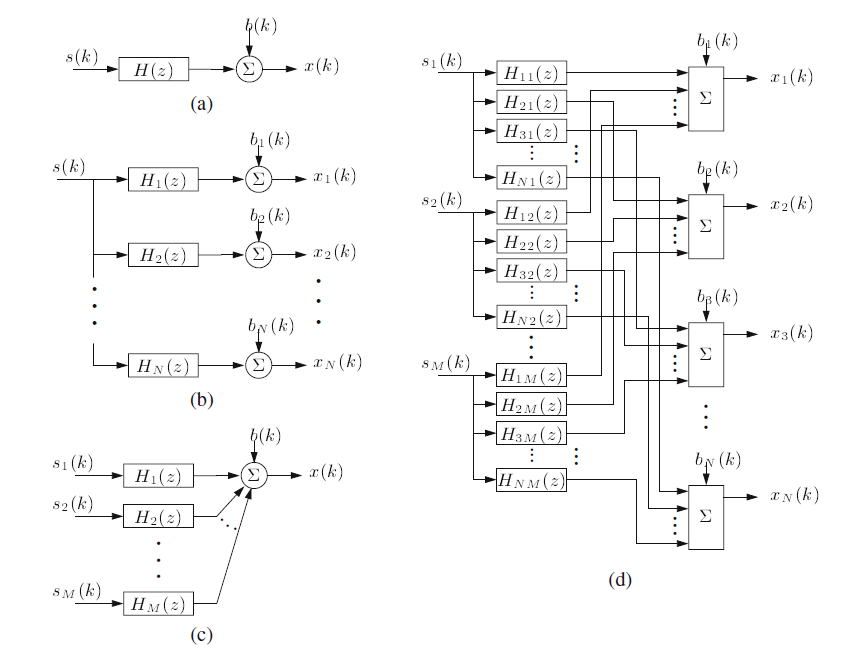
2.1.1 单输入单输出模型


图2.1 描述了四种不同的声信号模型

通道响应用的是FIR滤波器而不是IIR滤波器,在之后的文章里会解释,这里只讨论声信号通道特性,SISO的向量形式:


2.2 声信号通道的特性
尽管研究MIMO声信号结构系统时间很短,MIMO模型已经广泛应用在无线通信中几十年了,但是声信号不同于无线通信。因此要总结一下声信号通道的特性。

2.2.1线性时不变
我们知道并不是所有的系统都是线性时不变的。但是幸运的是声信号通道是时不变(LSI)系统。线性时不变是两个最重要的属性用来简化分析和设计离散时间系统。一个线性系统应该满足一致性和可加性。一个系统时移特性的输入时移和输出时移是一样的。有了这些特性,LSI系统很容易计算响应。

2.2.2 FIR
声信号通道冲击响应的长度很长,但是FIR(有限长冲击响应)滤波器用的比IIR(无限长冲击响应)多在声信号处理。首先FIR滤波器的稳定性是很容易控制的通过调整滤波器的系数。第二,目前存在很多自适应FIR算法以及算法的性能,收敛性,跟踪,稳定性。第三,FIR滤波器可以精确地模拟声信号通道,满足标准设计。最后,FIR滤波器可以硬件实现。

2.2.3 时变通道冲击响应
通道响应特性与输入输出系统的关系,系统需要线性时不变的。但是,很多通信通道存在物理结构的问题,而且声信号通道是时变的。声源的移动和环境的变化,以及室内环境的封闭性问题。即使一个声信号环境是紧密的封闭环境,但是依然存在高动态不平稳的特性。例如室内房间温度的变化都会导致气压变化,引起声信号传输通道变化。但是时变特性并不能阻止我们使用FIR滤波器模拟声传递通道,因为声系统改变很慢在一定长度的通道响应。


2.2.4 频率选择
声波在空气中的传输通过扰动。通过球面辐射和传播,。1米6db的下降。但是当声传播的距离是很长的距离,30米,高频衰减,暗示着声传播通道的是具有频率的选择特性的。而且高频衰减依赖于空气密度和大气压的环境。

声传播环境,办公室,会议室,车,声波在封闭环境下反射多次才能达到麦克风。而且不同频率的衰减又不同。

2.2.5混响时间
室内混响是对声音具有破坏性的。但是室内混响并不是决定性的,混响有助于听者。

混响的等级典型的是T60测试混响时间,T60是sabine(http://www.acoustics-engineering.com/html/sabin.html)提供一种测量方法以及现在部分ISO混响测量。T60的混响时间被定义为原始信号下降到60db的情况。逻辑上来讲,很多混响时间估计算法基于声音延迟和记录声信道响应。如果信号是一个理想的冲击响应,然后那么声延迟曲线是很关键的冲击响应声模型。因此,我们将会简洁的解释如何估计混响时间,根据获得的声冲击响应。

混响能量在声信号的响应中,如图2.2(a),是有贝尔实验室的消声室测出来的。如果能量测出来时是db,那么时间延迟线性曲线可以很清楚的从图2.2(b)中看出.混响时间是由估计能量比决定的。通过使用Schroeder(https://ccrma.stanford.edu/~jos/pasp/Schroeder_Reverberators.html)方法,一种平滑的更加精确估计时延方法如图2.2(c),导致错误。最后线性拟合用来合成一定的框架。从这个线性拟合的曲线,我们发现T60的混响时间为395ms。

2.2.6信道的可逆性和最小相位滤波器
声通道的可逆性是很有用的一部分在许多应用中,如语音增强和去混响。一个系统是可逆的,输入输出之间的关系很好确定。换句话说,存在一个稳定的可逆滤波器补偿。
最小相位滤波器的特性,最小延迟,最小能量差。




图2.2 描述的是混响时间的估计
(a)采样冲击响应
(b)方差冲击响应
(c)400ms的平滑,线性拟合曲线

2.2.7 多通道与零点问题
多通道系统最重要的特性是通道分集。分集使得一个多通道系统不同于单通道对应关系。在多通道系统中,单通道是多通道的一个特例。严格说来,多通道系统主要是应用在无线通信,通道分集表明不同通道的多通道系统没有共同点。如果通道模型是FIR滤波器,通道的分集意味着他们的传递函数没有共同的零点,或者换句话说,是互素多项式。

一个分集多通道系统是不可约的。但是一个多通道系统的冲击响应有共同的零点可以被分解成两个或者更多的子系统,这样我们既没有单个以及多个多通道通道。例如,一个SIMO的FIR系统,通道传递函数是互质的,
那么多项式可以写成

SIMO系统可以分解成SISO系统,这样可以减少SIMO的复杂度,如图2.3.很明显这两个子系统根本不会影响输入输出。零点的问题对于SIMO的系统而言是很重要的,因为不可约性对盲的SIMO系统是很重要的,以及(b)的不可约性使得我们……
对于一个不可约的FIR滤波器的SIMO系统,


图2.3 一个可约的SIMO的FIR滤波器的系统,通道的冲击响应的零点是相同的

当这个不可约的特性可以从SIMO系统拓展到MIMO系统,需要Z变换,得到H(Z)。
来源:oschina
链接:https://my.oschina.net/u/2352897/blog/707495