线性二自由度汽车模型对前轮角阶跃输入的稳态响应分析(matlab/simulink)
一、线性二自由度汽车模型
为了便于掌握操纵稳定性的基本特性,我们将多自由度的整车模型简化成为二自由度模型。主要有以下假设:
忽略转向系统的影响,直接以前轮转角作为输入;不考虑悬架的作用,认为汽车相对于地面只作简单的平面运动,即汽车沿z轴的位移,绕y轴的俯仰角与绕x轴的侧倾角均为零;在分析中假设汽车沿x轴的速度不变。因此,汽车只有沿y轴的侧向运动与绕z轴的横摆运动这两个自由度。
此外,汽车的侧向加速度限定在0.4g以下,轮胎侧偏特性处于线性范围。对于运动微分方程建立还假设:忽略地面对轮胎作用产生轮胎侧偏特性的改变,没有空气动力的影响,也不考虑左右车轮转向时载荷变化而引起的轮胎特性的变化以及轮胎回正力矩的影响。这样所建立的模型如图1所示。
图1
分析时,令汽车的质心同车辆坐标系的原点相同。基于上述假设,可将汽车的转动惯量、质量分布系数等参数视为常数,这使得建立运动微分方程很方便。
建立二自由度汽车模型的运动微分方程主要需确定:汽车质心的加速度在车辆坐标系上的分量,二自由度汽车受到的外力与绕质心的外力矩,外力、外力矩与汽车运动参数的关系。
1.1 首先确定汽车质心的加速度在车辆坐标系上的分量
如图2所示:
图2
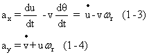
x、y为车辆坐标系的纵轴与横轴。在t时刻,质心速度在x轴上的分量为 u,在y轴上的分量为v;而在 t + ∆t时,坐标系中的质心速度的方向和大小都会发生变化。可以得到沿x轴的速度分量的变化如式(1-1): 
因为 ∆θ 很小,所以cos∆θ≈1,sin∆θ≈θ,忽略二阶微量∆θsin∆θ,上式可简化为:
∆u - v∆θ (1-2)
除以 ∆t 并取极限,可以得到汽车绝对加速度在坐标系的x轴上的分量,同理可得汽车绝对加速度在坐标系y轴上的分量:
1.2 二自由度汽车受到的外力与绕质心的外力矩
二自由度的汽车所受的外力沿y方向的合力以及绕质心的力矩和为:

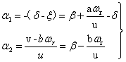
上式中,δ为前轮转角;FY1、FY2分别为地面对前、后轮的侧偏力。因为δ比较小,上式可简化为:

上式中,α1、α2分别为前、后轮的侧偏角。
1.3 考虑汽车前后侧偏角与运动参数的关系
汽车质心侧偏角为β,β ≈ tanβ = v/u(1-9)
ξ是u1与x轴的夹角(刚体的运动可以看成随质心的运动以及绕质心的转动),
根据坐标系的规定,前后轮的侧偏角为:
(1-11)
外力、外力矩和汽车运动参数的关系式如下:

所以得到二自由度汽车的运动微分方程为:

整理可得

式中,m为整车质量;k1、k2分别为前、后车轮的侧偏刚度;a、b分别为前、后轴到质心的距离;v 为侧向速度;u 为横向速度;β为质心侧偏角;δ为前轮转角;ωr为横摆角速度。
二、使用Matlab/Simulink建立线性二自由度汽车模型
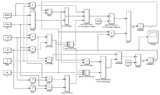
2.1 建立模型方法
(1)新建模型文件,并将Simulink的Simulink Library Browser打开。
(2)依据理论以及数学模型,在Simulink Library Browser中选取所需要的模块,将它复制到空白的模型窗口当中。主要用到的模型有:常量constant、积分integrator、乘除divide、加减subtract、阶跃信号step和示波器显示scope。
(3)根据理论以及数学模型,将各模块之间进行连线,从而使它成为一个系统。
(4)对各个模块的参数进行设定。
最后建立的模型如图4所示。
图4
使用的模拟参数如下:
2.2 模拟情况:
(1)车速不变取不同角阶跃输入
汽车以u = 25 m/s(即90km/h)速度行驶时,在仿真时间为1 s时给前轮一个阶跃信号,角阶跃输入分别取5°、10°、15°,并保持此角度不变。此时横摆角速度响应曲线如图 5 所示。由图5可以看出,随着前轮转角的增加,进入稳态所经历的时间略微增加,横摆角速度的超调量逐渐增大,因此车辆行驶时应避免急转方向盘影响车辆的稳定性。
图5
(2)不同车速下相同角阶跃输入的响应。角阶跃输入为5°,车速分别取25m/s(即90km/h)、30 m/s(即111km/h)、35 m/s(即126km/h)、40 m/s(即144km/h),此时横摆角速度响应曲线如图 6 所示。由图6可以看出,角阶跃输入固定时,稳态横摆角速度基本相同,但车速越大,横摆角速度的超调量越大,达到稳态所需的时间越长,因此应该避免在高速行驶时急转方向盘产生大的前轮转向角。(可以计算出车辆稳定性因数K=0.0011m2/s2,特征车速Uch=30.8m/s。)
图6
搭建好的模型 .slx文件可以从 我的百度网盘下载
https://pan.baidu.com/s/1CMEGcfMyndZtioN7r9VehQ
提取码: 7hxm
来源:CSDN
作者:無負今日
链接:https://blog.csdn.net/weixin_44100850/article/details/86500435