Labview俄罗斯方块
学习labview基础之后的一个练手项目---俄罗斯方块。
主要包括以下几个VI,
方格簇VI用来储存所有的方格形状与颜色:(同一种方格不同旋转方向放在同一个簇内,多个簇再放置到同一个簇中)
(本来我只是用的数组,来表示方格但并不是很好用 比如无法为每个方格分配颜色。此方法是后来在看到B站UP主 我已经尽莉了 的视频,学习到的。遂使用。)

选择方格.VI
只需要输入一个整数,用来选择方格簇内的方格,并将其绘制为颜色方格


对于方格的旋转也很简单,只需要更改选择方格时输入的整数即可:(变形.VI)

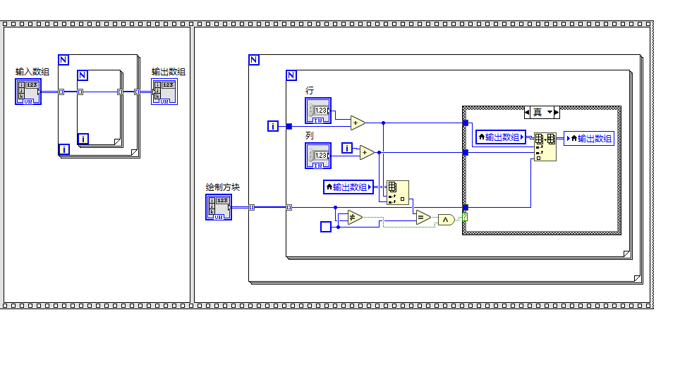
绘制方格如下


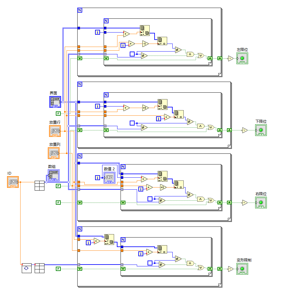
对于俄罗斯方块的界限判断以及是否可旋转稍微有些难度,我使用FOR循环判断,当前方格所在位置的左,右,下,以及旋转后是否有冲突来判断。
界限VI框图及前面板如下:


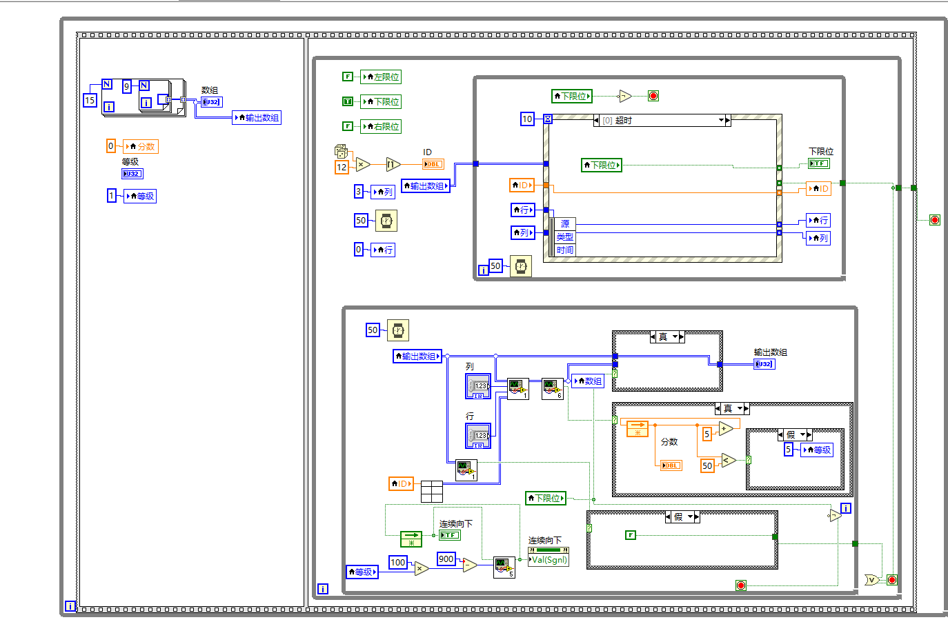
下面是出现满行进行消除的VI:(消除之后,上层依次下移)
消除VI如下

main程序框图如下:

对于主程序界面添加了背景图片,入下:

目前测试未发现明显BUG。
程序在百度云,欢迎下载。如下
链接: https://pan.baidu.com/s/1M5O5rpyaEHjExHhq0qM04Q 提取码: d57f
来源:oschina
链接:https://my.oschina.net/u/4348626/blog/4475945